Datasheet LTC2946 (Analog Devices) - 10
| Fabricante | Analog Devices | 
| Descripción | Wide Range I2C Power, Charge and Energy Monitor | 
| Páginas / Página | 42 / 10 — BLOCK DIAGRAM. TIMING DIAGRAM | 
| Formato / tamaño de archivo | PDF / 474 Kb | 
| Idioma del documento | Inglés | 
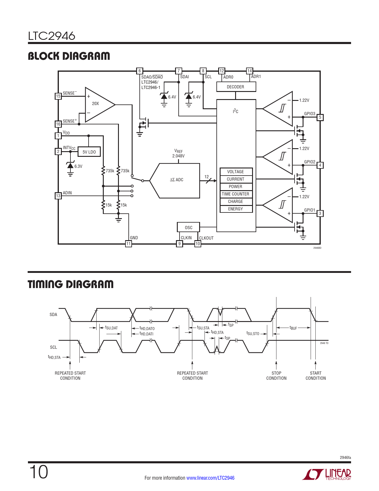
BLOCK DIAGRAM. TIMING DIAGRAM

Línea de modelo para esta hoja de datos
Versión de texto del documento
LTC2946
BLOCK DIAGRAM
6 7 8 12 14 SDAO/SDAO SDAI SCL ADR0 ADR1 LTC2946/ LTC2946-1 DECODER SENSE– 15 + 6.4V 6.4V – 1.22V 20X – I2C + GPIO3 5 SENSE+ 16 VDD 1 – INTVCC 2 V 1.22V 5V LDO REF 2.048V + GPIO2 6.3V 4 735k 735k VOLTAGE 12 ∆∑ ADC CURRENT POWER ADIN TIME COUNTER – 13 1.22V CHARGE 15k 15k ENERGY + GPIO1 3 OSC GND CLKIN CLKOUT 11 9 10 2946BD
TIMING DIAGRAM
SDA tSP tSU,DAT t t HD,DATO SU,STA tBUF t t HD,STA t HD,DATI SU,STO tSP 2946 TD SCL tHD,STA REPEATED START REPEATED START STOP START CONDITION CONDITION CONDITION CONDITION 2946fa 10 For more information www.linear.com/LTC2946 Document Outline Features Applications Description Typical Application Absolute Maximum Ratings Pin Configuration Order Information Electrical Characteristics Typical Performance Characteristics Pin Functions Block Diagram Timing Diagram Operation Applications Information Typical Applications Package Description Typical Application Related Parts