Datasheet LTC3874 (Analog Devices) - 8

FabricanteAnalog Devices
DescripciónPolyPhase Step-Down Synchronous Slave Controller with Sub-Milliohm DCR Sensing
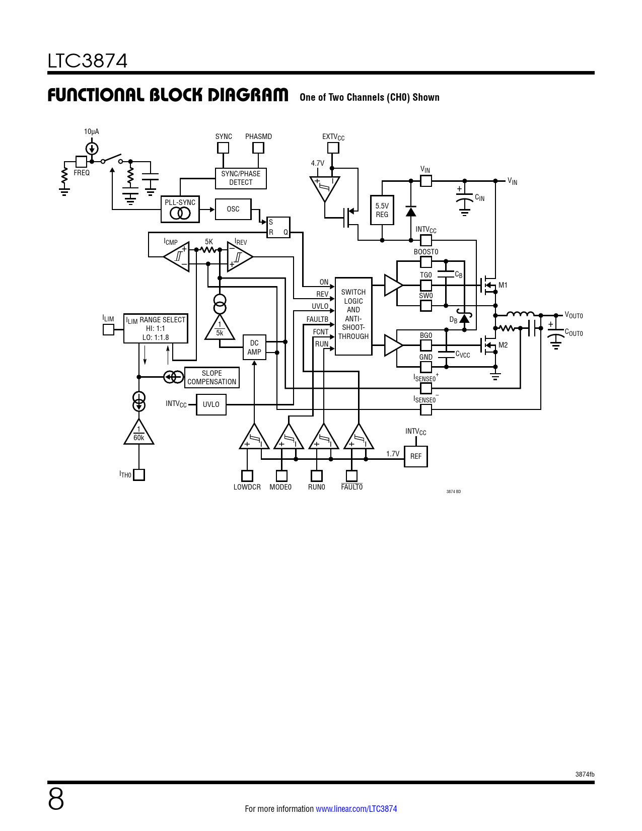
Páginas / Página30 / 8 — FUNCTIONAL BLOCK DIAGRAM One of Two Channels (CH0) Shown
Formato / tamaño de archivoPDF / 919 Kb
Idioma del documentoInglés

FUNCTIONAL BLOCK DIAGRAM One of Two Channels (CH0) Shown

FUNCTIONAL BLOCK DIAGRAM One of Two Channels (CH0) Shown

Línea de modelo para esta hoja de datos

Versión de texto del documento

LTC3874
FUNCTIONAL BLOCK DIAGRAM One of Two Channels (CH0) Shown
10µA SYNC PHASMD EXTVCC 4.7V VIN FREQ SYNC/PHASE + – V DETECT IN + CIN PLL-SYNC OSC 5.5V REG S INTVCC R Q ICMP 5K IREV + – BOOST0 – + TG0 CB ON M1 REV SWITCH SW0 LOGIC UVLO AND I V LIM I FAULTB ANTI- D OUT0 LIM RANGE SELECT B 1 + HI: 1:1 5k FCNT SHOOT- THROUGH BG0 COUT0 LO: 1:1.8 DC RUN M2 AMP CVCC GND SLOPE I + SENSE0 COMPENSATION I – INTV SENSE0 CC UVLO 1 INTVCC 60k + – + – + – + – 1.7V REF ITH0 LOWDCR MODE0 RUN0 FAULT0 3874 BD 3874fb 8 For more information www.linear.com/LTC3874 Document Outline Features Applications Description Typical Application Absolute Maximum Ratings Pin Configuration Order Information Electrical Characteristics Typical Performance Characteristics Pin Functions Functional Block Diagram Operation Applications Information Package Description Typical Application Related Parts Features Applications Typical Application Description Absolute Maximum Ratings Order Information Pin Configuration Electrical Characteristics Typical Performance Characteristics Pin Functions Functional Block Diagram Operation Applications Information Package Description Revision History Typical Application Related Parts