Datasheet LT3640 (Analog Devices) - 9
| Fabricante | Analog Devices |
| Descripción | Dual Monolithic Buck Regulator with Power-On Reset and Watchdog Timer |
| Páginas / Página | 24 / 9 — LT3640. block. DiagraM. CIN. VIN. 2µA. DBST. BST. EN/. 100k. UVLO. +. C. … |
| Formato / tamaño de archivo | PDF / 523 Kb |
| Idioma del documento | Inglés |
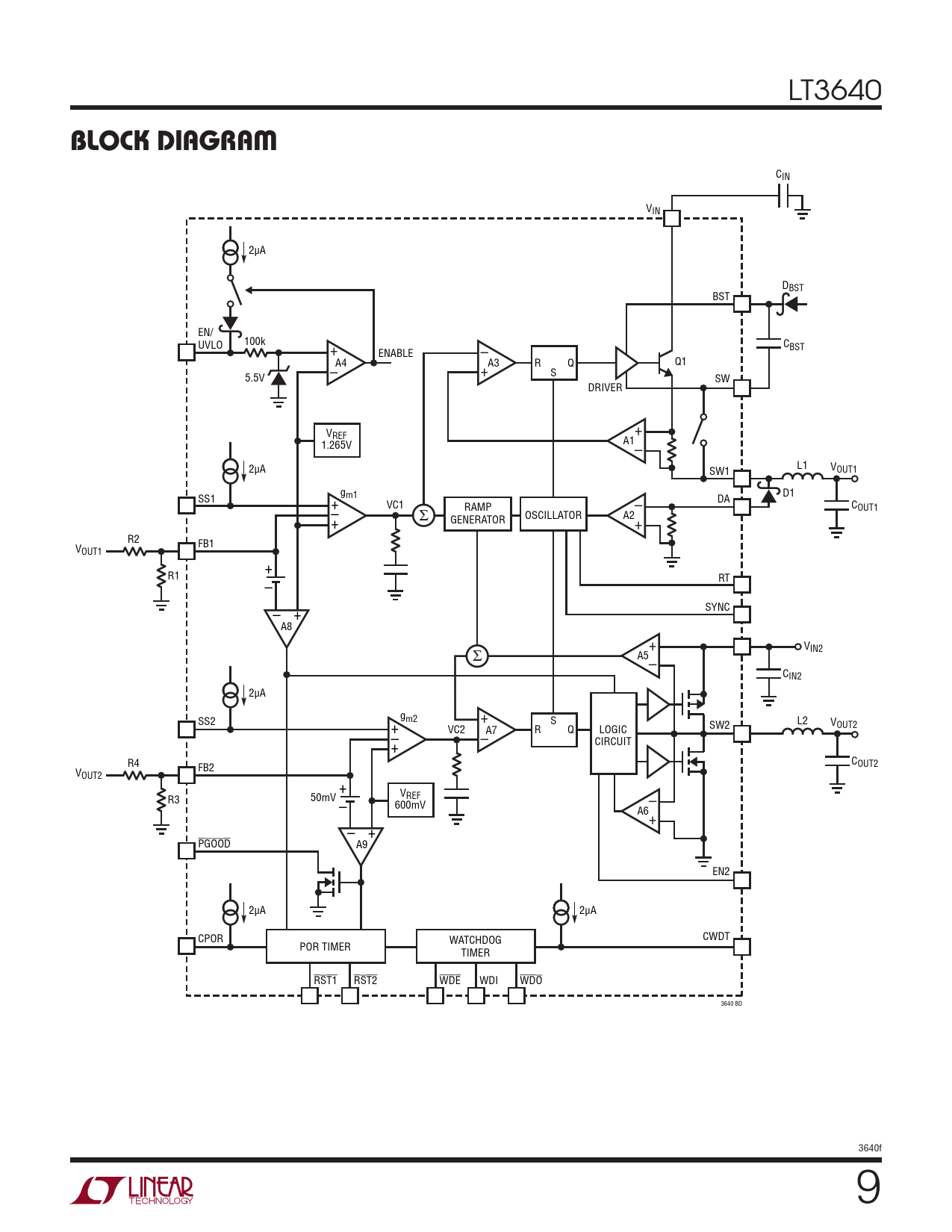
LT3640. block. DiagraM. CIN. VIN. 2µA. DBST. BST. EN/. 100k. UVLO. +. C. ENABLE. –. BST. +A3. R. Q. Q1. 5.5V. –A4. S. SW. DRIVER. VREF. +. A1. 1.265V. –. 2µA. SW1. L1. VOUT1. g. SS1. D1. +. m1. VC1

Línea de modelo para esta hoja de datos
Versión de texto del documento
LT3640 block DiagraM CIN VIN 2µA DBST BST EN/ 100k UVLO + C ENABLE – BST +A3 R Q Q1 5.5V –A4 S SW DRIVER VREF + A1 1.265V – 2µA SW1 L1 VOUT1 g SS1 D1 + m1 VC1 DA RAMP – COUT1 +– 3 OSCILLATOR A2 GENERATOR + R2 V FB1 OUT1 + R1 RT – SYNC – + A8 + 3 VIN2 A5 – CIN2 2µA g SS2 + + m2 S L2 V VC2 SW2 R Q LOGIC OUT2 +– –A7 CIRCUIT R4 COUT2 V FB2 OUT2 + VREF R3 50mV 600mV – – A6 + – + PGOOD A9 EN2 2µA 2µA CPOR WATCHDOG CWDT POR TIMER TIMER RST1 RST2 WDE WDI WDO 3640 BD 3640f Document Outline Features Applications Description Typical Application Absolute Maximum Ratings Pin Configuration Order Information Electrical Characteristics Typical Performance Characteristics Pin Functions Block Diagram Timing Diagrams Operation Applications Information Typical Applications Package Description Typical Application Related Parts