Datasheet LT3653 (Analog Devices) - 6
| Fabricante | Analog Devices |
| Descripción | 1.2A, HV Input Regulator with Output Current Limit for Battery Charger Applications |
| Páginas / Página | 12 / 6 — BLOCK DIAGRAM |
| Formato / tamaño de archivo | PDF / 146 Kb |
| Idioma del documento | Inglés |
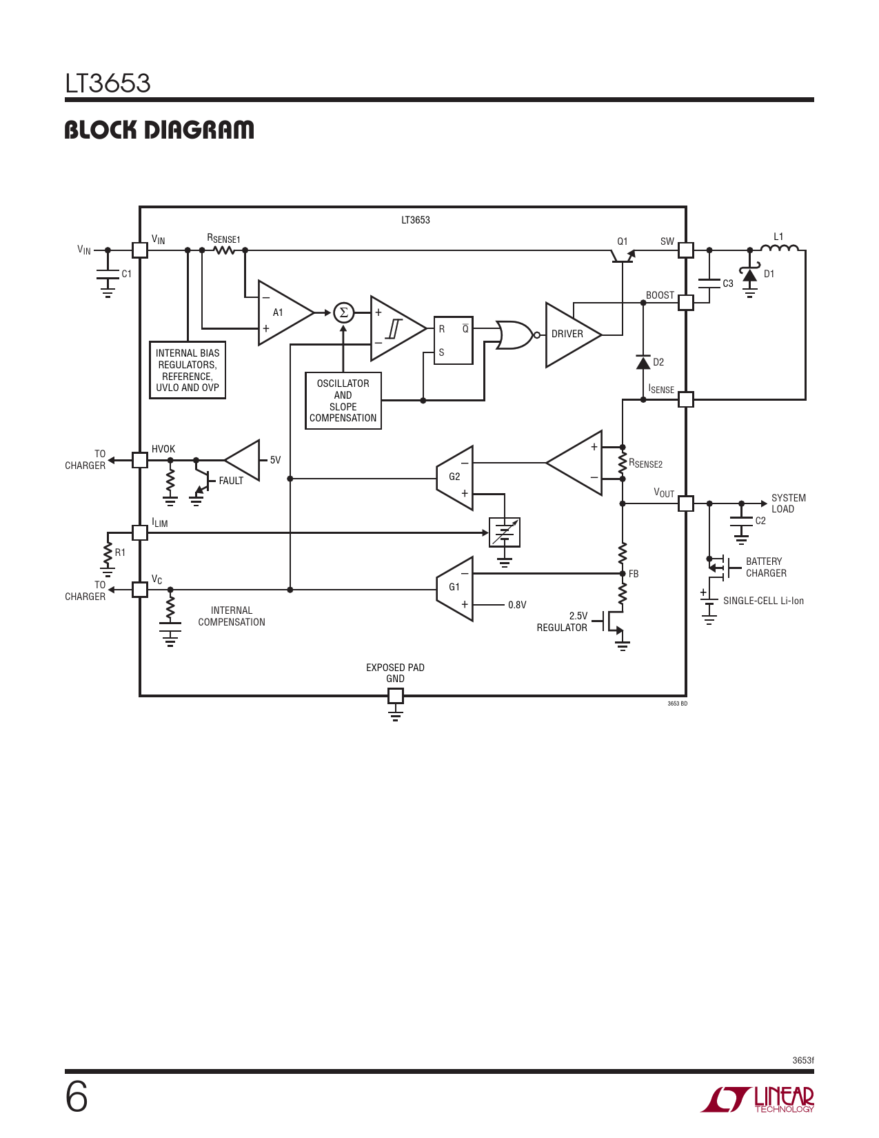
BLOCK DIAGRAM

Línea de modelo para esta hoja de datos
Versión de texto del documento
LT3653
BLOCK DIAGRAM
LT3653 V RSENSE1 L1 IN Q1 SW VIN C1 D1 C3 – BOOST A1 3 + + R Q DRIVER – INTERNAL BIAS S REGULATORS, D2 REFERENCE, UVLO AND OVP OSCILLATOR ISENSE AND SLOPE COMPENSATION HVOK + TO – 5V R CHARGER SENSE2 FAULT G2 – + VOUT SYSTEM LOAD I C2 LIM R1 BATTERY – FB CHARGER V TO C G1 + CHARGER + SINGLE-CELL Li-Ion 0.8V INTERNAL 2.5V COMPENSATION REGULATOR EXPOSED PAD GND 3653 BD 3653f 6