Datasheet MIC4609 (Microchip) - 2

FabricanteMicrochip
Descripción600V 3-Phase MOSFET/IGBT Driver
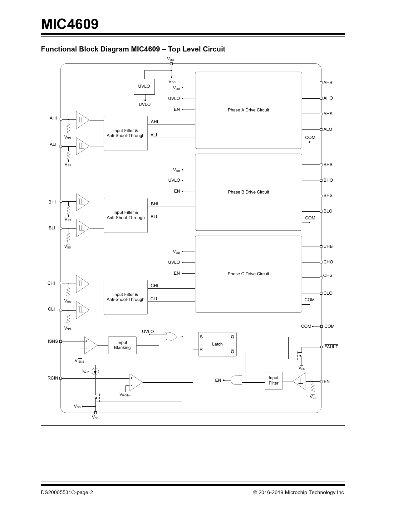
Páginas / Página36 / 2 — MIC4609. Functional Block Diagram MIC4609 – Top Level Circuit
Formato / tamaño de archivoPDF / 782 Kb
Idioma del documentoInglés

MIC4609. Functional Block Diagram MIC4609 – Top Level Circuit

MIC4609 Functional Block Diagram MIC4609 – Top Level Circuit

Línea de modelo para esta hoja de datos

Versión de texto del documento

MIC4609 Functional Block Diagram MIC4609 – Top Level Circuit
VDD VDD AHB UVLO VDD UVLO AHO UVLO EN Phase A Drive Circuit AHS AHI AHI ALO Input Filter & ALI Anti-Shoot-Through VSS COM ALI VSS BHB VDD UVLO BHO EN Phase B Drive Circuit BHS BHI BHI BLO Input Filter & BLI Anti-Shoot-Through COM VSS BLI VSS CHB VDD UVLO CHO EN Phase C Drive Circuit CHS CHI CHI CLO Input Filter & CLI Anti-Shoot-Through COM VSS CLI COM COM VSS UVLO S Q ISNS + Input Latch - Blanking _ FAULT R Q VISNS V I SS RCIN RCIN + Input EN EN Filter - VRCIN+ VSS VSS VSS DS20005531C-page 2  2016-2019 Microchip Technology Inc. Document Outline 600V 3-Phase MOSFET/IGBT Driver Features Typical Applications General Description Package Type Functional Block Diagram MIC4609 – Top Level Circuit Functional Block Diagram MIC4609 – Phase x Drive Circuit Typical Application Circuit MIC4609 – 300V, 3-Phase Motor Driver 1.0 Electrical Characteristics Absolute Maximum Ratings Operating Ratings AC/DC Electrical Characteristics Temperature Characteristics 2.0 Typical Performance Curves FIGURE 2-1: VDD Quiescent Current vs. VDD Voltage. FIGURE 2-2: VDD Quiescent Current vs. Temperature. FIGURE 2-3: VHB Quiescent Current vs. VHB Voltage. FIGURE 2-4: VHB Quiescent Current vs. Temperature. FIGURE 2-5: VDD+HB Shutdown Current vs. Voltage. FIGURE 2-6: VDD+HB Shutdown Current vs. Temperature. FIGURE 2-7: VDD+HB Shutdown Current vs. Voltage. FIGURE 2-8: VDD+HB Shutdown Current vs. Temperature. FIGURE 2-9: VDD Operating Current vs. Frequency. FIGURE 2-10: VHB Operating Current vs. Frequency – One Phase. FIGURE 2-11: HO Output Sink ON-Resistance vs. VDD. FIGURE 2-12: HO Output Sink ON-Resistance vs. Temperature. FIGURE 2-13: LO Output Sink ON-Resistance vs. VDD. FIGURE 2-14: LO Output Sink ON-Resistance vs. Temperature. FIGURE 2-15: HO Output Source ON-Resistance vs. VDD. FIGURE 2-16: HO Output Source ON-Resistance vs. Temperature. FIGURE 2-17: LO Output Source ON-Resistance vs. VDD. FIGURE 2-18: LO Output Source ON-Resistance vs. Temperature. FIGURE 2-19: VDD/VHB ULVO vs. Temperature. FIGURE 2-20: Propagation Delay vs. VDD Voltage. FIGURE 2-21: Propagation Delay vs. Temperature. FIGURE 2-22: HO Rise Time vs. VDD Voltage. FIGURE 2-23: HO Fall Time vs. VDD Voltage. FIGURE 2-24: LO Rise Time vs. VDD Voltage. FIGURE 2-25: LO Fall Time vs. VDD Voltage. FIGURE 2-26: Rise/Fall Time vs. Temperature (VDD = 10V). FIGURE 2-27: Rise/Fall Time vs. Temperature (VDD = 20V). FIGURE 2-28: Dead Time vs. VDD Voltage. FIGURE 2-29: Dead Time vs. Temperature (VDD = 10V). FIGURE 2-30: Dead Time vs. Temperature (VDD = 20V). FIGURE 2-31: Overcurrent Threshold vs. VDD Voltage. FIGURE 2-32: Overcurrent Threshold vs. Temperature. FIGURE 2-33: Overcurrent Propagation Delay vs. VDD Voltage. FIGURE 2-34: Overcurrent Propagation Delay vs. Temperature. 3.0 Pin Descriptions TABLE 3-1: Pin Function Table 4.0 Functional Description 4.1 UVLO Protection 4.2 Startup and UVLO FIGURE 4-1: Startup and Fault Timing Diagram. TABLE 4-1: Operational Truth Table 4.3 Enable Inputs 4.4 Input Stage FIGURE 4-2: Input Stage Block Diagram. FIGURE 4-3: Minimum Pulse-Width Diagram. 4.5 Dead Time and Anti-Shoot-Through Protection FIGURE 4-4: Dead Time, Propagation Delay, and Rise/Fall-Time Diagram. 4.6 Low-Side Driver Output Stage FIGURE 4-5: Low-Side Driver Block Diagram. 4.7 High-Side Driver and Bootstrap Circuit FIGURE 4-6: High-Side Driver and Bootstrap Circuit Block Diagram. FIGURE 4-7: MIC4609 Motor Driver Typical Application – Phase A. 4.8 Overcurrent Protection Circuitry FIGURE 4-8: Overcurrent Fault Sequence. 5.0 Application Information 5.1 Bootstrap Circuit FIGURE 5-1: MIC4609 – Bootstrap Circuit. 5.2 HS Node Clamp FIGURE 5-2: Negative HS Pin Voltage. 5.3 Power Dissipation Considerations FIGURE 5-3: MIC4609 High-Side Driving an External IGBT. FIGURE 5-4: Typical Gate Charge vs. VGE. 5.4 Decoupling Capacitor Selection 5.5 Grounding, Component Placement, and Circuit Layout FIGURE 5-5: Turn-On Current Paths. FIGURE 5-6: Turn-Off Current Paths. 6.0 Packaging Information 6.1 Package Marking Information 28-Lead SOICW Package Outline and Recommended Land Pattern Appendix A: Revision History Revision C (September 2019) Revision B (November 2017) Revision A (March 2016) Product Identification System Trademark Worldwide Sales and Service