Datasheet OP200 (Analog Devices) - 3

FabricanteAnalog Devices
DescripciónDual Low Offset, Low Power Operational Amplifier
Páginas / Página16 / 3 — Data Sheet. OP200. BIAS. OUT. VOLTAGE. LIMITING. NETWORK. +IN. –IN
RevisiónG
Formato / tamaño de archivoPDF / 363 Kb
Idioma del documentoInglés

Data Sheet. OP200. BIAS. OUT. VOLTAGE. LIMITING. NETWORK. +IN. –IN

Data Sheet OP200 BIAS OUT VOLTAGE LIMITING NETWORK +IN –IN

Línea de modelo para esta hoja de datos

Versión de texto del documento

Data Sheet OP200 V+ BIAS OUT VOLTAGE LIMITING NETWORK +IN –IN
003
V–
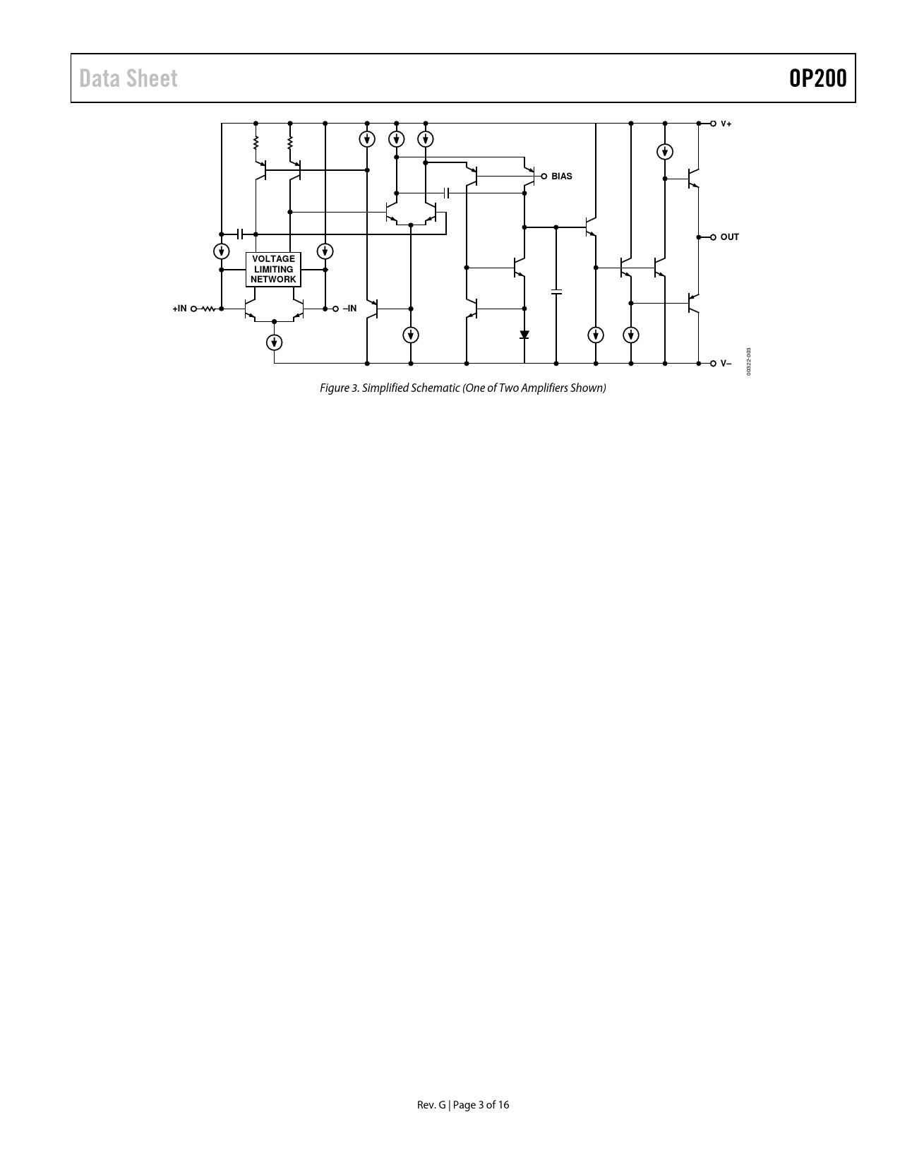
00322- Figure 3. Simplified Schematic (One of Two Amplifiers Shown) Rev. G | Page 3 of 16 Document Outline FEATURES PIN CONNECTIONS GENERAL DESCRIPTION REVISION HISTORY SPECIFICATIONS ELECTRICAL CHARACTERISTICS ABSOLUTE MAXIMUM RATINGS THERMAL RESISTANCE ESD CAUTION TYPICAL PERFORMANCE CHARACTERISTICS APPLICATIONS INFORMATION DUAL LOW POWER INSTRUMENTATION AMPLIFIER PRECISION ABSOLUTE VALUE AMPLIFIER PRECISION CURRENT PUMP DUAL 12-BIT VOLTAGE OUTPUT DAC DUAL PRECISION VOLTAGE REFERENCE PROGRAMMABLE HIGH RESOLUTION WINDOW COMPARATOR OUTLINE DIMENSIONS ORDERING GUIDE