Datasheet XL6009 - 7
| Descripción | 400KHz 60V 4A Switching Current Boost / Buck-Boost / Inverting DC/DC Converter |
| Páginas / Página | 8 / 7 — XL6009. 400KHz 60V 4A Switching Current Boost / Buck-Boost / Inverting … |
| Formato / tamaño de archivo | PDF / 250 Kb |
| Idioma del documento | Inglés |
XL6009. 400KHz 60V 4A Switching Current Boost / Buck-Boost / Inverting DC/DC Converter

Versión de texto del documento
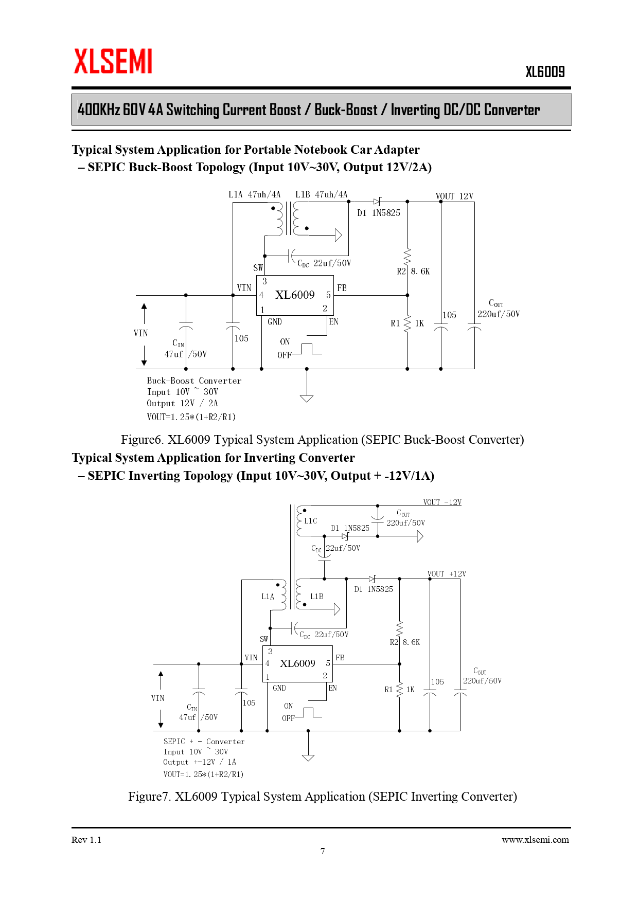
XL6009 400KHz 60V 4A Switching Current Boost / Buck-Boost / Inverting DC/DC Converter Typical System Application for Portable Notebook Car Adapter – SEPIC Buck-Boost Topology (Input 10V~30V, Output 12V/2A)
Figure6. XL6009 Typical System Application (SEPIC Buck-Boost Converter)
Typical System Application for Inverting Converter – SEPIC Inverting Topology (Input 10V~30V, Output + -12V/1A)
Figure7. XL6009 Typical System Application (SEPIC Inverting Converter) Rev 1.1 www.xlsemi.com 7