Datasheet XL6019 - 3
| Descripción | 180KHz 60V 5A Switching Current Boost / Buck-Boost / Inverting DC/DC Converter |
| Páginas / Página | 13 / 3 — XL6019. 180KHz 60V 5A Switching Current Boost / Buck-Boost / Inverting … |
| Formato / tamaño de archivo | PDF / 309 Kb |
| Idioma del documento | Inglés |
XL6019. 180KHz 60V 5A Switching Current Boost / Buck-Boost / Inverting DC/DC Converter. Function Block

Línea de modelo para esta hoja de datos
Versión de texto del documento
XL6019 180KHz 60V 5A Switching Current Boost / Buck-Boost / Inverting DC/DC Converter Function Block
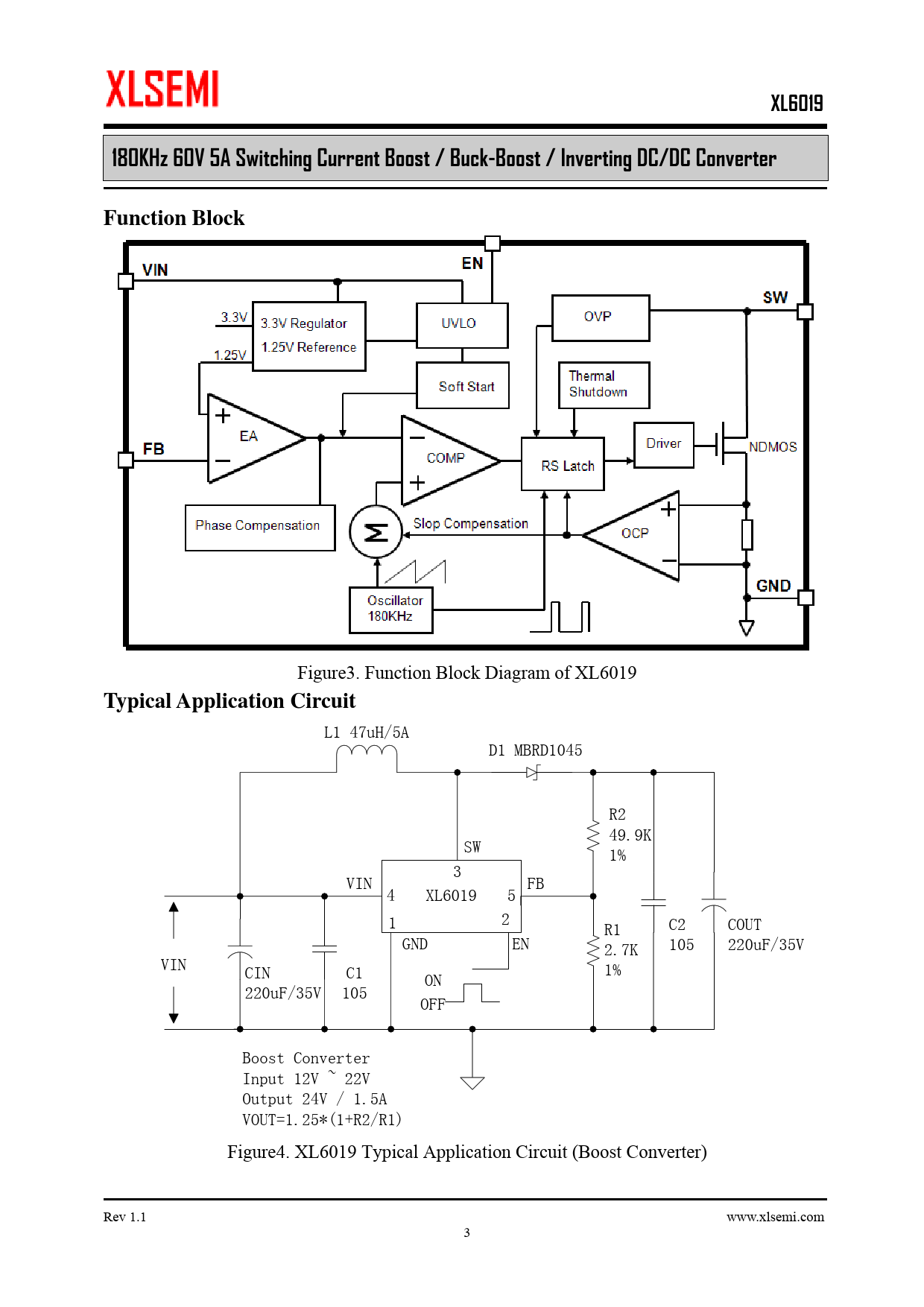
Figure3. Function Block Diagram of XL6019
Typical Application Circuit
L1 47uH/5A D1 MBRD1045 R2 49.9K SW 1% 3 VIN FB 4 XL6019 5 1 2 R1 C2 COUT GND EN 2.7K 105 220uF/35V VIN CIN C1 1% ON 220uF/35V 105 OFF Boost Converter Input 12V ~ 22V Output 24V / 1.5A VOUT=1.25*(1+R2/R1) Figure4. XL6019 Typical Application Circuit (Boost Converter) Rev 1.1 www.xlsemi.com 3