Datasheet LT1719 (Analog Devices) - 8
| Fabricante | Analog Devices |
| Descripción | 4.5ns Single/Dual Supply 3V/5V Comparator with Rail-to-Rail Output |
| Páginas / Página | 22 / 8 — TEST CIRCUITS. Response Time Test Circuit. ±VTRIP Test Circuit |
| Formato / tamaño de archivo | PDF / 220 Kb |
| Idioma del documento | Inglés |
TEST CIRCUITS. Response Time Test Circuit. ±VTRIP Test Circuit

Línea de modelo para esta hoja de datos
Versión de texto del documento
LT1719
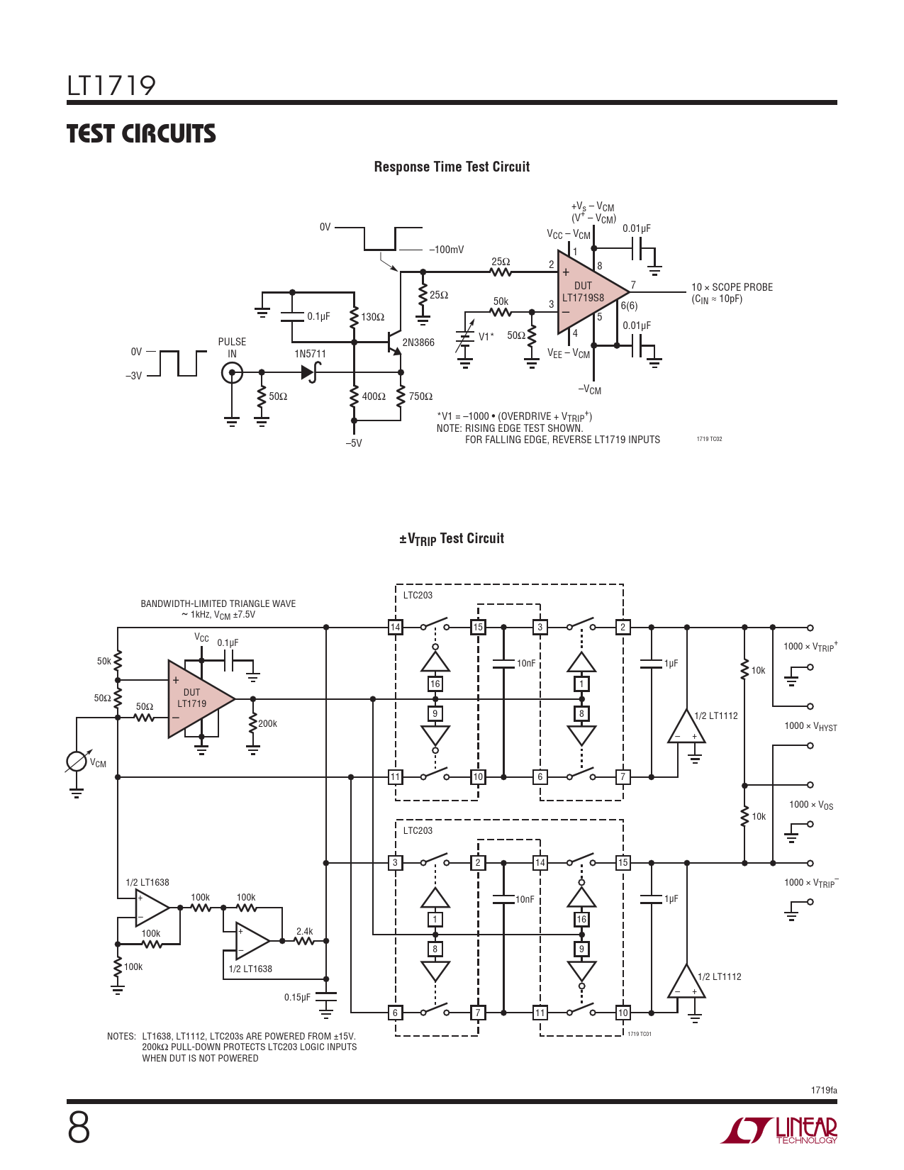
TEST CIRCUITS Response Time Test Circuit
+Vs – VCM (V+ – VCM) 0V V 0.01μF CC – VCM –100mV 1 25Ω 2 + 8 DUT 7 10 × SCOPE PROBE 25Ω 50k LT1719S8 (C 3 IN ≈ 10pF) 0.1μF – 6(6) 130Ω 5 0.01μF 4 V1* 50Ω PULSE 2N3866 0V IN 1N5711 VEE – VCM –3V –VCM 50Ω 400Ω 750Ω *V1 = –1000 • (OVERDRIVE + V + TRIP ) NOTE: RISING EDGE TEST SHOWN. –5V 1719 TC02 FOR FALLING EDGE, REVERSE LT1719 INPUTS
±VTRIP Test Circuit
LTC203 BANDWIDTH-LIMITED TRIANGLE WAVE ~ 1kHz, VCM ±7.5V 14 15 3 2 VCC 0.1μF 1000 × V + TRIP 50k 10nF 1μF 10k + 16 1 DUT 50Ω LT1719 50Ω – 9 8 1/2 LT1112 200k 1000 × VHYST – + VCM 11 10 6 7 1000 × VOS 10k LTC203 3 2 14 15 1/2 LT1638 1000 × V – TRIP + 100k 100k 10nF 1μF – 1 16 + 2.4k 100k – 8 9 100k 1/2 LT1638 1/2 LT1112 – + 0.15μF 6 7 11 10 1719 TC01 NOTES: LT1638, LT1112, LTC203s ARE POWERED FROM ±15V. 200kΩ PULL-DOWN PROTECTS LTC203 LOGIC INPUTS WHEN DUT IS NOT POWERED 1719fa 8