Datasheet OP179, OP279 (Analog Devices) - 10

FabricanteAnalog Devices
DescripciónRail-to-Rail High Output Current Operational Amplifier
Páginas / Página16 / 10 — OP179/OP279. TX GAIN ADJUST. 9.09k. TRANSMIT. TO TELEPHONE. 0.1. TXA. …
RevisiónG
Formato / tamaño de archivoPDF / 260 Kb
Idioma del documentoInglés

OP179/OP279. TX GAIN ADJUST. 9.09k. TRANSMIT. TO TELEPHONE. 0.1. TXA. 10k. LINE. 1:1. 6.2V. A Single-Supply, Balanced Line Driver. 110. 5V DC. R10

OP179/OP279 TX GAIN ADJUST 9.09k TRANSMIT TO TELEPHONE 0.1 TXA 10k LINE 1:1 6.2V A Single-Supply, Balanced Line Driver 110 5V DC R10

Línea de modelo para esta hoja de datos

Versión de texto del documento

OP179/OP279 P1
The AMP04 is configured for a gain of 100, producing a circuit
TX GAIN ADJUST R2
sensitivity of 80 mV/Ω. Capacitor C2 is used across the AMP04’s
9.09k

C1 TRANSMIT
Pins 8 and 6 to provide a 16-Hz noise filter. If additional noise
R1 TO TELEPHONE 2k

0.1

F TXA R3 10k 2
⍀ filtering is required, an optional capacitor, C
LINE
X, can be used across
55

1:1 1 A1
the AMP04’s input to provide differential-mode noise rejection.
3 R5 6.2V ZO 10k

A Single-Supply, Balanced Line Driver 110

R4 6.2V
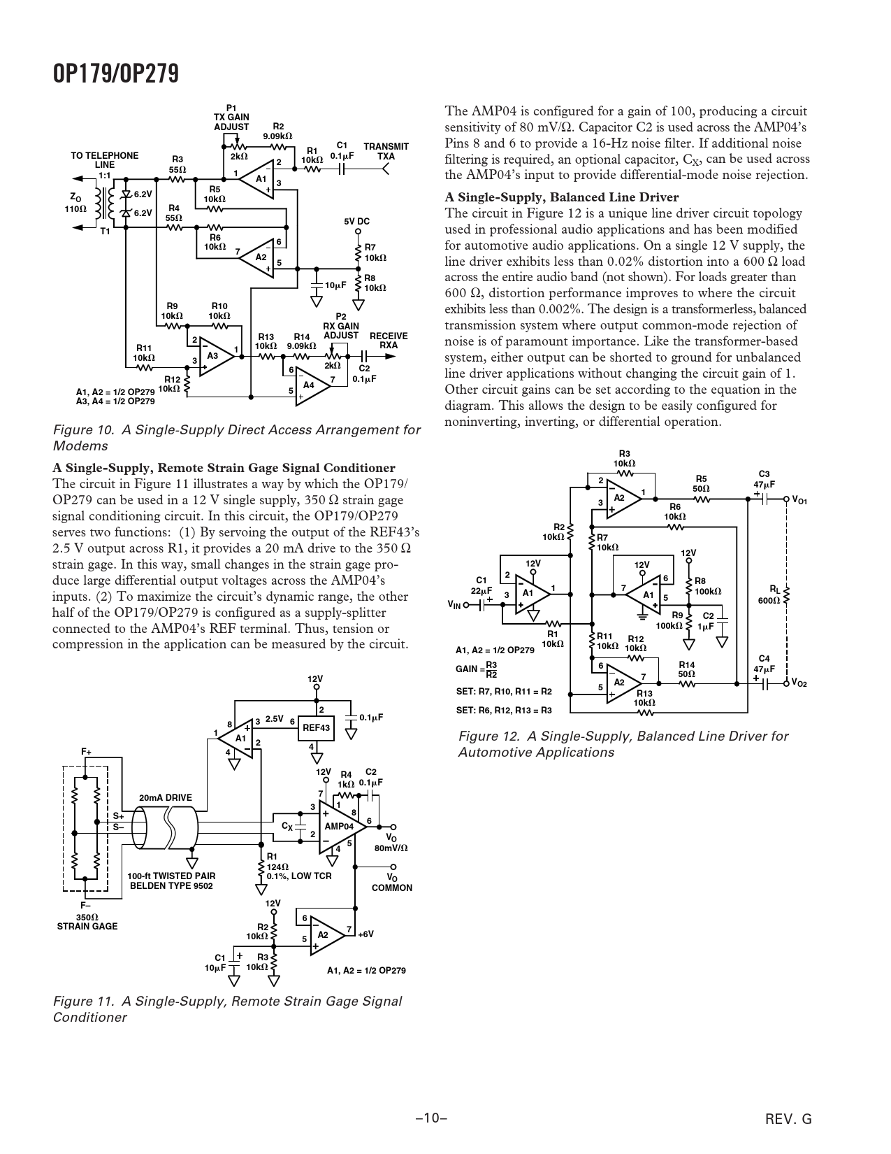
The circuit in Figure 12 is a unique line driver circuit topology
55

5V DC T1
used in professional audio applications and has been modified
R6 6 10k
⍀ for automotive audio applications. On a single 12 V supply, the
7 R7 A2 10k

5
line driver exhibits less than 0.02% distortion into a 600 Ω load
R8
across the entire audio band (not shown). For loads greater than
10

F 10k
⍀ 600 Ω, distortion performance improves to where the circuit
R9 R10
exhibits less than 0.002%. The design is a transformerless, balanced
10k

10k

P2 RX GAIN
transmission system where output common-mode rejection of
R13 R14 ADJUST RECEIVE 2
noise is of paramount importance. Like the transformer-based
10k

9.09k R11

RXA 1 A3 10k

3
system, either output can be shorted to ground for unbalanced
2k

6 C2
line driver applications without changing the circuit gain of 1.
R12 7 0.1

F A4 A1, A2 = 1/2 OP279 10k

5
Other circuit gains can be set according to the equation in the
A3, A4 = 1/2 OP279
diagram. This allows the design to be easily configured for noninverting, inverting, or differential operation. Figure 10. A Single-Supply Direct Access Arrangement for Modems
R3 A Single-Supply, Remote Strain Gage Signal Conditioner 10k

C3
The circuit in Figure 11 illustrates a way by which the OP179/
2 R5 47

F 1 50
⍀ OP279 can be used in a 12 V single supply, 350 Ω strain gage
A2 3 VO1 R6
signal conditioning circuit. In this circuit, the OP179/OP279
10k
⍀ serves two functions: (1) By servoing the output of the REF43’s
R2 10k

R7
2.5 V output across R1, it provides a 20 mA drive to the 350 Ω
10k

12V
strain gage. In this way, small changes in the strain gage pro-
12V 12V
duce large differential output voltages across the AMP04’s
2 C1 6 R8 1 7 R
inputs. (2) To maximize the circuit’s dynamic range, the other
22

F 100k L 3 A1 A1

5 600

V
half of the OP179/OP279 is configured as a supply-splitter
IN R9 C2
connected to the AMP04’s REF terminal. Thus, tension or
100k

1

F R1 R11
compression in the application can be measured by the circuit.
R12 10k

10k

10k A1, A2 = 1/2 OP279

C4 6 R14 GAIN = R3 47

F R2 50

12V 7 A2 V 5 O2 SET: R7, R10, R11 = R2 R13 10k

2 SET: R6, R12, R13 = R3 2.5V 0.1

F 3 6 8 REF43 1 A1
Figure 12. A Single-Supply, Balanced Line Driver for
2 4 F+ 4
Automotive Applications
12V C2 R4 0.1 1k
⍀ ␮
F 7 20mA DRIVE 1 3 8 S+ 6 S– CX AMP04 2 VO 5 4 80mV/

R1 124

100-ft TWISTED PAIR 0.1%, LOW TCR VO BELDEN TYPE 9502 COMMON F– 12V 350

6 STRAIN GAGE R2 7 A2 10k

+6V 5 C1 R3 10

F 10k

A1, A2 = 1/2 OP279
Figure 11. A Single-Supply, Remote Strain Gage Signal Conditioner –10– REV. G