Datasheet LTC2337-18 (Analog Devices) - 9
| Fabricante | Analog Devices |
| Descripción | 18-Bit, 500ksps, ±10.24V True Bipolar, Fully Differential Input ADC with 100dB SNR |
| Páginas / Página | 26 / 9 — FUNCTIONAL BLOCK DIAGRAM |
| Formato / tamaño de archivo | PDF / 749 Kb |
| Idioma del documento | Inglés |
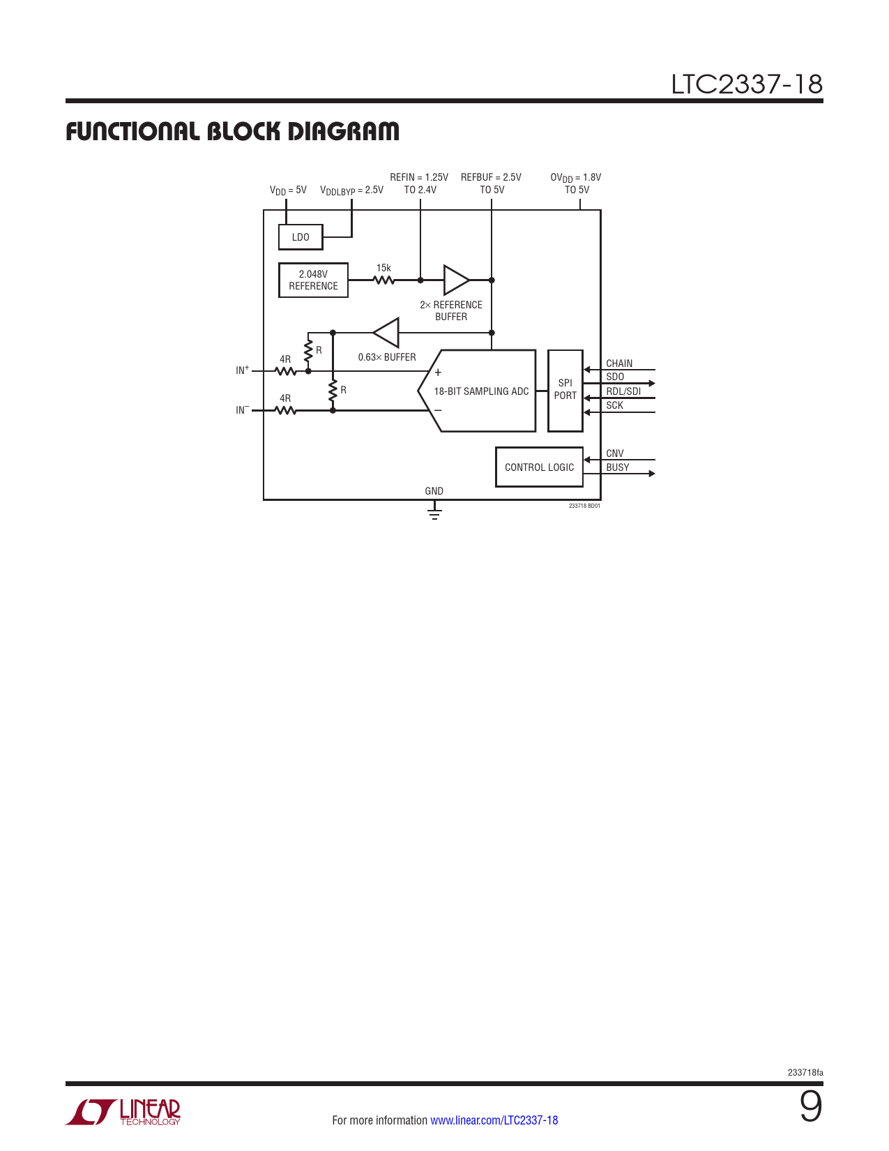
FUNCTIONAL BLOCK DIAGRAM

Línea de modelo para esta hoja de datos
Versión de texto del documento
LTC2337-18
FUNCTIONAL BLOCK DIAGRAM
REFIN = 1.25V REFBUF = 2.5V OVDD = 1.8V VDD = 5V VDDLBYP = 2.5V TO 2.4V TO 5V TO 5V LDO 2.048V 15k REFERENCE 2× REFERENCE BUFFER R 4R 0.63× BUFFER CHAIN IN+ + SDO SPI R 18-BIT SAMPLING ADC RDL/SDI PORT 4R IN– SCK – CNV CONTROL LOGIC BUSY GND 233718 BD01 233718fa For more information www.linear.com/LTC2337-18 9 Document Outline Features Applications Typical Application Description Absolute Maximum Ratings Order Information Pin Configuration Electrical Characteristics Converter Characteristics Dynamic Accuracy Internal Reference Characteristics Reference Buffer Characteristics Digital Inputs and Digital Outputs Power Requirements ADC Timing Characteristics Typical Performance Characteristics Pin Functions Functional Block Diagram Timing Diagram Applications Information Board Layout Package Description Revision History Typical Application Related Parts