Datasheet LTC2338-18 (Analog Devices) - 9
| Fabricante | Analog Devices |
| Descripción | 18-Bit, 1Msps, ±10.24V True Bipolar, Fully Differential Input ADC with 100dB SNR |
| Páginas / Página | 26 / 9 — FUNCTIONAL BLOCK DIAGRAM |
| Formato / tamaño de archivo | PDF / 1.8 Mb |
| Idioma del documento | Inglés |
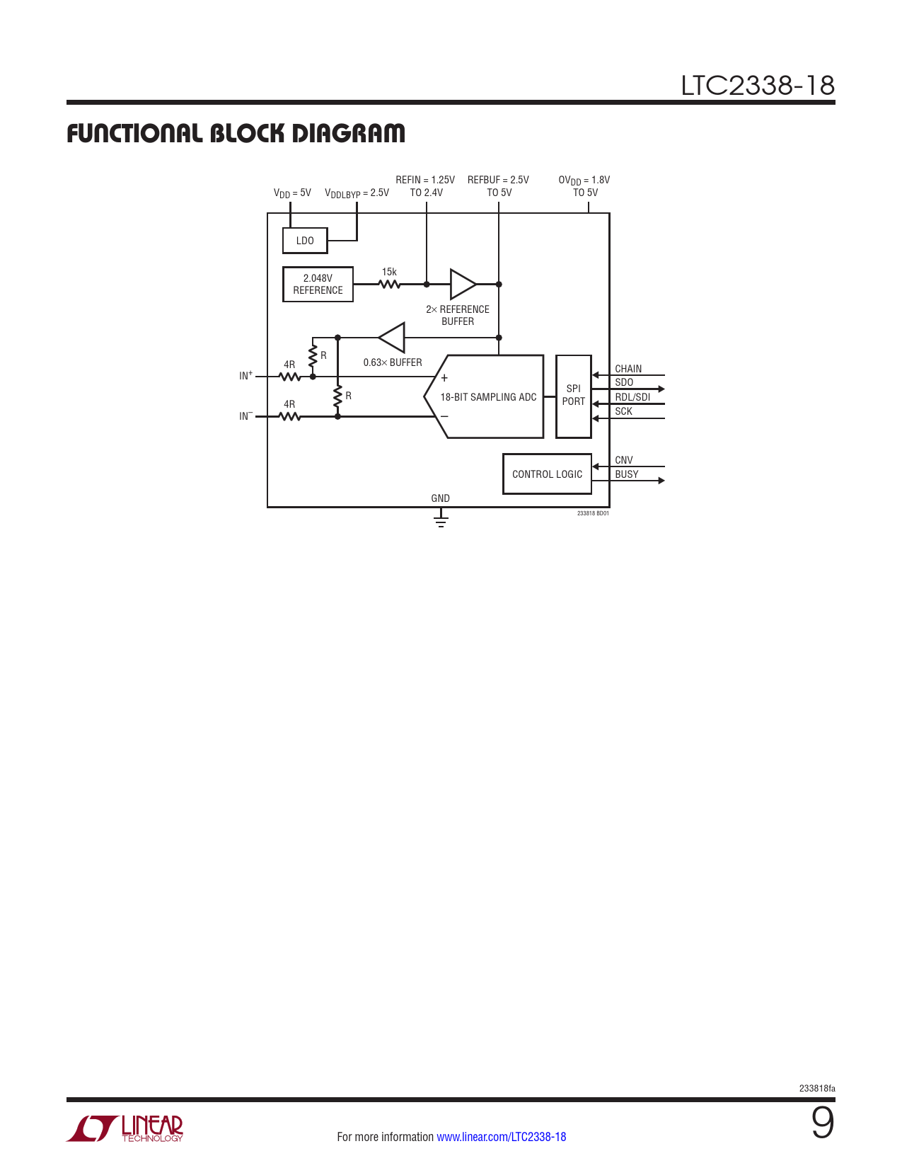
FUNCTIONAL BLOCK DIAGRAM

Línea de modelo para esta hoja de datos
Versión de texto del documento
LTC2338-18
FUNCTIONAL BLOCK DIAGRAM
REFIN = 1.25V REFBUF = 2.5V OVDD = 1.8V VDD = 5V VDDLBYP = 2.5V TO 2.4V TO 5V TO 5V LDO 2.048V 15k REFERENCE 2× REFERENCE BUFFER R 4R 0.63× BUFFER CHAIN IN+ + SDO SPI R 18-BIT SAMPLING ADC RDL/SDI PORT 4R IN– SCK – CNV CONTROL LOGIC BUSY GND 233818 BD01 233818fa For more information www.linear.com/LTC2338-18 9 Document Outline Features Applications Typical Application Description Absolute Maximum Ratings Order Information Electrical Characteristics Pin Configuration Converter Characteristics Dynamic Accuracy Internal Reference Characteristics Reference Buffer Characteristics Digital Inputs and Digital Outputs Power Requirements ADC Timing Characteristics Typical Performance Characteristics Pin Functions Functional Block Diagram Timing Diagram Applications Information Board Layout Package Description Revision History Typical Application Related Parts