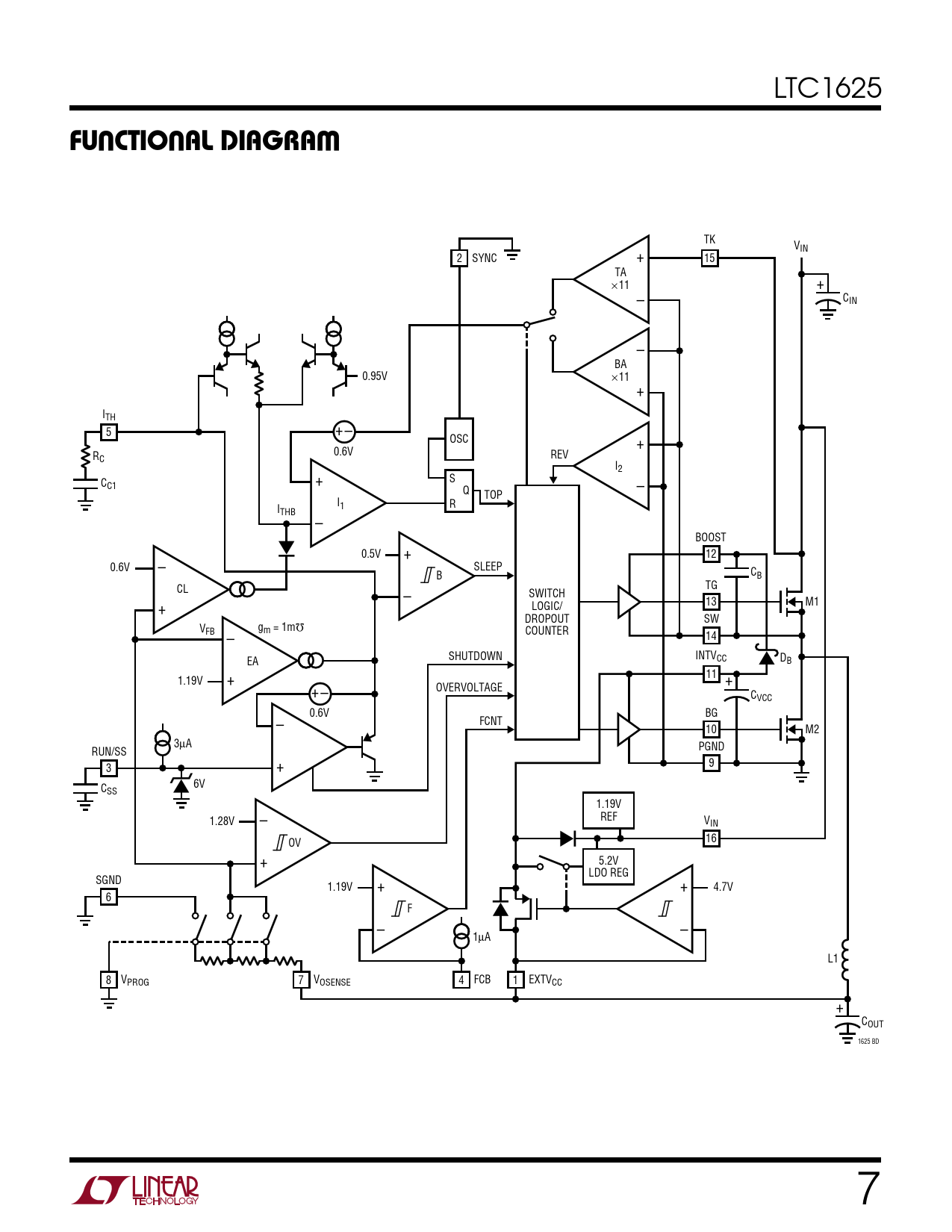
Datasheet LTC1625 (Analog Devices) - 7
| Fabricante | Analog Devices |
| Descripción | No RSENSE Current Mode Synchronous Step-Down Switching Regulator |
| Páginas / Página | 24 / 7 — FUNCTIONAL DIAGRA |
| Formato / tamaño de archivo | PDF / 392 Kb |
| Idioma del documento | Inglés |
FUNCTIONAL DIAGRA

Línea de modelo para esta hoja de datos
Versión de texto del documento
LTC1625
U U W FUNCTIONAL DIAGRA
TK VIN 2 SYNC + 15 TA ×11 + C – IN – BA 0.95V ×11 + ITH 5 + – OSC + 0.6V R REV C I2 + C S C1 Q – TOP I I 1 R THB – BOOST + 0.5V 12 – 0.6V SLEEP C B B TG CL – SWITCH + 13 M1 LOGIC/ Ω DROPOUT SW V g FB – m = 1m COUNTER 14 SHUTDOWN INTVCC D EA B + 11 1.19V + OVERVOLTAGE + – CVCC 0.6V BG – FCNT 10 M2 3µA RUN/SS PGND + 9 3 C 6V SS 1.19V – REF 1.28V VIN 16 OV + 5.2V LDO REG SGND 1.19V + + 4.7V 6 F – – 1µA L1 8 VPROG 7 VOSENSE 4 FCB 1 EXTVCC + COUT 1625 BD 7