Datasheet LTC3525-3, LTC3525-3.3, LTC3525-5 (Analog Devices) - 9
| Fabricante | Analog Devices |
| Descripción | 400mA Micropower Synchronous Step-Up DC/DC Converter with Output Disconnect |
| Páginas / Página | 16 / 9 — block DiagraM |
| Formato / tamaño de archivo | PDF / 546 Kb |
| Idioma del documento | Inglés |
block DiagraM

Línea de modelo para esta hoja de datos
Versión de texto del documento
LTC3525-3/ LTC3525-3.3/LTC3525-5
block DiagraM
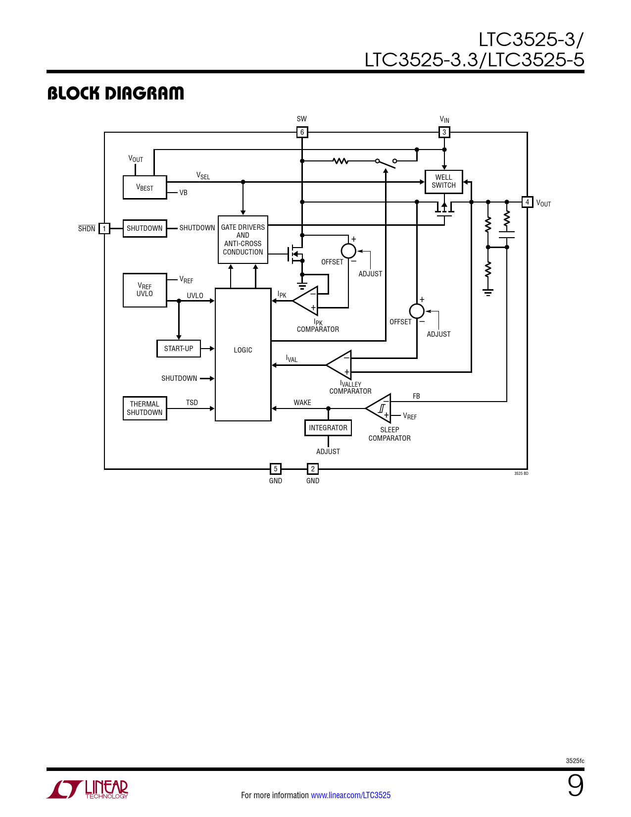
SW VIN 6 3 VOUT VSEL WELL V SWITCH BEST VB 4 VOUT SHDN 1 SHUTDOWN SHUTDOWN GATE DRIVERS AND + ANTI-CROSS CONDUCTION OFFSET – ADJUST V V REF REF – UVLO I UVLO PK + + IPK OFFSET – COMPARATOR ADJUST START-UP LOGIC – IVAL + SHUTDOWN IVALLEY COMPARATOR – FB THERMAL TSD WAKE SHUTDOWN + VREF INTEGRATOR SLEEP COMPARATOR ADJUST 5 2 3525 BD GND GND 3525fc For more information www.linear.com/LTC3525 9 Document Outline Features Applications Description Typical Application Absolute Maximum Ratings Pin Configuration Order Information Electrical characteristics Typical Performance Characteristics Pin Functions Block Diagram Operation Typical Applications Package Description Revision History Typical Application Related Parts