Datasheet LTC3709 (Analog Devices) - 9

FabricanteAnalog Devices
DescripciónFast 2-Phase, No RSENSE , Synchronous DC/DC Controller with Tracking/Sequencing
Páginas / Página24 / 9 — FU CTIO AL DIAGRA
Formato / tamaño de archivoPDF / 329 Kb
Idioma del documentoInglés

FU CTIO AL DIAGRA

FU CTIO AL DIAGRA

Línea de modelo para esta hoja de datos

Versión de texto del documento

LTC3709
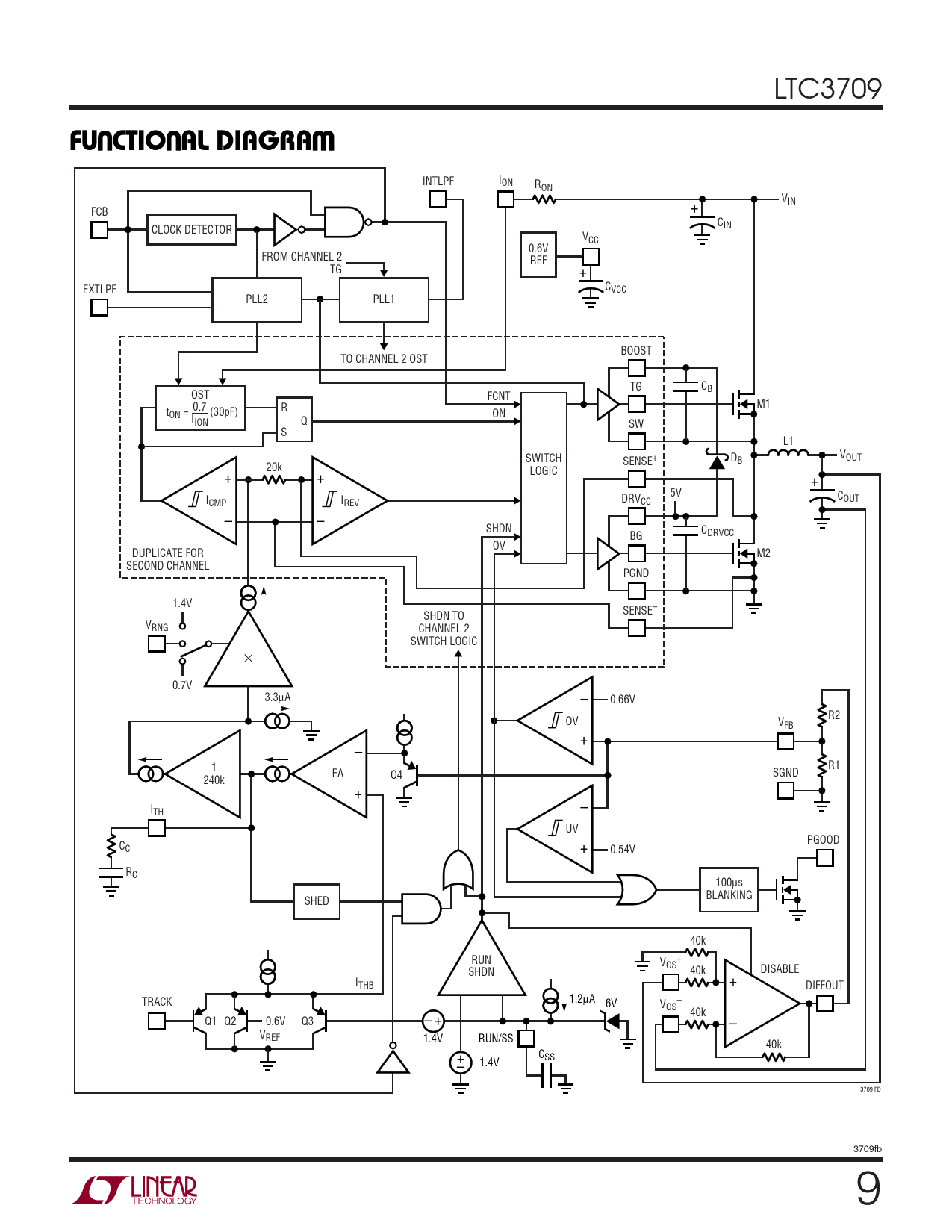
U U W FU CTIO AL DIAGRA
INTLPF ION RON VIN FCB + C CLOCK DETECTOR IN VCC 0.6V FROM CHANNEL 2 REF TG + C EXTLPF VCC PLL2 PLL1 BOOST TO CHANNEL 2 OST TG CB OST FCNT M1 t 0.7 R ON = (30pF) ON IION Q SW S L1 SWITCH D V SENSE+ B OUT 20k LOGIC + + + 5V I C CMP IREV DRVCC OUT – – SHDN C BG DRVCC OV DUPLICATE FOR M2 SECOND CHANNEL PGND 1.4V SENSE– SHDN TO VRNG CHANNEL 2 SWITCH LOGIC × 0.7V – 3.3µA 0.66V R2 OV V + FB – R1 1 EA Q4 SGND 240k + – ITH UV + PGOOD CC 0.54V RC 100µs BLANKING SHED 40k RUN V + OS SHDN 40k DISABLE ITHB + DIFFOUT TRACK 1.2µA 6V V – OS 40k Q1 Q2 0.6V Q3 – + – VREF 1.4V RUN/SS 40k CSS + 1.4V – 3709 FD 3709fb 9