Datasheet LTC3769 (Analog Devices) - 10

FabricanteAnalog Devices
Descripción60V Low IQ Synchronous Boost Controller
Páginas / Página32 / 10 — BLOCK DIAGRAM
Formato / tamaño de archivoPDF / 448 Kb
Idioma del documentoInglés

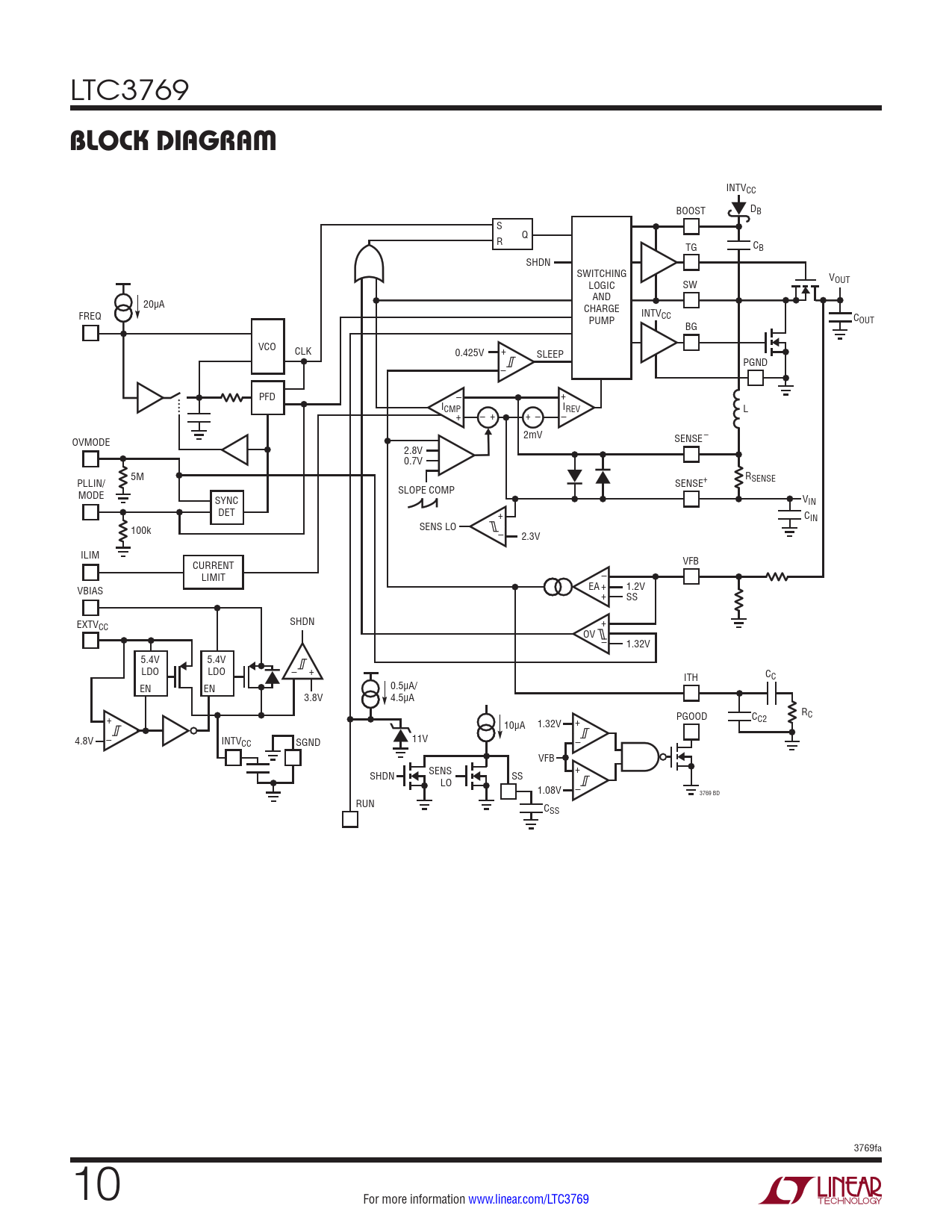
BLOCK DIAGRAM

BLOCK DIAGRAM

Línea de modelo para esta hoja de datos

Versión de texto del documento

LTC3769
BLOCK DIAGRAM
INTVCC BOOST DB S Q R TG CB SHDN SWITCHING V LOGIC SW OUT AND 20µA CHARGE INTV FREQ PUMP CC COUT BG VCO CLK 0.425V + SLEEP PGND – PFD – + ICMP IREV L + – + + – – 2mV SENSE– OVMODE 2.8V 0.7V 5M R PLLIN/ SENSE SENSE+ MODE SLOPE COMP SYNC VIN DET + CIN SENS LO 100k – 2.3V ILIM VFB CURRENT LIMIT – VBIAS EA + 1.2V + SS EXTV SHDN CC + OV – 1.32V 5.4V 5.4V LDO LDO – + ITH CC 0.5µA/ EN EN 3.8V 4.5µA PGOOD R + C C 10µA 1.32V + C2 4.8V – INTV 11V CC SGND – VFB SENS + SHDN SS LO 1.08V – 3769 BD RUN CSS 3769fa 10 For more information www.linear.com/LTC3769 Document Outline Features Applications Description Typical Application Absolute Maximum Ratings Pin Configuration Order Information Electrical Characteristics Typical Performance Characteristics Pin Functions Block Diagram Operation Applications Information Typical Applications Revision History Typical Application Related Parts