Datasheet LTC3775 (Analog Devices) - 9
| Fabricante | Analog Devices |
| Descripción | High Frequency Synchronous Step-Down Voltage Mode DC/DC Controller |
| Páginas / Página | 34 / 9 — BLOCK DIAGRAM |
| Formato / tamaño de archivo | PDF / 553 Kb |
| Idioma del documento | Inglés |
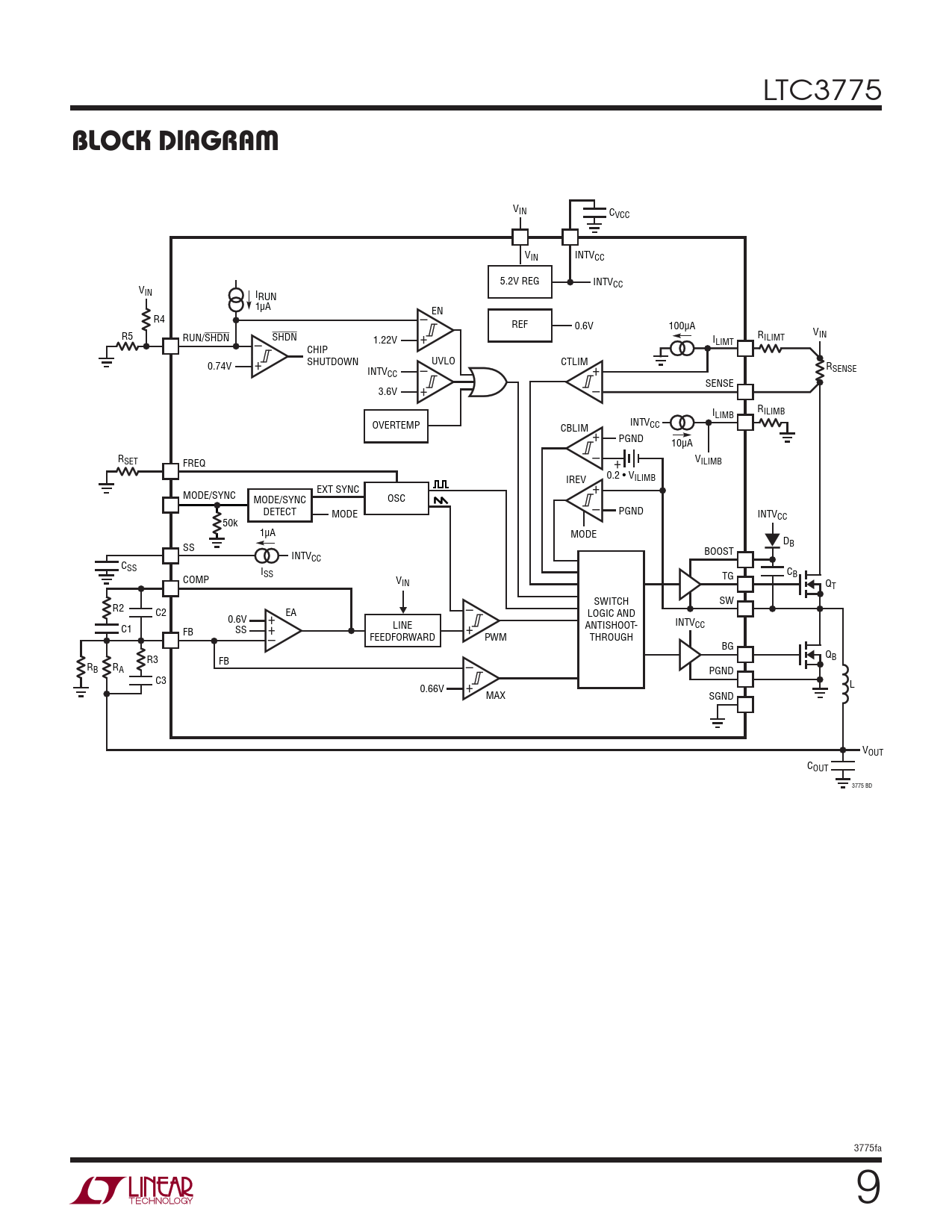
BLOCK DIAGRAM

Línea de modelo para esta hoja de datos
Versión de texto del documento
LTC3775
BLOCK DIAGRAM
VIN CVCC VIN INTVCC 5.2V REG INTVCC VIN IRUN 1μA – EN R4 REF 100μA R5 + 0.6V V R IN RUN/SHDN – SHDN 1.22V ILIMT ILIMT CHIP + SHUTDOWN UVLO CTLIM 0.74V – RSENSE INTVCC + + SENSE 3.6V – I R LIMB ILIMB OVERTEMP INTV CBLIM CC + PGND 10μA RSET – + VILIMB FREQ IREV 0.2 • VILIMB EXT SYNC + MODE/SYNC MODE/SYNC OSC DETECT MODE – PGND INTVCC 50k 1μA MODE DB SS BOOST INTVCC CSS ISS TG CB COMP VIN QT – SWITCH SW R2 C2 EA LOGIC AND 0.6V + LINE + INTV ANTISHOOT- CC C1 FB SS + FEEDFORWARD PWM THROUGH – BG QB R3 FB – R R B A PGND C3 + L 0.66V MAX SGND VOUT COUT 3775 BD 3775fa 9 Document Outline FEATURES DESCRIPTION APPLICATIONS TYPICAL APPLICATION ABSOLUTE MAXIMUM RATINGS PIN CONFIGURATION ORDER INFORMATION ELECTRICAL CHARACTERISTICS TYPICAL PERFORMANCE CHARACTERISTICS PIN FUNCTIONS BLOCK DIAGRAM APPLICATIONS INFORMATION TYPICAL APPLICATIONS PACKAGE DESCRIPTION REVISION HISTORY TYPICAL APPLICATION RELATED PARTS