Datasheet LTC3822 (Analog Devices) - 7

FabricanteAnalog Devices
DescripciónNo RSENSE , Low Input Voltage, Synchronous Step-Down DC/DC Controller
Páginas / Página20 / 7 — FUNCTIONAL DIAGRAM
Formato / tamaño de archivoPDF / 209 Kb
Idioma del documentoInglés

FUNCTIONAL DIAGRAM

FUNCTIONAL DIAGRAM

Línea de modelo para esta hoja de datos

Versión de texto del documento

LTC3822
FUNCTIONAL DIAGRAM
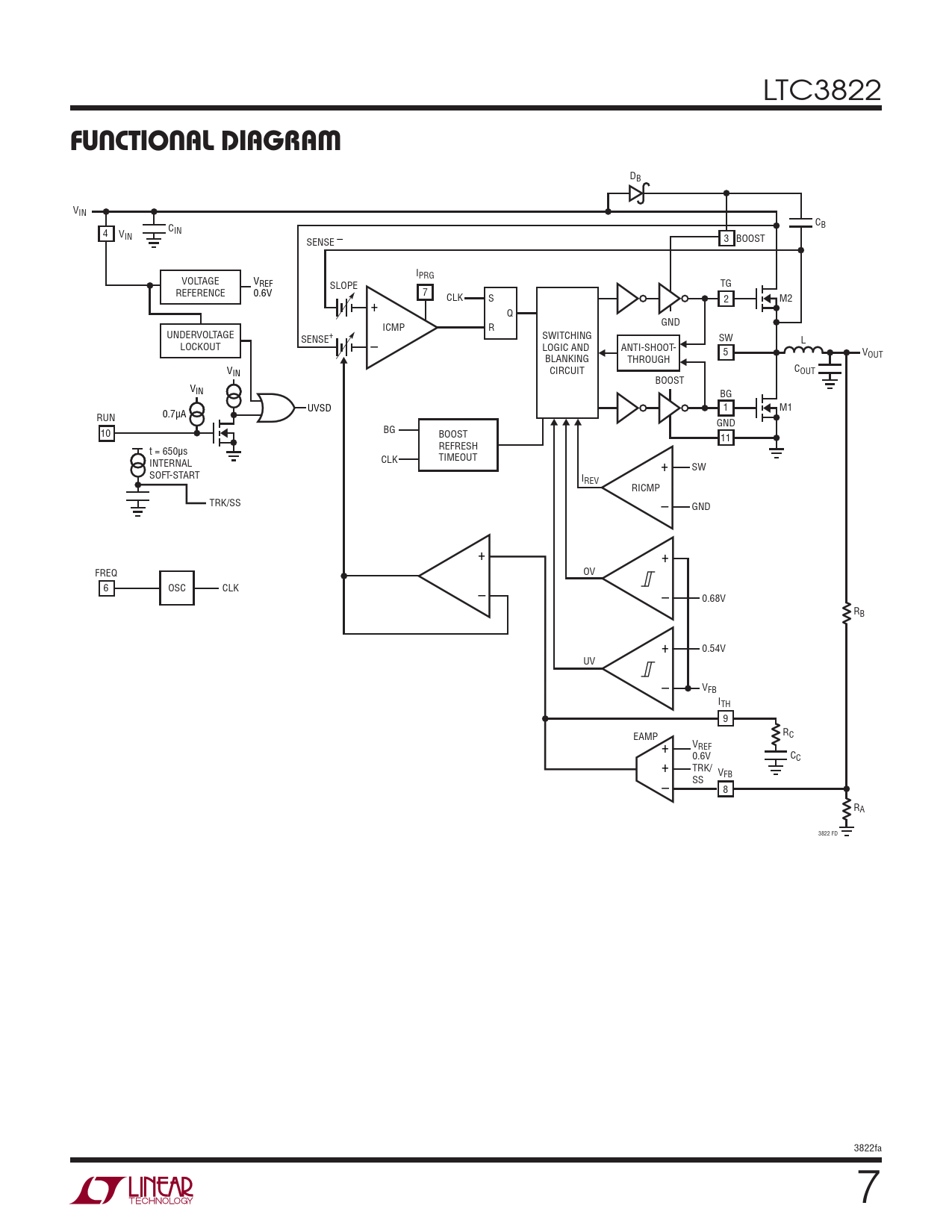
DB VIN C C B 4 V IN IN SENSE – 3 BOOST IPRG VOLTAGE VREF SLOPE TG REFERENCE 0.6V 7 CLK S 2 M2 + Q GND ICMP R UNDERVOLTAGE SENSE+ SWITCHING SW L LOCKOUT – LOGIC AND ANTI-SHOOT- 5 V BLANKING THROUGH OUT V C IN CIRCUIT OUT BOOST VIN BG UVSD 1 M1 RUN 0.7μA GND BG 10 BOOST 11 REFRESH t = 650μs CLK TIMEOUT INTERNAL + SW SOFT-START IREV RICMP TRK/SS – GND + + FREQ OV 6 OSC CLK – – 0.68V RB + 0.54V UV – VFB ITH 9 RC EAMP VREF + 0.6V CC + TRK/ VFB SS – 8 RA 3822 FD 3822fa 7