Datasheet LT3597 (Analog Devices) - 9
| Fabricante | Analog Devices |
| Descripción | 60V Triple Step-Down LED Driver |
| Páginas / Página | 24 / 9 — block DiagraM. Figure 1. Block Diagram |
| Formato / tamaño de archivo | PDF / 405 Kb |
| Idioma del documento | Inglés |
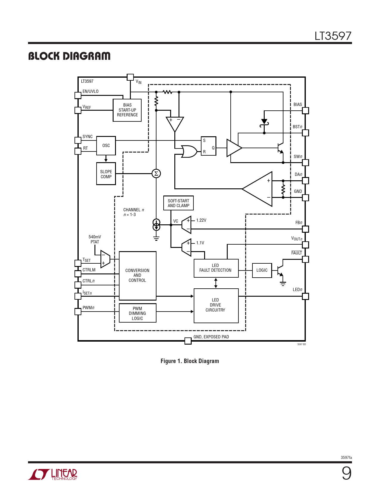
block DiagraM. Figure 1. Block Diagram

Línea de modelo para esta hoja de datos
Versión de texto del documento
LT3597
block DiagraM
LT3597 VIN EN/UVLO BIAS V BIAS REF START-UP REFERENCE + – BSTn SYNC S OSC RT Q R SWn SLOPE COMP DAn + GND – SOFT-START AND CLAMP CHANNEL n n = 1-3 VC + 1.22V FBn – 540mV VOUTn PTAT + 1.1V – – FAULT TSET + LED CTRLM CONVERSION FAULT DETECTION LOGIC AND CTRLn CONTROL I LEDn SETn LED DRIVE PWMn PWM CIRCUITRY DIMMING LOGIC GND, EXPOSED PAD 3597 BD
Figure 1. Block Diagram
3597fa 9 Document Outline Features Applications Description Typical Application Absolute Maximum Ratings Pin Configuration Order Information Electrical Characteristics Typical Performance Characteristics Pin Functions Block Diagram Operation Applications Information Typical Applications Package Description Revision History Typical Application Related Parts