Hojas de datos
Más
Only-Datasheet.com
Sobre nosotros
Cooperación
Publicidad
Contactos
en - English
ru - Русский
de - Deutsch
zh - 中文
Buscar
Hojas de datos
Datasheet AD625 (Analog Devices)
Datasheet AD625 (Analog Devices) - 8
Fabricante
Analog Devices
Descripción
Programmable Gain Instrumentation Amplifier
Páginas / Página
11
/
8
— STANDARD. 5962-87719. MICROCIRCUIT DRAWING
Formato / tamaño de archivo
PDF
/
71 Kb
Idioma del documento
Inglés
STANDARD. 5962-87719. MICROCIRCUIT DRAWING
1
2
...
7
8
9
10
Descargar PDF
1
2
...
7
8
9
10
Línea de modelo para esta hoja de datos
AD625
5962-87719012A
5962-8771901EA
AD625ADZ
AD625BDZ
AD625CDZ
AD625JNZ
AD625KNZ
AD625SD
AD625SD/883B
AD625SE/883B
Versión de texto del documento
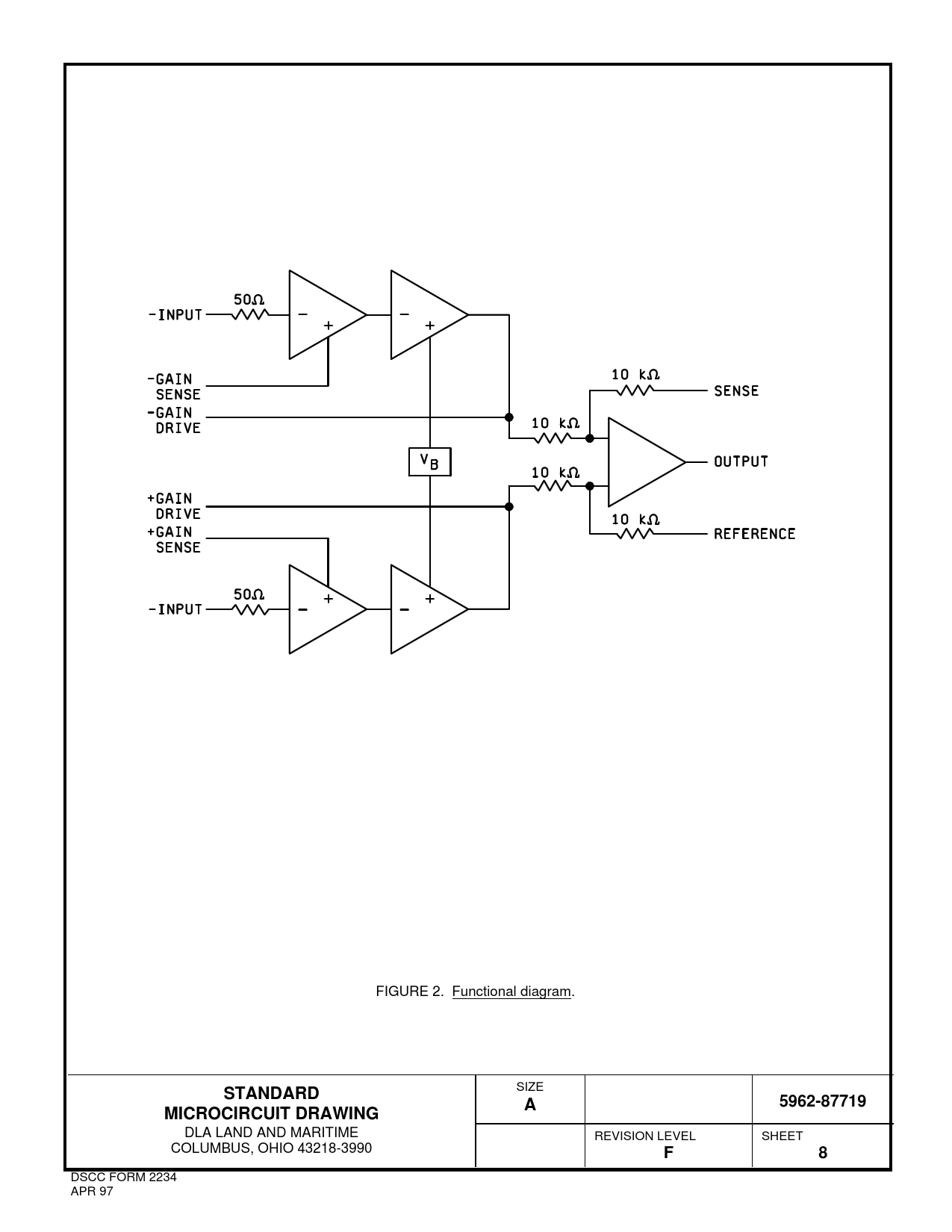
FIGURE 2. Functional diagram.
STANDARD
SIZE
A
5962-87719
MICROCIRCUIT DRAWING
DLA LAND AND MARITIME REVISION LEVEL SHEET COLUMBUS, OHIO 43218-3990
F
8
DSCC FORM 2234 APR 97
Contactos
Política de privacidad
Cambiar la configuración de privacidad