Datasheet LTC4417 (Linear Technology) - 8
| Fabricante | Linear Technology |
| Descripción | Prioritized PowerPath Controller |
| Páginas / Página | 32 / 8 — FuncTional block DiagraM |
| Formato / tamaño de archivo | PDF / 438 Kb |
| Idioma del documento | Inglés |
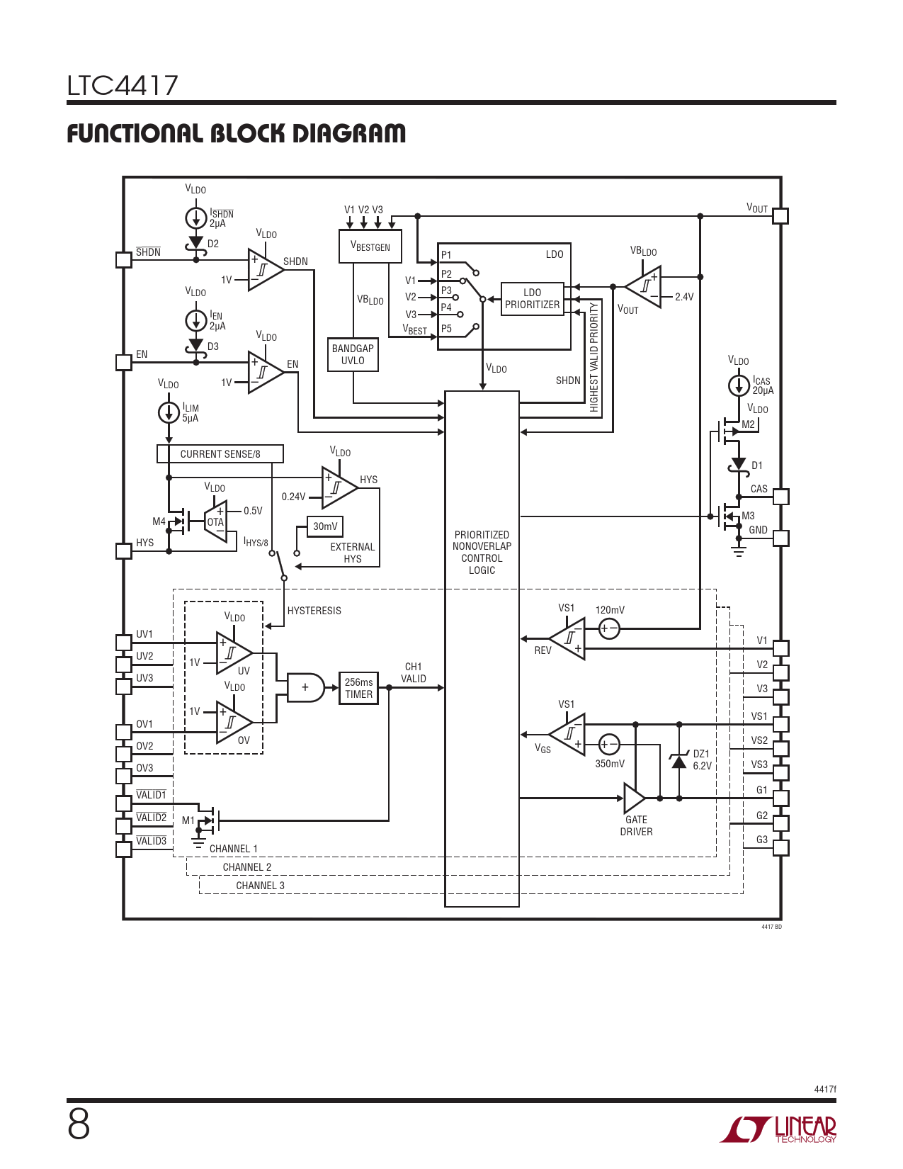
FuncTional block DiagraM

Línea de modelo para esta hoja de datos
Versión de texto del documento
LTC4417
FuncTional block DiagraM
VLDO V V1 V2 V3 OUT ISHDN 2µA VLDO D2 V SHDN BESTGEN + VBLDO LDO SHDN P1 1V – + V1 P2 VLDO P3 LDO VBLDO V2 – 2.4V PRIORITIZER Y P4 VOUT IEN V3 2µA VBEST P5 VLDO D3 BANDGAP EN + UVLO EN ALID PRIORIT V V LDO LDO VLDO 1V – SHDN ICAS 20µA ILIM HIGHEST V VLDO 5µA M2 CURRENT SENSE/8 VLDO D1 + HYS VLDO CAS 0.24V – + 0.5V M3 M4 OTA– 30mV PRIORITIZED GND HYS IHYS/8 EXTERNAL NONOVERLAP HYS CONTROL LOGIC VS1 V HYSTERESIS LDO – 120mV + – UV1 + + V1 REV UV2 1V – CH1 V2 UV UV3 V VALID LDO 256ms + V3 TIMER VS1 1V + – VS1 OV1 – OV + OV2 VS2 V + – GS DZ1 350mV OV3 6.2V VS3 VALID1 G1 VALID2 M1 GATE G2 DRIVER VALID3 G3 CHANNEL 1 CHANNEL 2 CHANNEL 3 4417 BD 4417f 8 Document Outline Features Applications Description Typical Application Absolute Maximum Ratings Pin Configuration Order Information Electrical Characteristics Typical Performance Characteristics Pin Functions Functional Block Diagram Timing Diagram Operation Applications Information Typical Applications Package Description Typical Application Related Parts