Datasheet MCP47FEBXX (Microchip) - 3
| Fabricante | Microchip |
| Descripción | 8-/10-/12-Bit Single/Dual Voltage Output Nonvolatile Digital-to-Analog Converters with I²C Interface |
| Páginas / Página | 102 / 3 — MCP47FEBXX. MCP47FEBX2 Device Block Diagram (Dual-Channel Output). Memory … |
| Formato / tamaño de archivo | PDF / 1.6 Mb |
| Idioma del documento | Inglés |
MCP47FEBXX. MCP47FEBX2 Device Block Diagram (Dual-Channel Output). Memory (32x16). Note 1:. Device Features. Internal. # of

Línea de modelo para esta hoja de datos
Versión de texto del documento
link to page 3
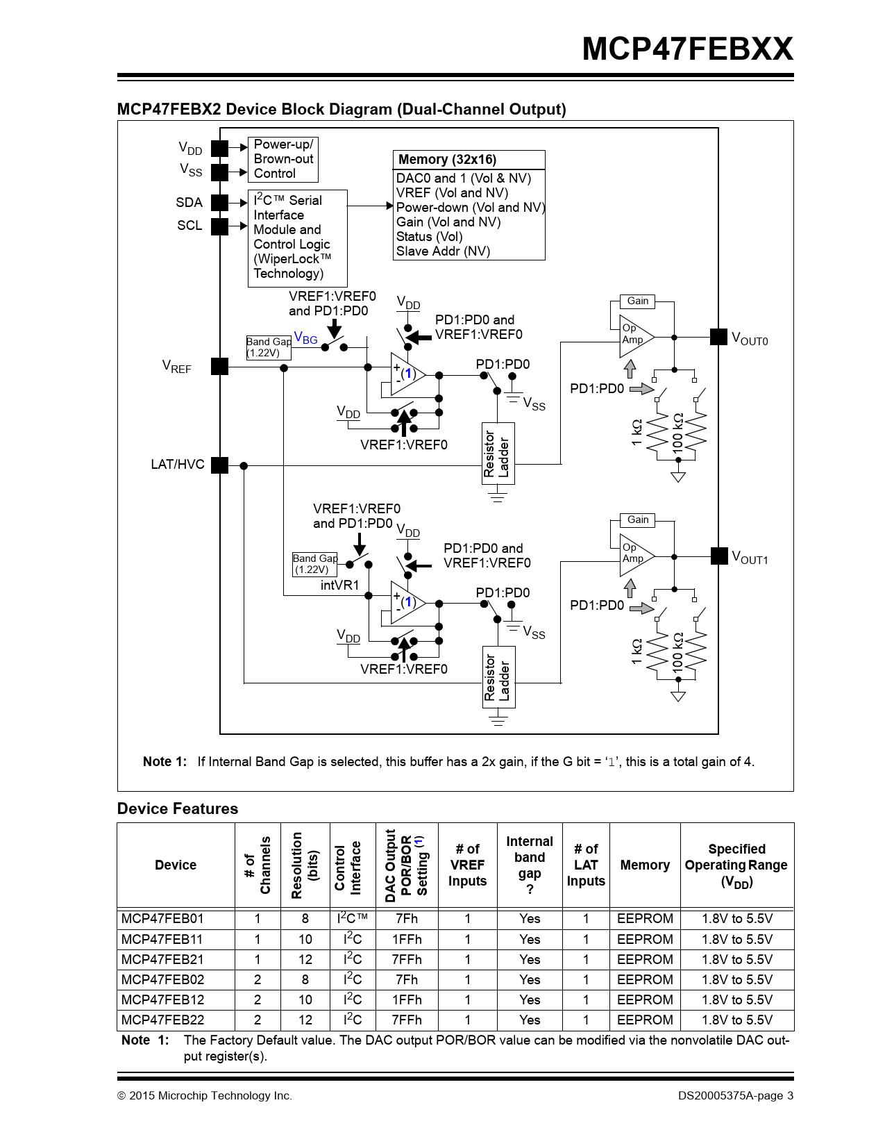
MCP47FEBXX MCP47FEBX2 Device Block Diagram (Dual-Channel Output)
Power-up/ VDD Brown-out
Memory (32x16)
VSS Control DAC0 and 1 (Vol & NV) VREF (Vol and NV) SDA I2C™ Serial Power-down (Vol and NV) Interface SCL Gain (Vol and NV) Module and Status (Vol) Control Logic Slave Addr (NV) (WiperLock™ Technology) VREF1:VREF0 VDD Gain and PD1:PD0 PD1:PD0 and Op V VREF1:VREF0 Band Gap BG Amp VOUT0 (1.22V) VREF + PD1:PD0 -(
1
) PD1:PD0 V V SS DD r k o r 0 VREF1:VREF0 st 1k 10 LAT/HVC si dde Re La VREF1:VREF0 Gain and PD1:PD0 VDD Op PD1:PD0 and Band Gap Amp VOUT1 VREF1:VREF0 (1.22V) intVR1 + PD1:PD0 -(
1
) PD1:PD0 V V DD SS k r 1k 0 VREF1:VREF0 sto 10 si der Re Lad
Note 1:
If Internal Band Gap is selected, this buffer has a 2x gain, if the G bit = ‘1’, this is a total gain of 4.
Device Features n ls ut R Internal e l (1 ) # of # of Specified n tio s) ro band Device lu ng VREF LAT Memory Operating Range # of n o rface s (bit e gap Inputs Inputs (V Cha Cont DD) Re Int ? DAC Outp POR/BO Setti
MCP47FEB01 1 8 I2C™ 7Fh 1 Yes 1 EEPROM 1.8V to 5.5V MCP47FEB11 1 10 I2C 1FFh 1 Yes 1 EEPROM 1.8V to 5.5V MCP47FEB21 1 12 I2C 7FFh 1 Yes 1 EEPROM 1.8V to 5.5V MCP47FEB02 2 8 I2C 7Fh 1 Yes 1 EEPROM 1.8V to 5.5V MCP47FEB12 2 10 I2C 1FFh 1 Yes 1 EEPROM 1.8V to 5.5V MCP47FEB22 2 12 I2C 7FFh 1 Yes 1 EEPROM 1.8V to 5.5V
Note 1:
The Factory Default value. The DAC output POR/BOR value can be modified via the nonvolatile DAC out- put register(s). 2015 Microchip Technology Inc. DS20005375A-page 3 Document Outline 8-/10-/12-Bit Single/Dual Voltage Output Nonvolatile Digital-to-Analog Converters with I²C™ Interface Features Package Types General Description Applications MCP47FEBX1 Device Block Diagram (Single-Channel Output) MCP47FEBX2 Device Block Diagram (Dual-Channel Output) Device Features 1.0 Electrical Characteristics Absolute Maximum Ratings (†) DC Characteristics DC Notes: 1.1 Timing Waveforms and Requirements FIGURE 1-1: VOUT Settling Time Waveforms. TABLE 1-1: Wiper Settling Timing 1.2 I²C Mode Timing Waveforms and Requirements FIGURE 1-2: Power-on and Brown-out Reset Waveforms. FIGURE 1-3: I²C™ Power-Down Command Timing. TABLE 1-2: RESET Timing FIGURE 1-4: I²C™ Bus Start/Stop Bits Timing Waveforms. FIGURE 1-5: I²C™ Bus Start/Stop Bits Timing Waveforms. TABLE 1-3: I²C Bus Start/Stop Bits and LAT Requirements FIGURE 1-6: I²C™ Bus Timing Waveforms. TABLE 1-4: I²C Bus Requirements (Slave Mode) TABLE 1-5: I²C Bus Requirements (Slave Mode) Timing Table Notes: Temperature Specifications 2.0 Typical Performance Curves 3.0 Pin Descriptions TABLE 3-1: MCP47FEBX1 (Single-DAC) Pinout Description TABLE 3-2: MCP47FEBX2 (Dual-DAC) Pinout Description 3.1 Positive Power Supply Input (VDD) 3.2 Voltage Reference Pin (VREF) 3.3 Analog Output Voltage Pin (VOUT) 3.4 No Connect (NC) 3.5 Ground (VSS) 3.6 Latch Pin (LAT)/High-Voltage Command (HVC) 3.7 I²C - Serial Clock Pin (SCL) 3.8 I²C - Serial Data Pin (SDA) 4.0 General Description 4.1 Power-on Reset/Brown-out Reset (POR/BOR) FIGURE 4-1: Power-on Reset Operation. 4.2 Device Memory TABLE 4-1: Memory Map (x16) TABLE 4-2: Factory Default POR / BOR Values TABLE 4-3: SALCK Functional Description TABLE 4-4: WiperLock Technology Configuration Bits Functional Description Register 4-1: DAC0 and DAC1 Registers (Volatile and Nonvolatile) Register 4-2: Voltage Reference (VREF) Control Register (Volatile and Nonvolatile) (Addresses 08h and 18h) Register 4-3: Power-down Control Register (Volatile and Nonvolatile) (Addresses 09h, 19h) Register 4-4: Gain Control and System Status Register (Volatile) (Address 0Ah) Register 4-5: Gain Control and Slave Address Register (Nonvolatile) (Address 1AH) Register 4-6: DAC Wiperlock Technology Status Register (Volatile) (Address 0Bh) 5.0 DAC Circuitry FIGURE 5-1: MCP47FEBXX DAC Module Block Diagram. 5.1 Resistor Ladder FIGURE 5-2: Resistor Ladder Model Block Diagram. 5.2 Voltage Reference Selection FIGURE 5-3: Resistor Ladder Reference Voltage Selection Block Diagram. FIGURE 5-4: Reference Voltage Selection Implementation Block Diagram. 5.3 Output Buffer/VOUT Operation FIGURE 5-5: Output Driver Block Diagram. TABLE 5-1: Output Driver Gain TABLE 5-2: Theoretical Step Voltage (VS) (1) FIGURE 5-6: VOUT pin Slew Rate. FIGURE 5-7: Circuit to Stabilize Output Buffer for Large Capacitive Loads (CL). TABLE 5-3: DAC Input Code Vs. Calculated Analog Output (VOUT) (VDD = 5.0V) 5.4 Internal Band Gap TABLE 5-4: VOUT Using Band Gap 5.5 Latch Pin (LAT) FIGURE 5-8: LAT and DAC Interaction. FIGURE 5-9: Example use of LAT pin operation. 5.6 Power-Down Operation FIGURE 5-10: VOUT Power-Down Block Diagram. TABLE 5-5: Power-down bits and Output resistive load TABLE 5-6: DAC Current Sources 5.7 DAC Registers, Configuration Bits, and Status Bits 6.0 I²C Serial Interface Module FIGURE 6-1: Typical I2C Interface. 6.1 Overview 6.2 Interface Pins (SCL and SDA) 6.3 Communication Data Rates 6.4 POR/BOR 6.5 Device Memory Address 6.6 General Call Commands 6.7 Multi-Master Systems 6.8 Device I²C Slave Addressing FIGURE 6-2: Slave Address Bits in the I²C Control Byte. TABLE 6-1: I²C Address/Order Code 6.9 Entering High-Speed (HS) Mode FIGURE 6-3: HS Mode Sequence. 7.0 Device Commands TABLE 7-1: Device Commands - Number of Clocks 7.1 Write Command (Normal and High-Voltage) FIGURE 7-1: Write Random Address Command (Volatile and Nonvolatile Memory). FIGURE 7-2: I2C ACK / NACK Behavior (Write Command Example). FIGURE 7-3: Continuous Write Commands (Volatile Memory Only). 7.2 Read Command (Normal and High-Voltage) FIGURE 7-4: Read Command - Single Memory Address. FIGURE 7-5: Read Command - Last Memory Address Accessed. FIGURE 7-6: I2C ACK/NACK Behavior (Read Command Example). FIGURE 7-7: Continuous Read Command Of Specified Address. 7.3 General Call Commands FIGURE 7-8: General Call Formats. FIGURE 7-9: General Call Reset Command. FIGURE 7-10: General Call Wake-Up Command. 7.4 Modify Device Configuration Bit Commands 7.5 Enable Configuration Bit (High-Voltage) FIGURE 7-11: I2C Enable Command Sequence. 7.6 Disable Configuration Bit (High-Voltage) FIGURE 7-12: I2C Disable Command Sequence. FIGURE 7-13: Configuring All User Configuration Bits Command Sequence (MCP47FEBX1). FIGURE 7-14: Configuring All User Configuration Bits Command Sequence (MCP47FEBX2). 8.0 Typical Applications 8.1 Connecting to I²C BUS using Pull-Up Resistors FIGURE 8-1: I²C Bus Connection Test. 8.2 Power Supply Considerations FIGURE 8-2: Example Circuit. 8.3 Application Examples FIGURE 8-3: Example Circuit Of Set Point or Threshold Calibration. FIGURE 8-4: Single-Supply “Window” DAC. 8.4 Bipolar Operation FIGURE 8-5: Digitally-Controlled Bipolar Voltage Source Example Circuit. 8.5 Selectable Gain and Offset Bipolar Voltage Output FIGURE 8-6: Bipolar Voltage Source with Selectable Gain and Offset. 8.6 Designing a Double-Precision DAC FIGURE 8-7: Simple Double Precision DAC using MCP47FEBX2. 8.7 Building Programmable Current Source FIGURE 8-8: Digitally-Controlled Current Source. 8.8 Serial Interface Communication Times TABLE 8-1: Serial Interface Times / Frequencies 8.9 Software I²C Interface Reset Sequence FIGURE 8-9: Software Reset Sequence Format. 8.10 Design Considerations FIGURE 8-10: Typical Microcontroller Connections. TABLE 8-2: Package Footprint 9.0 Development Support 9.1 Development Tools 9.2 Technical Documentation TABLE 9-1: Development Tools TABLE 9-2: Technical Documentation FIGURE 9-1: MCP47FEBXX Evaluation Board Circuit Using TSSOP20EV. 10.0 Packaging Information 10.1 Package Marking Information Appendix A: Revision History Appendix B: I²C Serial Interface FIGURE B-1: Typical I²C Interface. B.1 Overview B.2 Signal Descriptions B.3 I²C Operation FIGURE B-2: Start Bit. FIGURE B-3: Data Bit. FIGURE B-4: Acknowledge Waveform. FIGURE B-5: Repeat Start Condition Waveform. FIGURE B-6: Stop Condition Receive or Transmit Mode. FIGURE B-7: Typical 8-Bit I²C Waveform Format. FIGURE B-8: I²C Data States and Bit Sequence. FIGURE B-9: I²C Slave Address Control Byte. FIGURE B-10: HS Mode Sequence. FIGURE B-11: General Call Formats. Appendix C: Terminology C.1 Resolution C.2 Least Significant Bit (LSb) C.3 Monotonic Operation FIGURE C-1: VW (VOUT). C.4 Full-Scale Error (EFS) C.5 Zero-Scale Error (EZS) C.6 Total Unadjusted Error (ET) C.7 Offset Error (EOS) FIGURE C-2: Offset Error (Zero Gain Error). C.8 Offset Error Drift (EOSD) C.9 Gain Error (EG) FIGURE C-3: Gain Error and Full-Scale Error Example. C.10 Gain-Error Drift (EGD) C.11 Integral Nonlinearity (INL) FIGURE C-4: INL Accuracy. C.12 Differential Nonlinearity (DNL) FIGURE C-5: DNL Accuracy. C.13 Settling Time C.14 Major-Code Transition Glitch C.15 Digital Feed-through C.16 -3 dB Bandwidth C.17 Power-Supply Sensitivity (PSS) C.18 Power-Supply Rejection Ratio (PSRR) C.19 VOUT Temperature Coefficient C.20 Absolute Temperature Coefficient C.21 Noise Spectral Density Product Identification System Trademarks Worldwide Sales and Service