Datasheet LTC4301L (Analog Devices) - 8
| Fabricante | Analog Devices |
| Descripción | Hot Swappable 2-Wire Bus Buffer with Low Voltage Level Translation |
| Páginas / Página | 12 / 8 — APPLICATIO S I FOR ATIO. Figure 3. Typical Supply Independent Applications |
| Formato / tamaño de archivo | PDF / 189 Kb |
| Idioma del documento | Inglés |
APPLICATIO S I FOR ATIO. Figure 3. Typical Supply Independent Applications

Línea de modelo para esta hoja de datos
Versión de texto del documento
LTC4301L
U U W U APPLICATIO S I FOR ATIO
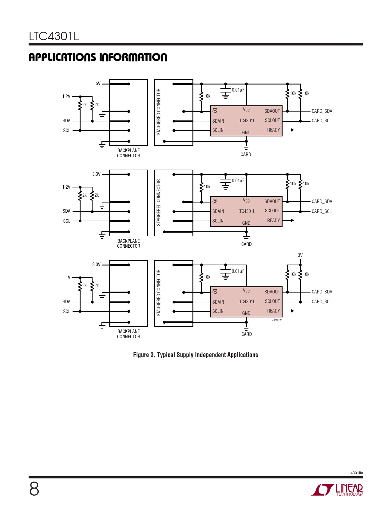
5V 0.01µF 10k 10k 1.2V 10k 2k 2k CS VCC SDAOUT CARD_SDA SDA SDAIN LTC4301L SCLOUT CARD_SCL AGGERED CONNECTOR SCL SCLIN READY ST GND BACKPLANE CONNECTOR CARD 3.3V 0.01µF 10k 10k 1.2V 10k 2k 2k CS VCC SDAOUT CARD_SDA SDA SDAIN LTC4301L SCLOUT CARD_SCL AGGERED CONNECTOR SCL SCLIN READY ST GND BACKPLANE CONNECTOR CARD 3V 3.3V 0.01µF 10k 10k 1V 10k 2k 2k CS VCC SDAOUT CARD_SDA SDA SDAIN LTC4301L SCLOUT CARD_SCL AGGERED CONNECTOR SCL SCLIN READY ST GND 4301l F03 BACKPLANE CARD CONNECTOR
Figure 3. Typical Supply Independent Applications
4301lfa 8