Datasheet LT1160, LT1162 (Analog Devices) - 7

FabricanteAnalog Devices
DescripciónHalf-/Full-Bridge N-Channel Power MOSFET Drivers
Páginas / Página16 / 7 — FUNCTIONAL DIAGRA (LT1160 or 1/2 LT1162). TEST CIRCUIT (LT1160 or 1/2 …
Formato / tamaño de archivoPDF / 240 Kb
Idioma del documentoInglés

FUNCTIONAL DIAGRA (LT1160 or 1/2 LT1162). TEST CIRCUIT (LT1160 or 1/2 LT1162). V/I

FUNCTIONAL DIAGRA (LT1160 or 1/2 LT1162) TEST CIRCUIT (LT1160 or 1/2 LT1162) V/I

Línea de modelo para esta hoja de datos

Versión de texto del documento

LT1160/LT1162
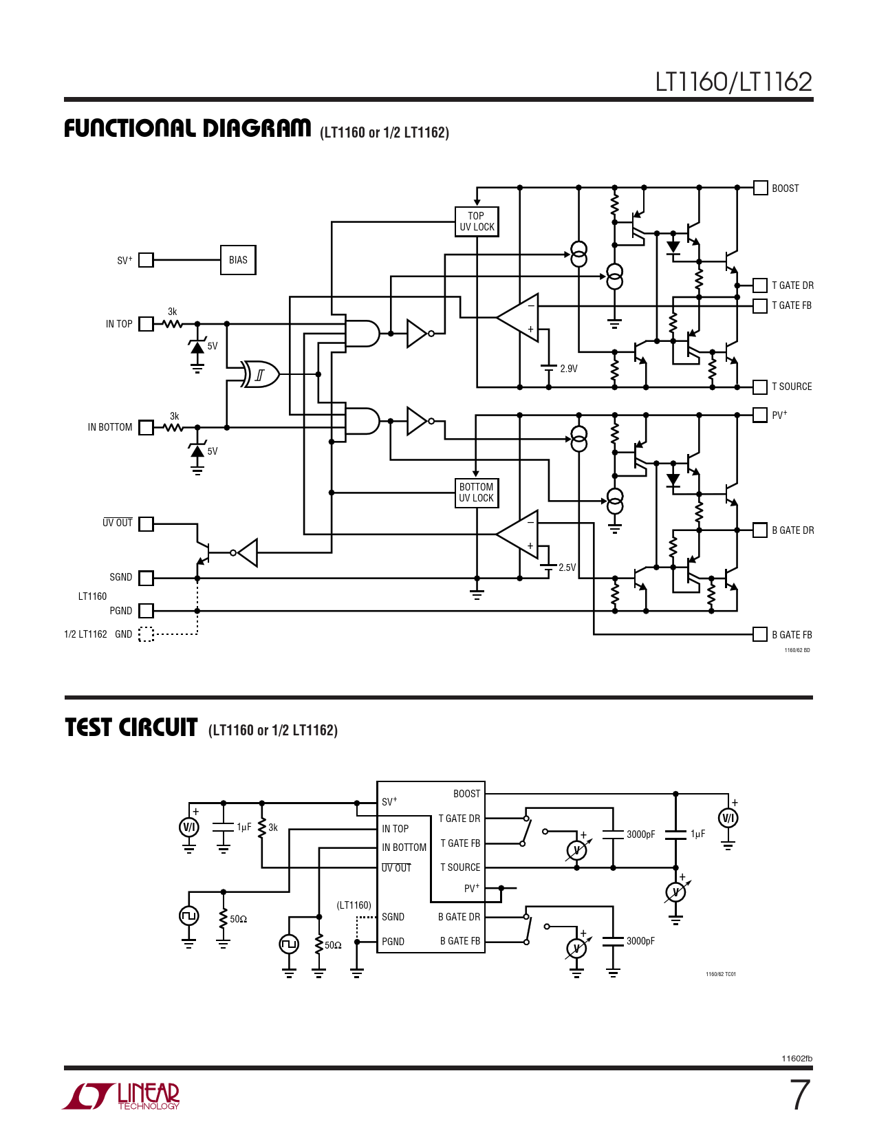
U U W FUNCTIONAL DIAGRA (LT1160 or 1/2 LT1162)
BOOST TOP UV LOCK SV+ BIAS T GATE DR – T GATE FB 3k IN TOP + 5V 2.9V T SOURCE 3k PV+ IN BOTTOM 5V BOTTOM UV LOCK – UV OUT B GATE DR + 2.5V SGND LT1160 PGND 1/2 LT1162 GND B GATE FB 1160/62 BD
TEST CIRCUIT (LT1160 or 1/2 LT1162)
BOOST SV+ + + T GATE DR
V/I V/I
1µF 3k IN TOP + 3000pF 1µF IN BOTTOM T GATE FB
V
UV OUT T SOURCE + PV+
V
(LT1160) SGND B GATE DR 50Ω + PGND B GATE FB 50Ω 3000pF
V
1160/62 TC01 11602fb 7