Datasheet TPS2410, TPS2411 (Texas Instruments) - 5
| Fabricante | Texas Instruments |
| Descripción | Full Feaured N+1 and ORing Power Rail Controller |
| Páginas / Página | 32 / 5 — TPS2410. TPS2411. www.ti.com. FUNCTIONAL BLOCK DIAGRAM |
| Revisión | C |
| Formato / tamaño de archivo | PDF / 1.4 Mb |
| Idioma del documento | Inglés |
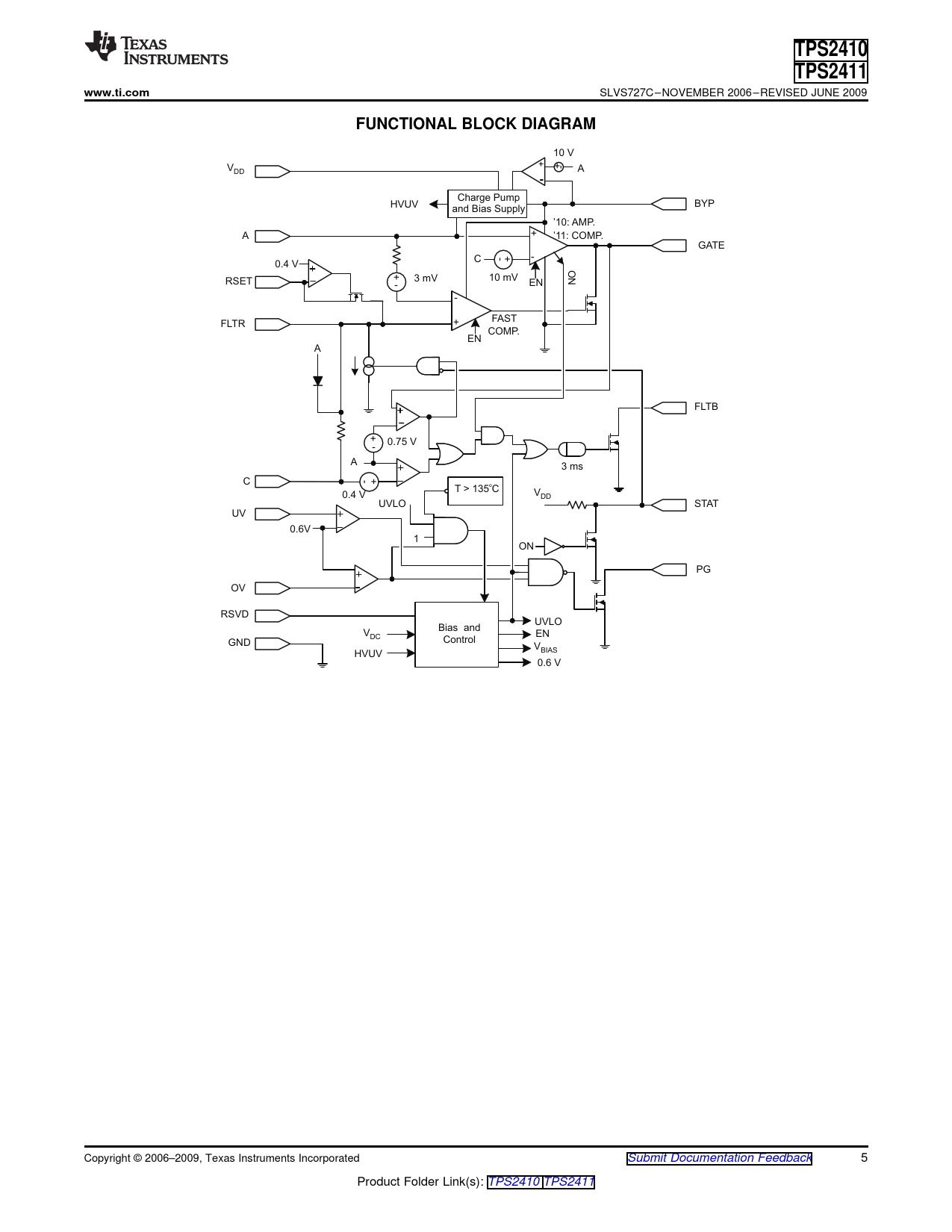
TPS2410. TPS2411. www.ti.com. FUNCTIONAL BLOCK DIAGRAM

Línea de modelo para esta hoja de datos
Versión de texto del documento
TPS2410 TPS2411 www.ti.com
.. SLVS727C – NOVEMBER 2006 – REVISED JUNE 2009
FUNCTIONAL BLOCK DIAGRAM
10 V V + - DD A Charge Pump HVUV BYP and Bias Supply ’10: AMP. A + ’11: COMP. GATE - + C - 0.4 V O + 3 mV 10 mV N RSET - EN - FAST FLTR + COMP. EN A FLTB + 0.75 V - A 3 ms - + C T > 135oC 0.4 V VDD UVLO STAT UV 0.6V 1 ON PG OV RSVD UVLO Bias and VDC EN Control GND VBIAS HVUV 0.6 V Copyright © 2006–2009, Texas Instruments Incorporated Submit Documentation Feedback 5 Product Folder Link(s): TPS2410 TPS2411 Document Outline FEATURES APPLICATIONS DESCRIPTION ABSOLUTE MAXIMUM RATINGS DISSIPATION RATINGS RECOMMENDED OPERATING CONDITIONS ELECTRICAL CHARACTERISTICS: TPS2410/11 DETAILED DESCRIPTION TYPICAL CHARACTERISTICS APPLICATION INFORMATION OVERVIEW TPS2410 vs TPS2411 – MOSFET CONTROL METHODS N+1 POWER SUPPLY – TYPICAL CONNECTION INPUT ORing – TYPICAL CONNECTION SYSTEM DESIGN AND BEHAVIOR WITH TRANSIENTS RECOMMENDED OPERATING RANGE TPS2410 REGULATION-LOOP STABILITY MOSFET SELECTION AND R(RSET) GATE DRIVE, CHARGE PUMP AND C(BYP) FAST COMPARATOR INPUT FILTERING – C(FLTR) UV, OV, AND PG VDD, BYP, and POWERING OPTIONS INPUT ORing AND STAT BIDIRECTIONAL BLOCKING AND PROTECTION OF C ORing EXAMPLES SUMMARIZED DESIGN PROCEDURE Layout Considerations