Datasheet LT3825 (Analog Devices) - 8
| Fabricante | Analog Devices |
| Descripción | Isolated No-Opto Synchronous Flyback Controller with Wide Input Supply Range |
| Páginas / Página | 32 / 8 — BLOCK DIAGRAM |
| Formato / tamaño de archivo | PDF / 390 Kb |
| Idioma del documento | Inglés |
BLOCK DIAGRAM

Línea de modelo para esta hoja de datos
Versión de texto del documento
LT3825
BLOCK DIAGRAM
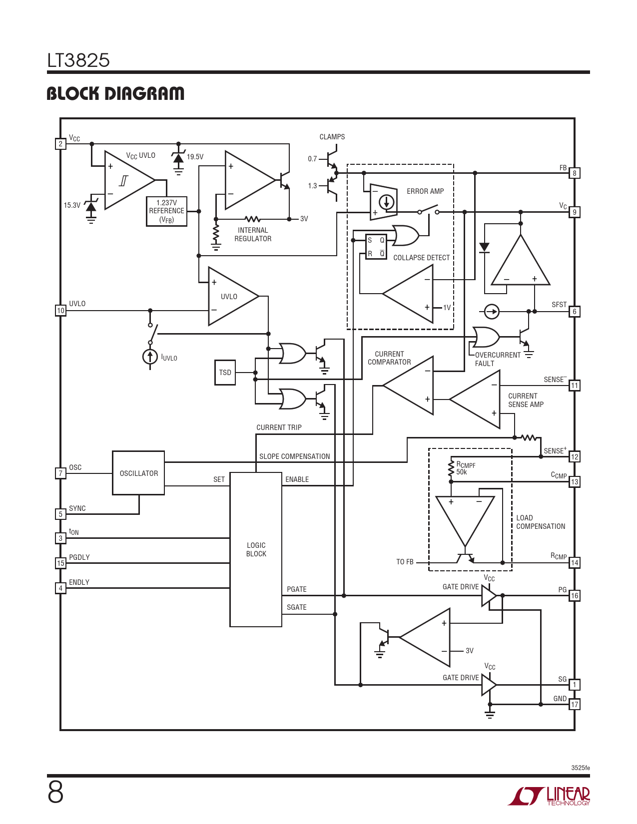
VCC CLAMPS 2 VCC UVLO 19.5V + + 0.7 FB 8 1.3 – – – ERROR AMP 15.3V 1.237V V REFERENCE + C 9 (VFB) 3V INTERNAL REGULATOR S Q R Q COLLAPSE DETECT + – – + UVLO UVLO – + SFST 10 1V 6 I CURRENT UVLO OVERCURRENT COMPARATOR – FAULT TSD – SENSE– 11 + CURRENT SENSE AMP + CURRENT TRIP SENSE+ SLOPE COMPENSATION 12 RCMPF OSC 7 OSCILLATOR 50k CCMP SET ENABLE 13 + – SYNC 5 LOAD COMPENSATION tON 3 LOGIC PGDLY BLOCK RCMP 15 TO FB 14 VCC ENDLY 4 PGATE GATE DRIVE PG 16 SGATE + – 3V VCC GATE DRIVE SG 1 GND 17 3525fe 8 Document Outline Features Description Applications Typical Application Absolute Maximum Ratings Pin Configuration Order Information Electrical Characteristics Typical Performance Characteristics Pin Functions Block Diagram Operation Applications Information Typical Applications Package Description Revision History Related Parts