Datasheet PIC16F631, PIC16F677, PIC16F685, PIC16F687, PIC16F689, PIC16F690 (Microchip) - 10
| Fabricante | Microchip | 
| Descripción | 20-Pin Flash-Based, 8-Bit CMOS Microcontrollers | 
| Páginas / Página | 298 / 10 — PIC16F631/677/685/687/689/690. FIGURE 1-2: PIC16F677 BLOCK DIAGRAM. INT. … | 
| Formato / tamaño de archivo | PDF / 3.1 Mb | 
| Idioma del documento | Inglés | 
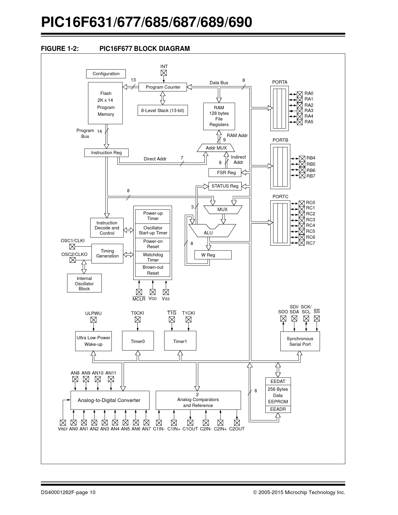
PIC16F631/677/685/687/689/690. FIGURE 1-2: PIC16F677 BLOCK DIAGRAM. INT. Configuration. 13 8 Data Bus PORTA Program Counter

Línea de modelo para esta hoja de datos
Versión de texto del documento
PIC16F631/677/685/687/689/690
FIGURE 1-2: PIC16F677 BLOCK DIAGRAM
INT
Configuration
13 8 Data Bus PORTA Program Counter
Flash RA0
RA1
RA2
RA3
RA4
RA5 2K x 14
Program RAM
128 bytes
File
Registers 8-Level Stack (13-bit) Memory Program 14
Bus RAM Addr
9 PORTB Addr MUX
Instruction Reg
7 Direct Addr 8 Indirect
Addr RB4
RB5
RB6
RB7 FSR Reg
STATUS Reg
8
PORTC
3
Power-up
Timer
Instruction
Decode and
Control Oscillator
Start-up Timer OSC1/CLKI ALU Power-on
Reset OSC2/CLKO Timing
Generation RC0
RC1
RC2
RC3
RC4
RC5
RC6
RC7 MUX 8 Watchdog
Timer W Reg Brown-out
Reset
Internal
Oscillator
Block
MCLR VDD
ULPWU T0CKI Ultra Low-Power
Wake-up Timer0 VSS
T1G SDI/ SCK/
SDO SDA SCL SS T1CKI Synchronous
Serial Port Timer1 AN8 AN9 AN10 AN11
EEDAT Analog-to-Digital Converter 2
Analog Comparators
and Reference 8 256 Bytes
Data
EEPROM
EEADR VREF AN0 AN1 AN2 AN3 AN4 AN5 AN6 AN7 C1IN-C1IN+ C1OUT C2IN-C2IN+ C2OUT DS40001262F-page 10  2005-2015 Microchip Technology Inc.