Datasheet HD44780U (LCD-II) (Hitachi) - 54

FabricanteHitachi
DescripciónDot Matrix Liquid Crystal Display Controller/Driver
Páginas / Página60 / 54 — HD44780U. Electrical Characteristics Notes
Formato / tamaño de archivoPDF / 330 Kb
Idioma del documentoInglés

HD44780U. Electrical Characteristics Notes

HD44780U Electrical Characteristics Notes

Línea de modelo para esta hoja de datos

Versión de texto del documento

HD44780U Electrical Characteristics Notes
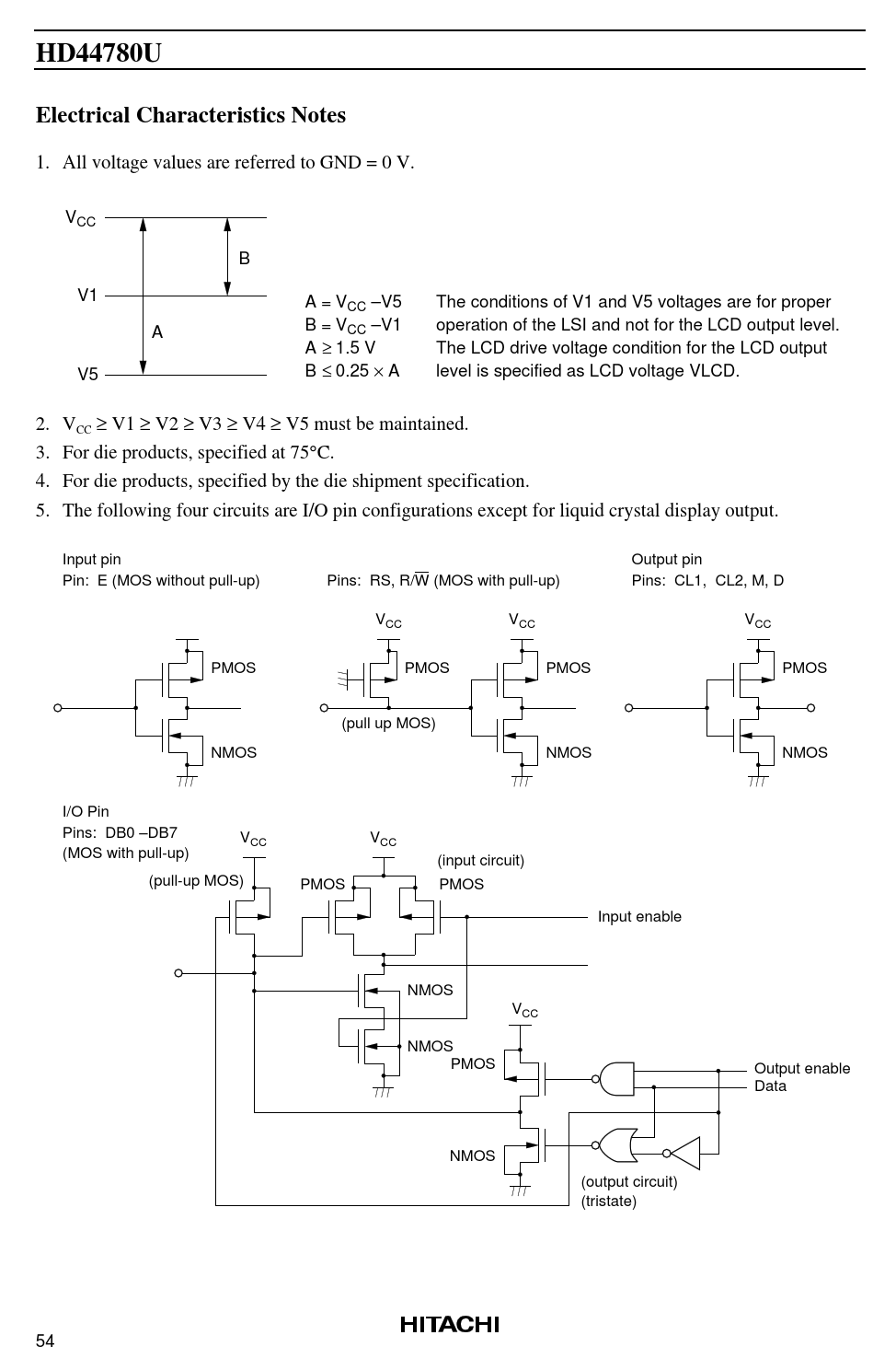
1. All voltage values are referred to GND = 0 V. VCC B V1 A = V The conditions of V1 and V5 voltages are for proper CC –V5 A B = V operation of the LSI and not for the LCD output level. CC –V1 A 1.5 V ≥ The LCD drive voltage condition for the LCD output B 0.25 V5 ≤ × A level is specified as LCD voltage VLCD. 2. V ≥ V1 ≥ V2 ≥ V3 ≥ V4 ≥ V5 must be maintained. CC 3. For die products, specified at 75°C. 4. For die products, specified by the die shipment specification. 5. The following four circuits are I/O pin configurations except for liquid crystal display output. Input pin Output pin Pin: E (MOS without pull-up) Pins: RS, R/W (MOS with pull-up) Pins: CL1, CL2, M, D VCC VCC VCC PMOS PMOS PMOS PMOS (pull up MOS) NMOS NMOS NMOS I/O Pin Pins: DB0 –DB7 V V CC CC (MOS with pull-up) (input circuit) (pull-up MOS) PMOS PMOS Input enable NMOS VCC NMOS PMOS Output enable Data NMOS (output circuit) (tristate) 54 Document Outline Description Features Ordering Information HD44780U Block Diagram HD44780U Pin Arrangement (FP-80B) HD44780U Pin Arrangement (TFP-80F) HD44780U Pad Arrangement HD44780U Pad Location Coordinates Pin Functions Function Description Interfacing to the MPU Reset Function Instructions Instruction Description Interfacing the HD44780U Power Supply for Liquid Crystal Display Drive Relationship between Oscillation Frequency and Liquid Crystal Display Frame Frequency Instruction and Display Correspondence Initializing by Instruction Absolute Maximum Ratings DC Characteristics AC Characteristics Bus Timing Characteristics Interface Timing Characteristics with External Driver Power Supply Conditions Using Internal Reset Circuit DC Characteristics AC Characteristics Bus Timing Characteristics Interface Timing Characteristics with External Driver Power Supply Conditions Using Internal Reset Circuit Electrical Characteristics Notes Load Circuits Timing Characteristics