Datasheet LTM4624 (Analog Devices) - 7
| Fabricante | Analog Devices |
| Descripción | 14VIN, 4A Step-Down DC/DC µModule Regulator |
| Páginas / Página | 26 / 7 — BLOCK DIAGRAM. Figure 1. Simplified LTM4624 Block Diagram. DECOUPLING … |
| Formato / tamaño de archivo | PDF / 350 Kb |
| Idioma del documento | Inglés |
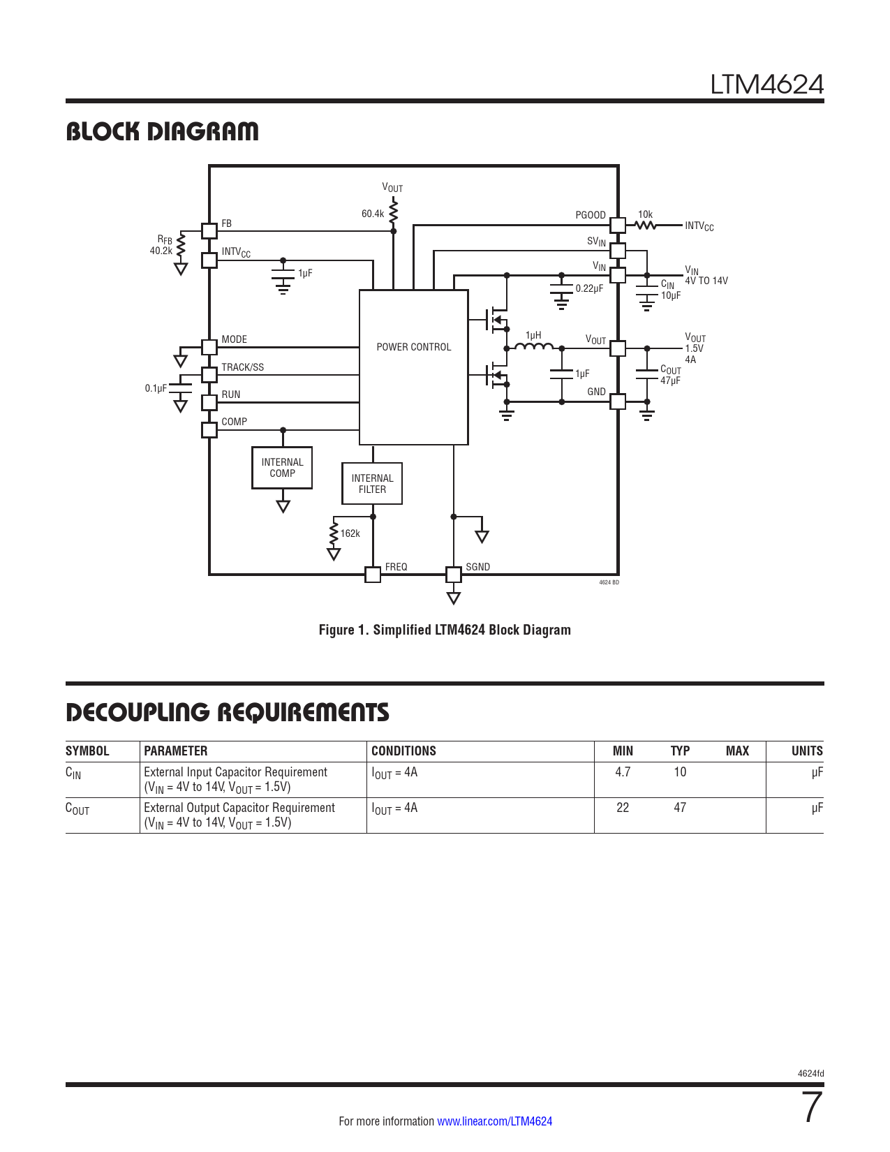
BLOCK DIAGRAM. Figure 1. Simplified LTM4624 Block Diagram. DECOUPLING REQUIREMENTS SYMBOL. PARAMETER. CONDITIONS. MIN. TYP. MAX. UNITS

Línea de modelo para esta hoja de datos
Versión de texto del documento
LTM4624
BLOCK DIAGRAM
VOUT 60.4k PGOOD 10k FB INTVCC RFB SVIN 40.2k INTVCC V 1µF IN VIN 4V TO 14V 0.22µF CIN 10µF MODE 1µH V VOUT POWER CONTROL OUT 1.5V 4A TRACK/SS 1µF COUT 47µF 0.1µF RUN GND COMP INTERNAL COMP INTERNAL FILTER 162k FREQ SGND 4624 BD
Figure 1. Simplified LTM4624 Block Diagram DECOUPLING REQUIREMENTS SYMBOL PARAMETER CONDITIONS MIN TYP MAX UNITS
CIN External Input Capacitor Requirement IOUT = 4A 4.7 10 µF (VIN = 4V to 14V, VOUT = 1.5V) COUT External Output Capacitor Requirement IOUT = 4A 22 47 µF (VIN = 4V to 14V, VOUT = 1.5V) 4624fd For more information www.linear.com/LTM4624 7 Document Outline Features Applications Description Typical Application Absolute Maximum Ratings Pin Configuration Order Information Electrical Characteristics Typical Performance Characteristics Pin Functions Block Diagram Decoupling Requirements Operation Applications Information Package Description Package Photo Design Resources Related Parts