Datasheet LTC4367 (Analog Devices) - 8
| Fabricante | Analog Devices |
| Descripción | 100V Overvoltage, Undervoltage and Reverse Supply Protection Controller |
| Páginas / Página | 22 / 8 — BLOCK DIAGRAM |
| Formato / tamaño de archivo | PDF / 880 Kb |
| Idioma del documento | Inglés |
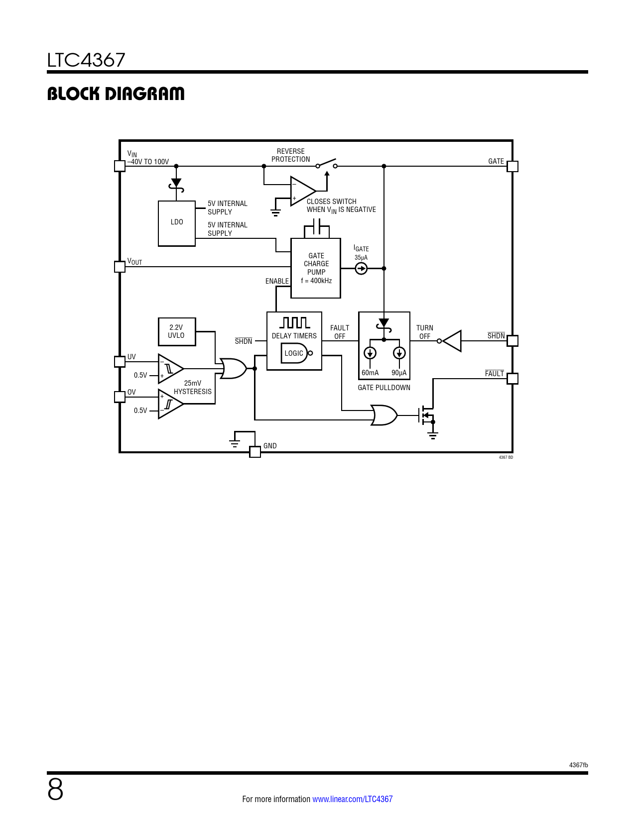
BLOCK DIAGRAM

Línea de modelo para esta hoja de datos
Versión de texto del documento
LTC4367
BLOCK DIAGRAM
V REVERSE IN –40V TO 100V PROTECTION GATE – + 5V INTERNAL CLOSES SWITCH SUPPLY WHEN VIN IS NEGATIVE LDO 5V INTERNAL SUPPLY IGATE GATE 35µA VOUT CHARGE PUMP ENABLE f = 400kHz 2.2V FAULT TURN UVLO DELAY TIMERS OFF OFF SHDN SHDN UV LOGIC – 0.5V + 60mA 90µA FAULT 25mV OV HYSTERESIS GATE PULLDOWN + 0.5V – GND 4367 BD 4367fb 8 For more information www.linear.com/LTC4367