Datasheet LTC4006 (Analog Devices) - 7
| Fabricante | Analog Devices |
| Descripción | 4A, High Efficiency, Standalone Li-Ion Battery Charger |
| Páginas / Página | 20 / 7 — BLOCK DIAGRA |
| Formato / tamaño de archivo | PDF / 273 Kb |
| Idioma del documento | Inglés |
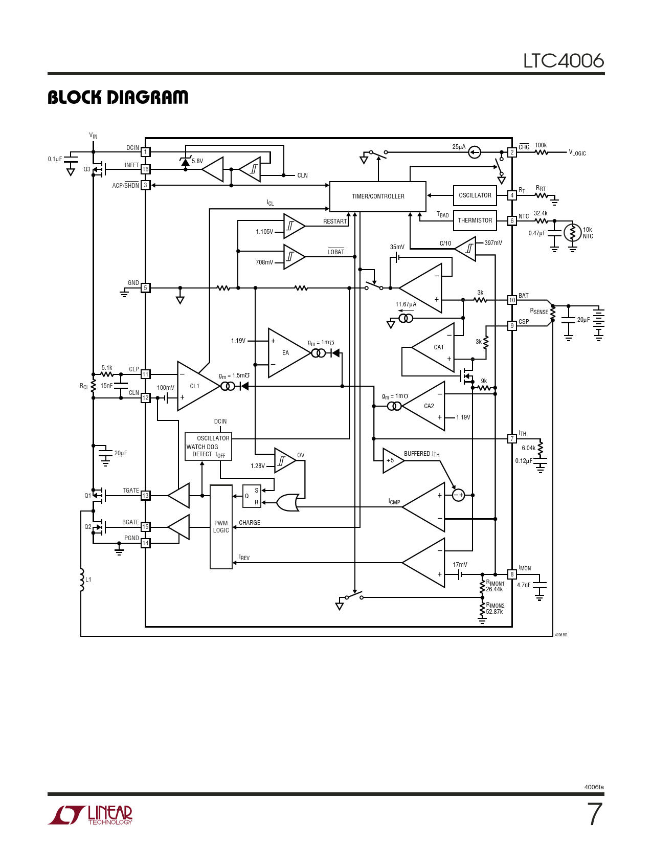
BLOCK DIAGRA

Línea de modelo para esta hoja de datos
Versión de texto del documento
LTC4006
W BLOCK DIAGRA
VIN DCIN 25µA CHG 100k 1 2 VLOGIC 0.1µF 5.8V INFET Q3 16 CLN ACP/SHDN 3 R R T RT TIMER/CONTROLLER OSCILLATOR 4 ICL T 32.4k BAD NTC RESTART THERMISTOR 6 10k 1.105V 0.47µF NTC C/10 397mV 35mV LOBAT 708mV – GND 5 3k + BAT 10 11.67µA RSENSE CSP 20µF – 9 1.19V + Ω gm = 1m 3k CA1 EA + – 5.1k CLP Ω 11 – gm = 1.5m 9k R 15nF CL 100mV CL1 CLN Ω g 12 + – m = 1m CA2 + 1.19V DCIN ITH OSCILLATOR 7 WATCH DOG 6.04k 20µF DETECT tOFF OV BUFFERED ITH ÷5 0.12µF 1.28V TGATE S + Q1 13 Q – + R ICMP – BGATE PWM CHARGE Q2 15 LOGIC PGND 14 – IREV 17mV IMON + 8 L1 RIMON1 4.7nF 26.44k RIMON2 52.87k 4006 BD 4006fa 7