Datasheet LT1571 (Analog Devices) - 7
| Fabricante | Analog Devices |
| Descripción | Constant-Current/Constant-Voltage Battery Charger with Preset Voltage and Termination Flag |
| Páginas / Página | 16 / 7 — BLOCK DIAGRA. NOTES: |
| Formato / tamaño de archivo | PDF / 220 Kb |
| Idioma del documento | Inglés |
BLOCK DIAGRA. NOTES:

Línea de modelo para esta hoja de datos
Versión de texto del documento
LT1571 Series
W BLOCK DIAGRA
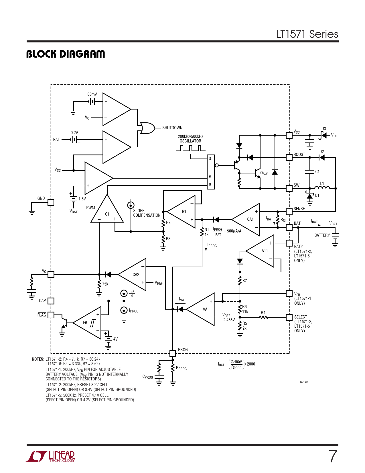
80mV + + VC – SHUTDOWN D3 0.2V VCC 200kHz/500kHz VIN BAT + + OSCILLATOR D2 – BOOST S – VCC C1 QSW R + R L1 SW + D1 GND 1.5V – PWM SENSE VBAT SLOPE B1 + C1 COMPENSATION + – + CA1 IBAT RS1 R2 IBAT BAT VBAT I – R1 PROG = 500µA/A 1k IBAT BATTERY R3 + IPROG BAT2 A11 (LT1571-2, LT1571-5 – – ONLY) VC CA2 + R7 VREF 75k IVA VFB 4 IVA CAP + (LT1571-1 ONLY) R6 VA IPROG + 11k R4 FLAG – VREF SELECT 2.465V E6 R5 (LT1571-2, – 2k LT1571-5 ONLY) + 4V PROG
NOTES:
LT1571-2: R4 = 7.1k, R7 = 30.24k 2. V 465 LT1571-5: R4 = 3.33k, R7 = 8.62k IBAT = • 2000 R R PROG LT1571-1: 200kHz, V PROG FB PIN FOR ADJUSTABLE BATTERY VOLTAGE (VFB PIN IS NOT INTERNALLY CPROG CONNECTED TO THE RESISTORS) 1571 BD LT1571-2: 200kHz, PRESET 8.2V CELL (SELECT PIN OPEN) OR 8.4V (SELECT PIN GROUNDED) LT1571-5: 500KHz, PRESET 4.1V CELL (SEECT PIN OPEN) OR 4.2V (SELECT PIN GROUNDED) 7