Datasheet LT1769 (Analog Devices) - 7

FabricanteAnalog Devices
DescripciónConstant-Current/Constant-Voltage 2A Battery Charger with Input Current Limiting
Páginas / Página16 / 7 — BLOCK DIAGRAM
Formato / tamaño de archivoPDF / 243 Kb
Idioma del documentoInglés

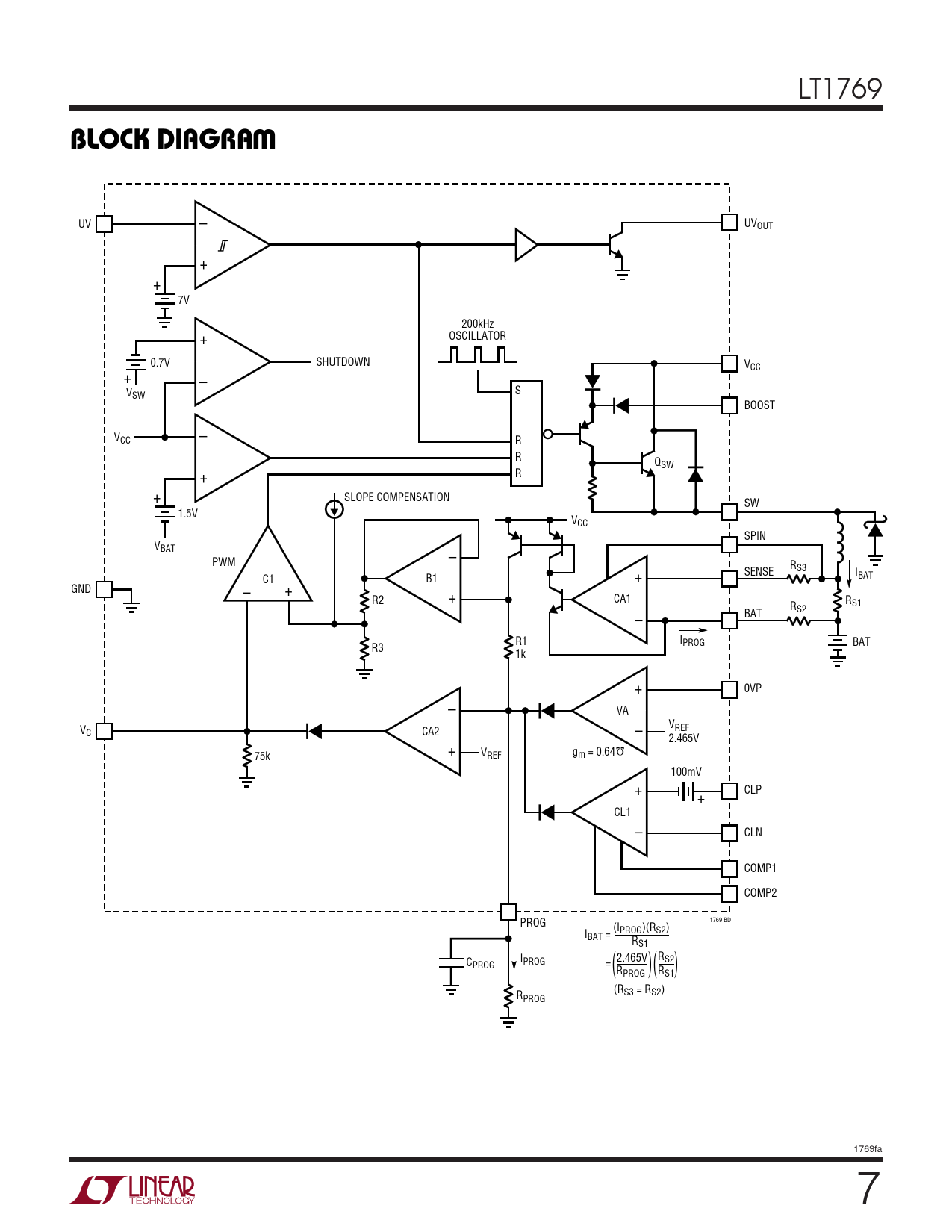
BLOCK DIAGRAM

BLOCK DIAGRAM

Línea de modelo para esta hoja de datos

Versión de texto del documento

LT1769
W BLOCK DIAGRAM
– UV UVOUT + + 7V 200kHz + OSCILLATOR 0.7V SHUTDOWN VCC + – V S SW BOOST – VCC R R Q + SW R + SLOPE COMPENSATION SW 1.5V VCC SPIN VBAT – PWM R SENSE S3 I C1 B1 + BAT GND + – + R2 CA1 R R S1 S2 – BAT R1 IPROG BAT R3 1k + 0VP – VA V V REF C CA2 – + 2.465V Ω V 75k REF gm = 0.64 100mV + CLP + CL1 – CLN COMP1 COMP2 1769 BD PROG (I I PROG)(RS2) BAT = RS1 I R C PROG 2.465V S2 ( )( ) PROG = RPROG RS1 (R R S3 = RS2) PROG 1769fa 7