Datasheet LT1505 (Analog Devices) - 8
| Fabricante | Analog Devices |
| Descripción | Constant-Current/Voltage High Efficiency Battery Charger |
| Páginas / Página | 16 / 8 — BLOCK DIAGRAM (LT1505) |
| Formato / tamaño de archivo | PDF / 170 Kb |
| Idioma del documento | Inglés |
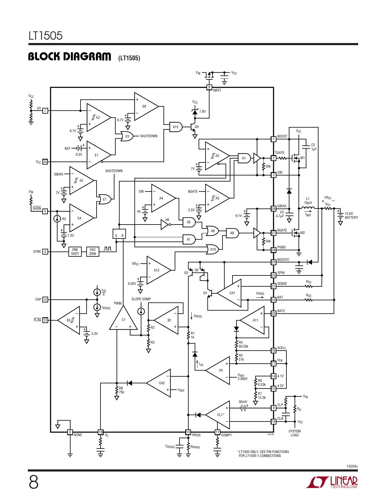
BLOCK DIAGRAM (LT1505)

Línea de modelo para esta hoja de datos
Versión de texto del documento
LT1505
W BLOCK DIAGRAM (LT1505)
V V IN CC 8 INFET VCC + VCC UV – E8 7 – 7.8V + E2 + 6.7V + A13 Q4 6.7V VCC E3 SHUTDOWN BOOST 1 + + C2 BAT + 1µF TGATE 0.2V E1 A2 A1 2 M1 – VCC 24 – + 50k 7V – SHUTDOWN SW GBIAS 3 E5 + + – – V SW BGATE IN 7V A4 A3 E7 L1 VRS1 + + + – 10µH RS1 + + SHDN – GBIAS 2.5V 26 5 4V + C3 + 12.6V 9.1V I 4.7µF BAT E4 BATTERY 4U A6 + A5 + A8 BGATE A9 27 M2 1.3V S R A7 50k PGND ONE OSC A10 28 SYNC 4 SHOT 200k + BOOSTC VR 25 S1 A12 Q2 – Q3 SPIN 22 + R 0.02V + S3 SENSE 21 IVA Q1 CA1 IPROG 4 – R BAT S2 CAP 12 SLOPE COMP 23 PWM I – PROG – + BAT2 20 IPROG FLAG 13 E6 C1 B1 A11 + – + + – R2 + 3.3V R1 1k R3 R4 50.55k 3CELL 16 R5 21k V + FB I 17 VA VA – – VREF 14 4.1V 2.465V R6 CA2 0.33k 4.2V R8 + 15 V 75k REF R7 12.3k VIN 92mV + CLP + 9 RS CL1* – CLN 10 VCC 6 18 19 11 SYSTEM AGND VC COMP1 1505 BD PROG LOAD CPROG RPROG *LT1505 ONLY. SEE PIN FUNCTIONS FOR LT1505-1 CONNECTIONS 1505fc 8