Datasheet ADE7854, ADE7858, ADE7868, ADE7878 (Analog Devices) - 5

FabricanteAnalog Devices
DescripciónPolyphase Multifunction Energy Metering IC with Harmonic and Fundamental Information
Páginas / Página100 / 5 — Data Sheet. ADE7854/ADE7858/ADE7868/ADE7878. FUNCTIONAL BLOCK DIAGRAMS. …
RevisiónH
Formato / tamaño de archivoPDF / 1.7 Mb
Idioma del documentoInglés

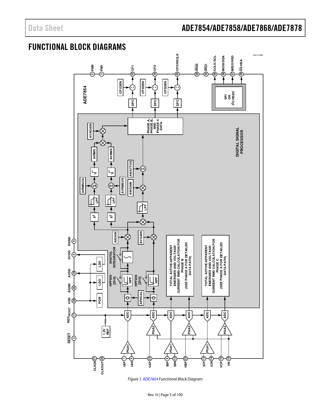
Data Sheet. ADE7854/ADE7858/ADE7868/ADE7878. FUNCTIONAL BLOCK DIAGRAMS. /SD. PM0. PM1. SS/. 1DE. 2DE. 3DE. 7854. SPI. SE C. AND. HAS. DAT. IGN. S L. C O

Data Sheet ADE7854/ADE7858/ADE7868/ADE7878 FUNCTIONAL BLOCK DIAGRAMS /SD PM0 PM1 SS/ 1DE 2DE 3DE 7854 SPI SE C AND HAS DAT IGN S L C O

Línea de modelo para esta hoja de datos

Versión de texto del documento

Data Sheet ADE7854/ADE7858/ADE7868/ADE7878 FUNCTIONAL BLOCK DIAGRAMS K
204 08510-
L A CL C SD S A HS /SD /H K/ S 1 2 3/ SI H Q0 Q1 CL SO PM0 PM1 CF CF CF IR IR S MO MI SS/ 2 3 33 34 35 29 32 36 38 37 39 N N N : : : 1DE 2DE 3DE CF CF CF 7854 DC E SPI OR HS D C C C C/ A 2 DF DF DF I A, B, A N E E SE C AI AND A L HAS HAS DAT A PH R AG P P AV IGN SO S L ES A C O S MS IGIT PR RM VR D AI A TTOS WA A S S O S N MSO AI RM G VR AI A AW PF PF L L PF L 2 2 X X N IN AI G ND IGA 6 R R A AV O O DG / / ED ED NT E N F IL NT E N F IL L IO A A TOR AG AG IO DD 5 A ARE T ET ARE T AT ET P L P L AT DV O D H) O D H) IGITA GR R R D /AP CUL AT /AP CUL TE O O AT DO E E L SE B F SE C IN F IV A IV A P A AND V CAL AND V CAL A P DD S S S PH S PH 24 V IE SE A DAT IE SE A ACT DAT S S ACT A A A RM RM DI 0] F DI 0] F AL RG AL RG F F T NT T DO NT [23: HP [23: HP O NE NE L O HP HP T E T E ND 25 (SEE PH (SEE PH AG L CURRE CURRE R HCA DD 26 V PO AP T /OU IN 17 F ADC ADC ADC ADC ADC ADC RE A3 A3 A3 F 2V G G G RE P P P 1. 4 ESET R A1 A1 A1 G G G P P P 7 8 9 27 28 23 12 22 13 14 19 18 N KI UT IAP IAN AP BP CP VN V IBP IBN V ICP ICN V CL KO CL
Figure 1. ADE7854 Functional Block Diagram Rev. H | Page 5 of 100 Document Outline Features Applications General Description Table of Contents Revision History Functional Block Diagrams Specifications Timing Characteristics Absolute Maximum Ratings Thermal Resistance ESD Caution Pin Configuration and Function Descriptions Typical Performance Characteristics Test Circuit Terminology Power Management PSM0—Normal Power Mode (All Parts) PSM1—Reduced Power Mode (ADE7868, ADE7878 Only) PSM2—Low Power Mode (ADE7868, ADE7878 Only) PSM3—Sleep Mode (All Parts) Power-Up Procedure Hardcore Reset Software Reset Functionality Theory of Operation Analog Inputs Analog-to-Digital Conversion Antialiasing Filter ADC Transfer Function Current Channel ADC Current Waveform Gain Registers Current Channel HPF Current Channel Sampling di/dt Current Sensor and Digital Integrator Voltage Channel ADC Voltage Waveform Gain Registers Voltage Channel HPF Voltage Channel Sampling Changing Phase Voltage Datapath POWER QUALITY MEASUREMENTS Zero-Crossing Detection Zero-Crossing Timeout Phase Sequence Detection Time Interval Between Phases Period Measurement Phase Voltage Sag Detection SAG Level Set Peak Detection Overvoltage and Overcurrent Detection Overvoltage and Overcurrent Level Set Neutral Current Mismatch—ADE7868, ADE7878 Phase Compensation Reference Circuit Digital Signal Processor Root Mean Square Measurement Current RMS Calculation Current RMS Offset Compensation Current Mean Absolute Value Calculation—ADE7868 and ADE7878 Only Current MAV Gain and Offset Compensation Voltage Channel RMS Calculation Voltage RMS Offset Compensation Active Power Calculation Total Active Power Calculation Fundamental Active Power Calculation—ADE7878 Only Active Power Gain Calibration Active Power Offset Calibration Sign of Active Power Calculation Active Energy Calculation Integration Time Under Steady Load Energy Accumulation Modes Line Cycle Active Energy Accumulation Mode Reactive Power Calculation—ADE7858, ADE7868, ADE7878 Only Reactive Power Gain Calibration Reactive Power Offset Calibration Sign of Reactive Power Calculation Reactive Energy Calculation Integration Time Under A Steady Load Energy Accumulation Modes Line Cycle Reactive Energy Accumulation Mode Apparent Power Calculation Apparent Power Gain Calibration Apparent Power Offset Calibration Apparent Power Calculation Using VNOM Apparent Energy Calculation Integration Time Under Steady Load Energy Accumulation Mode Line Cycle Apparent Energy Accumulation Mode Waveform Sampling Mode Energy-to-Frequency Conversion Synchronizing Energy Registers with CFx Outputs CF Outputs for Various Accumulation Modes Sign of Sum-of-Phase Powers in the CFx Datapath No Load Condition No Load Detection Based On Total Active, Reactive Powers No Load Detection Based on Fundamental Active and Reactive Powers—ADE7878 Only No Load Detection Based on Apparent Power Checksum Register Interrupts Using the Interrupts with an MCU Serial Interfaces Serial Interface Choice I2C-Compatible Interface I2C Write Operation I2C Read Operation SPI-Compatible Interface SPI Read Operation SPI Write Operation HSDC Interface Quick Setup as Energy Meter Layout Guidelines Crystal Circuit ADE7878 Evaluation Board Die Version Silicon Anomaly ADE7854/ADE7858/ADE7868/ADE7878 Functionality Issues Functionality Issues SECTION 1. ADE7854/ADE7858/ADE7868/ADE7878 Functionality Issues Registers List Outline Dimensions Ordering Guide