Datasheet LT8620 (Analog Devices) - 9
| Fabricante | Analog Devices |
| Descripción | 65V, 2A Synchronous Step-Down Regulator with 2.5μA Quiescent Current |
| Páginas / Página | 26 / 9 — BLOCK DIAGRAM |
| Formato / tamaño de archivo | PDF / 599 Kb |
| Idioma del documento | Inglés |
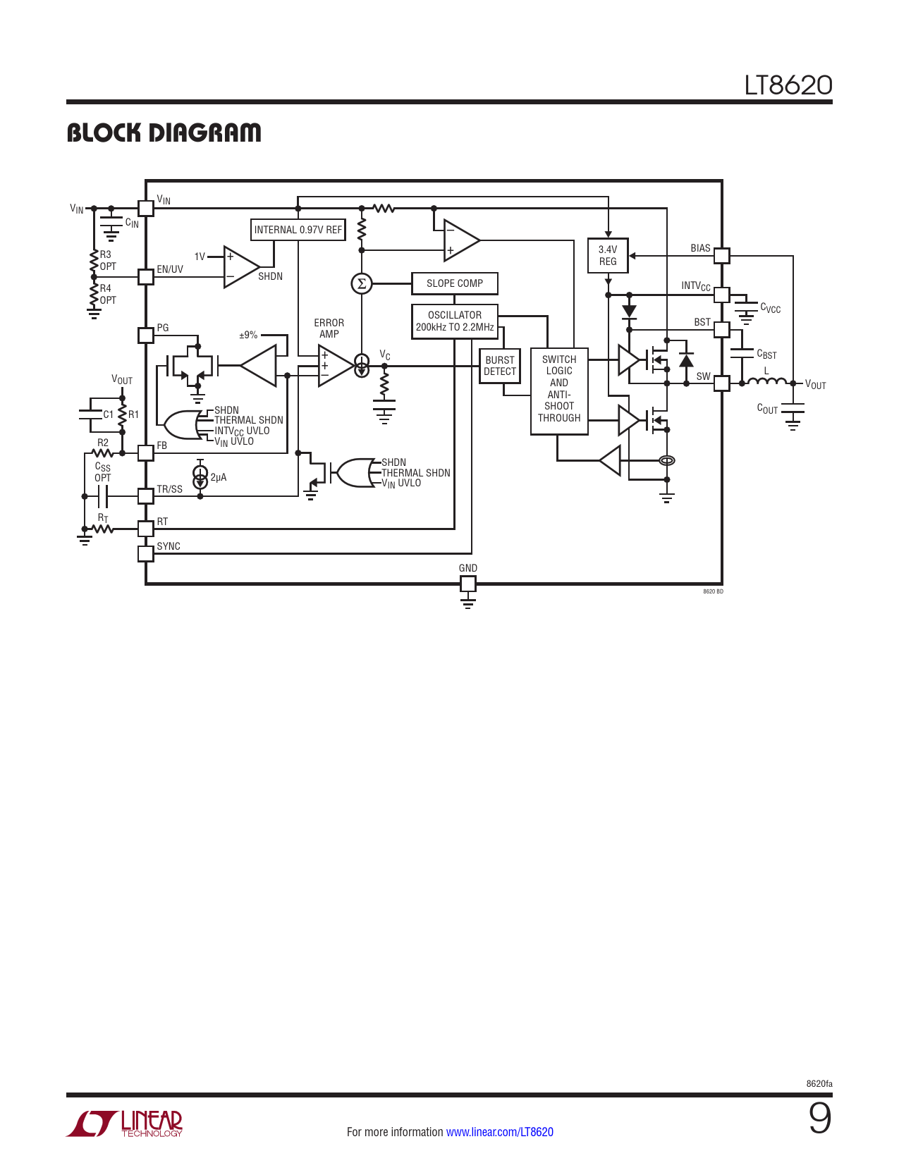
BLOCK DIAGRAM

Línea de modelo para esta hoja de datos
Versión de texto del documento
LT8620
BLOCK DIAGRAM
VIN VIN CIN – INTERNAL 0.97V REF + 3.4V BIAS R3 1V + REG OPT EN/UV – SHDN SLOPE COMP INTV R4 CC OPT C OSCILLATOR VCC ERROR PG 200kHz TO 2.2MHz BST ±9% AMP + V C + C BURST BST SWITCH V – DETECT LOGIC SW L OUT AND VOUT ANTI- SHOOT SHDN COUT C1 R1 THERMAL SHDN THROUGH INTVCC UVLO R2 VIN UVLO FB SHDN CSS THERMAL SHDN OPT 2µA VIN UVLO TR/SS RT RT SYNC GND 8620 BD 8620fa For more information www.linear.com/LT8620 9 Document Outline Features Applications Description Typical Application Absolute Maximum Ratings Pin Configuration Order Information Electrical Characteristics Typical Performance Characteristics Pin Functions Block Diagram Operation Applications Information Typical Applications Package Description Typical Application Related Parts