Datasheet LT3470 (Analog Devices) - 7
| Fabricante | Analog Devices |
| Descripción | Micropower Buck Regulator with Integrated Boost and Catch Diodes |
| Páginas / Página | 20 / 7 — block DiagraM |
| Formato / tamaño de archivo | PDF / 292 Kb |
| Idioma del documento | Inglés |
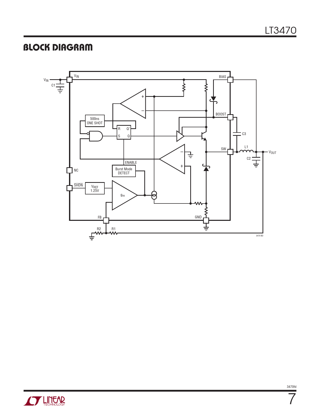
block DiagraM

Línea de modelo para esta hoja de datos
Versión de texto del documento
LT3470
block DiagraM
VIN BIAS VIN C1 + – BOOST 500ns ONE SHOT R Q′ C3 S Q – SW L1 VOUT C2 ENABLE + Burst Mode NC DETECT SHDN VREF 1.25V gm FB GND R2 R1 3470 BD 3470fd 7 Document Outline Features Applications Description Typical Application Absolute Maximum Ratings Pin Configuration Order Information Electrical Characteristics Typical Performance Characteristics Pin Functions Block Diagram Operation Applications Information Typical Applications Package Description Revision History Related Parts