Datasheet LTC3623 (Analog Devices) - 10

FabricanteAnalog Devices
Descripción15V, ±5A Rail-to-Rail Synchronous Buck Regulator
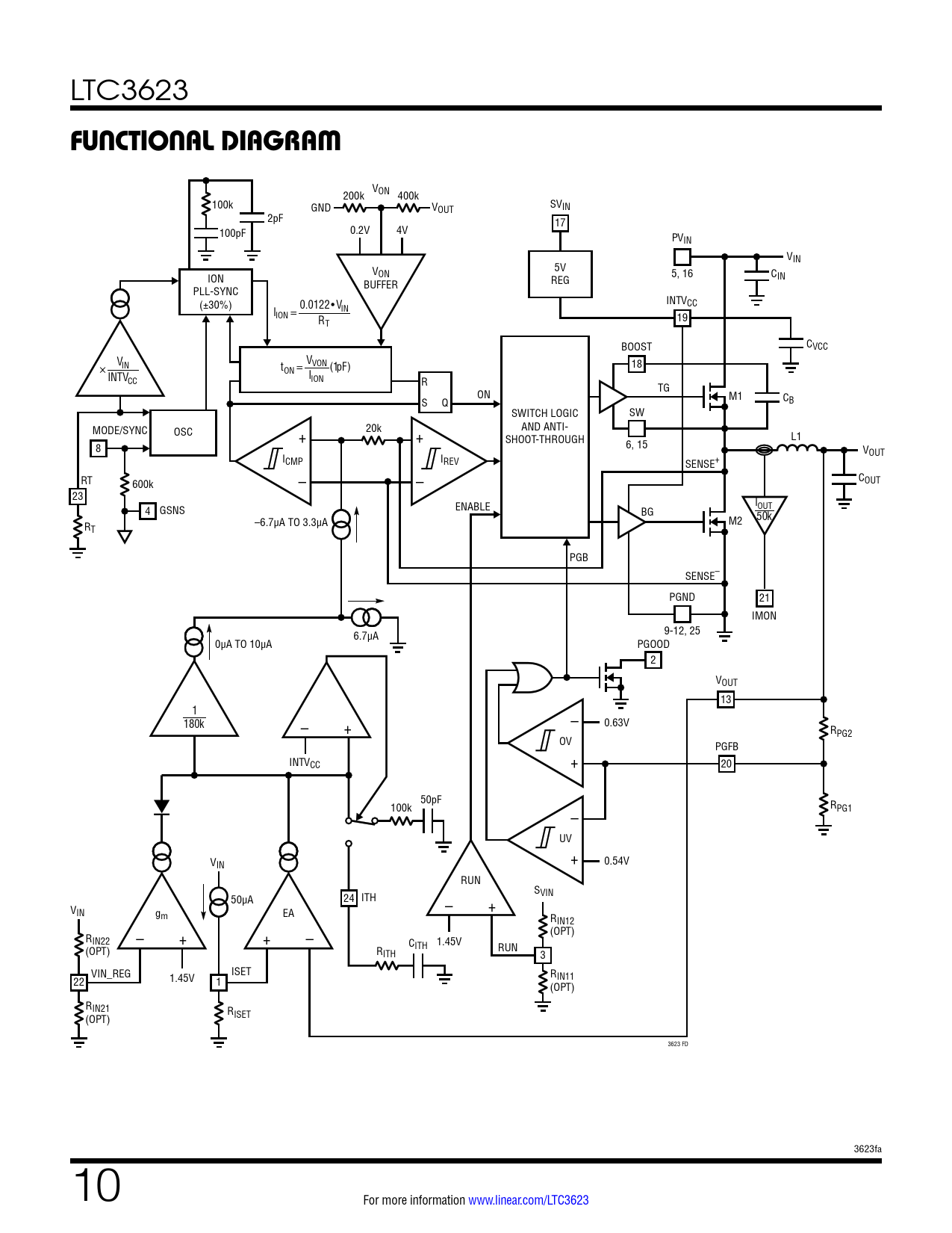
Páginas / Página30 / 10 — FuncTional DiagraM
Formato / tamaño de archivoPDF / 1.5 Mb
Idioma del documentoInglés

FuncTional DiagraM

FuncTional DiagraM

Línea de modelo para esta hoja de datos

Versión de texto del documento

LTC3623
FuncTional DiagraM
VON 200k 400k 100k GND V SV OUT IN 2pF 17 100pF 0.2V 4V PVIN VIN V 5V ON 5, 16 CIN ION BUFFER REG PLL-SYNC INTV (±30%) 0.0122• V CC I IN ION = R 19 T C BOOST VCC V V ! IN VON 18 t (1pF) INTV ON = I CC ION R TG ON M1 CB S Q SWITCH LOGIC SW MODE/SYNC OSC 20k AND ANTI- + + L1 SHOOT-THROUGH 6, 15 8 VOUT ICMP IREV SENSE+ – – C RT OUT 600k 23 I 4 GSNS ENABLE BG OUT –6.7µA TO 3.3µA M2 50k RT PGB SENSE– PGND 21 IMON 6.7µA 9-12, 25 0µA TO 10µA PGOOD 2 VOUT 13 1 – 180k 0.63V – + RPG2 OV PGFB + INTVCC 20 50pF 100k RPG1 – UV + VIN 0.54V RUN SVIN 50µA 24 ITH V – + IN gm EA RIN12 (OPT) RIN22 – + + – CITH 1.45V (OPT) R RUN ITH 3 VIN_REG ISET 1.45V R 22 1 IN11 (OPT) RIN21 RISET (OPT) 3623 FD 3623fa 10 For more information www.linear.com/LTC3623