Datasheet LTC3624, LTC3624-2 (Analog Devices) - 8

FabricanteAnalog Devices
Descripción17V, 2A Synchronous Step-Down Regulator with 3.5μA Quiescent Current
Páginas / Página20 / 8 — block DiagraM
Formato / tamaño de archivoPDF / 327 Kb
Idioma del documentoInglés

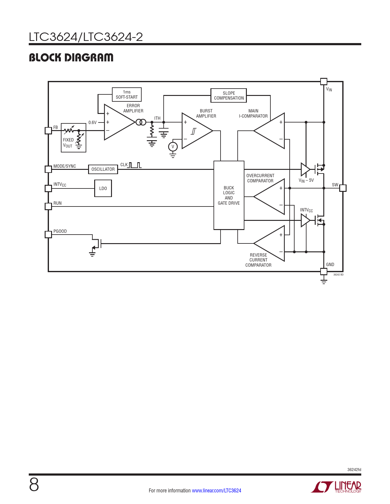
block DiagraM

block DiagraM

Línea de modelo para esta hoja de datos

Versión de texto del documento

LTC3624/LTC3624-2
block DiagraM
VIN 1ms SLOPE SOFT-START COMPENSATION ERROR + AMPLIFIER BURST MAIN AMPLIFIER I-COMPARATOR 0.6V + ITH + + FB – FIXED – – VOUT V MODE/SYNC CLK OSCILLATOR OVERCURRENT COMPARATOR V INTV IN – 5V CC LDO BUCK + SW LOGIC AND RUN GATE DRIVE – INTVCC PGOOD + – REVERSE CURRENT COMPARATOR GND 36242 BD 36242fd 8 For more information www.linear.com/LTC3624 Document Outline Features Applications Typical Application Description Absolute Maximum Ratings Pin Configuration Order Information Order Information Electrical Characteristics Typical Performance Characteristics Pin Functions Block Diagram Operation Applications Information Package Description Revision History Typical Application Related Parts