Datasheet LTC3548-2 (Analog Devices) - 6
| Fabricante | Analog Devices |
| Descripción | Dual Synchronous, Fixed/Adjustable Output, 2.25MHz Step-Down DC/DC Regulator |
| Páginas / Página | 16 / 6 — BLOCK DIAGRAM |
| Formato / tamaño de archivo | PDF / 418 Kb |
| Idioma del documento | Inglés |
BLOCK DIAGRAM

Línea de modelo para esta hoja de datos
Versión de texto del documento
LTC3548-2
BLOCK DIAGRAM
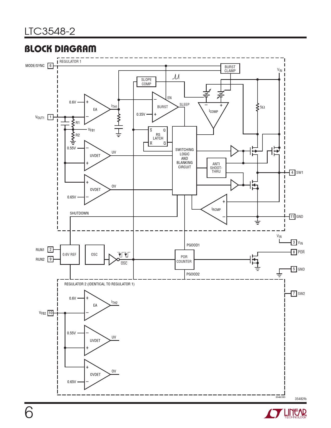
REGULATOR 1 MODE/SYNC 6 BURST CLAMP VIN SLOPE COMP – EN 0.6V + I SLEEP – + TH1 BURST 5Ω EA ICOMP 0.35V + V 1 OUT1 – R1 VFB1 S Q R2 RS LATCH R Q 0.55V – SWITCHING UV UVDET LOGIC AND + BLANKING ANTI CIRCUIT SHOOT- THRU 4 SW1 + OV OVDET 0.65V – + IRCMP SHUTDOWN – 11 GND VIN 3 V PGOOD1 IN RUN1 2 8 POR 0.6V REF OSC POR RUN2 9 COUNTER OSC 5 GND PGOOD2 REGULATOR 2 (IDENTICAL TO REGULATOR 1) 7 SW2 0.6V + ITH2 EA VFB2 10 – 0.55V – UV UVDET + + OV OVDET 0.65V – 35482 BD 35482fb 6