Datasheet ADP1876 (Analog Devices) - 3

FabricanteAnalog Devices
Descripción600 kHz Dual Output Synchronous Buck PWM Controller Plus Linear Regulator
Páginas / Página24 / 3 — Data Sheet. ADP1876. FUNCTIONAL BLOCK DIAGRAM. VIN. VCCO. THERMAL. LDO. …
RevisiónB
Formato / tamaño de archivoPDF / 700 Kb
Idioma del documentoInglés

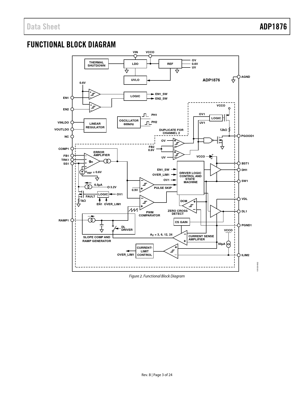
Data Sheet. ADP1876. FUNCTIONAL BLOCK DIAGRAM. VIN. VCCO. THERMAL. LDO. REF. 0.6V. SHUTDOWN. AGND. UVLO. EN1_SW. LOGIC. EN1. EN2_SW. EN2. OV1. PH1

Data Sheet ADP1876 FUNCTIONAL BLOCK DIAGRAM VIN VCCO THERMAL LDO REF 0.6V SHUTDOWN AGND UVLO EN1_SW LOGIC EN1 EN2_SW EN2 OV1 PH1

Línea de modelo para esta hoja de datos

Versión de texto del documento

Data Sheet ADP1876 FUNCTIONAL BLOCK DIAGRAM VIN VCCO OV THERMAL LDO REF 0.6V SHUTDOWN UV AGND UVLO ADP1876 0.6V + EN1_SW LOGIC EN1 EN2_SW + VCCO EN2 OV1 PH1 LOGIC OSCILLATOR VINLDO PH2 LINEAR 600kHz UV1 REGULATOR VOUTLDO DUPLICATE FOR 12kΩ CHANNEL 2 PGOOD1 NC OV FB2 COMP1 0.6V ERROR AMPLIFIER FB1 UV VCCO + TRK1 + m SS1 BST1 + EN1_SW DH1 VREF = 0.6V DRIVER LOGIC OVER_LIM1 CONTROL AND STATE OV1 SW1 MACHINE 6.5µA 3.2V PULSE SKIP 0.9V LOGIC OV1 FAULT VDL 1kΩ DCM EN1 OVER_LIM1 ZERO CROSS DL1 PWM DETECT COMPARATOR RAMP1 CS GAIN PGND1 DL DRIVER VCCO AV = 3, 6, 12, 24 CURRENT SENSE SLOPE COMP AND AMPLIFIER RAMP GENERATOR 50µA CURRENT- LIMIT OVER_LIM1 CONTROL ILIM2
002 10103- Figure 2. Functional Block Diagram Rev. B | Page 3 of 24 Document Outline FEATURES APPLICATIONS TYPICAL OPERATION CIRCUIT GENERAL DESCRIPTION TABLE OF CONTENTS REVISION HISTORY FUNCTIONAL BLOCK DIAGRAM SPECIFICATIONS ABSOLUTE MAXIMUM RATINGS ESD CAUTION PIN CONFIGURATION AND FUNCTION DESCRIPTIONS TYPICAL PERFORMANCE CHARACTERISTICS THEORY OF OPERATION INDEPENDENT LOW DROPOUT LINEAR REGULATOR CONTROLLER ARCHITECTURE Synchronous Rectifier and Dead Time INPUT UNDERVOLTAGE LOCKOUT INTERNAL LINEAR REGULATOR (VCCO) OVERVOLTAGE PROTECTION POWER GOOD SHORT-CIRCUIT AND CURRENT-LIMIT PROTECTION SHUTDOWN CONTROL THERMAL OVERLOAD PROTECTION APPLICATIONS INFORMATION INDEPENDENT LOW DROPOUT LINEAR REGULATOR SETTING THE OUTPUT VOLTAGE OF THE CONTROLLER SOFT START SETTING THE CURRENT LIMIT ACCURATE CURRENT-LIMIT SENSING SETTING THE SLOPE COMPENSATION SETTING THE CURRENT SENSE GAIN INPUT CAPACITOR SELECTION INPUT FILTER BOOST CAPACITOR SELECTION INDUCTOR SELECTION OUTPUT CAPACITOR SELECTION MOSFET SELECTION LOOP COMPENSATION SWITCHING NOISE AND OVERSHOOT REDUCTION PCB LAYOUT GUIDELINE TYPICAL APPLICATIONS CIRCUIT PACKAGING AND ORDERING INFORMATION OUTLINE DIMENSIONS ORDERING GUIDE