Datasheet LTC3826 (Analog Devices) - 10
| Fabricante | Analog Devices |
| Descripción | 30µA IQ, Dual, 2-Phase Synchronous Step-Down Controller |
| Páginas / Página | 36 / 10 — BLOCK DIAGRAM |
| Formato / tamaño de archivo | PDF / 485 Kb |
| Idioma del documento | Inglés |
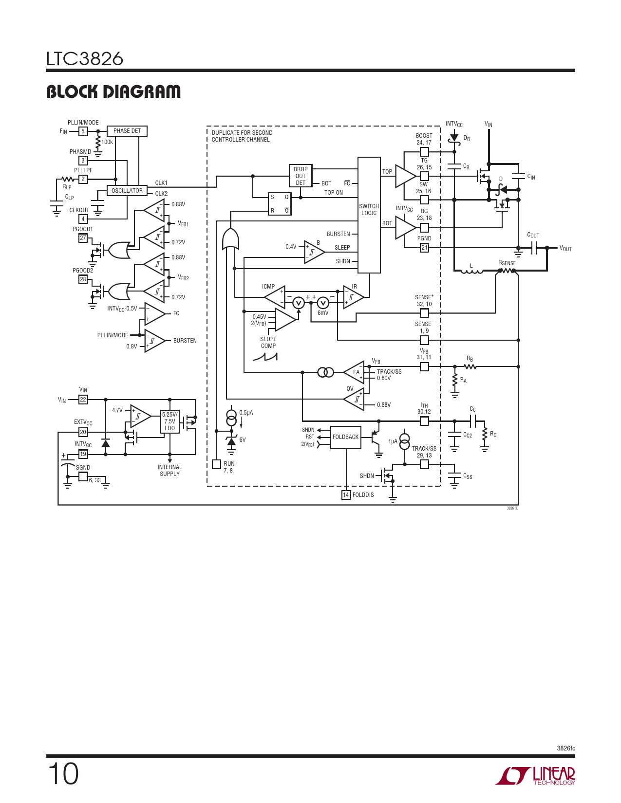
BLOCK DIAGRAM

Línea de modelo para esta hoja de datos
Versión de texto del documento
LTC3826
BLOCK DIAGRAM
PLLIN/MODE INTVCC VIN FIN 5 PHASE DET DUPLICATE FOR SECOND BOOST D CONTROLLER CHANNEL B 100k 24, 17 PHASMD 3 TG 26, 15 CB PLLLPF DROP TOP OUT CIN 2 D CLK1 DET R BOT FC SW LP OSCILLATOR CLK2 25, 16 TOP ON CLP S Q – 0.88V SWITCH INTV CLKOUT CC R Q LOGIC BG + 4 23, 18 VFB1 BOT PGOOD1 – BURSTEN C 27 PGND OUT + 0.72V B 0.4V + SLEEP 21 VOUT – 0.88V – SHDN RSENSE L + PGOOD2 VFB2 28 – ICMP IR + – + 0.72V – + + – SENSE+ – + 32, 10 INTVCC-0.5V – FC 6mV + 0.45V 2(VFB) SENSE– 1, 9 PLLIN/MODE – BURSTEN SLOPE 0.8V + COMP VFB 31, 11 RB VFB – EA TRACK/SS + 0.80V RA VIN OV + VIN 22 – 0.88V ITH 4.7V + C 30,12 C 5.25V/ 0.5μA EXTV – CC 7.5V LDO SHDN 20 C R RST FOLDBACK C2 C 6V INTV 1μA CC 2(VFB) TRACK/SS + 19 29, 13 RUN SGND INTERNAL 7, 8 SUPPLY SHDN CSS 6, 33 14 FOLDDIS 3826 FD 3826fc 10