Datasheet LTC3701 (Analog Devices) - 6
| Fabricante | Analog Devices |
| Descripción | 2-Phase, Low Input Voltage, Dual Step-Down DC/DC Controller |
| Páginas / Página | 20 / 6 — FU CTIO AL DIAGRA |
| Formato / tamaño de archivo | PDF / 261 Kb |
| Idioma del documento | Inglés |
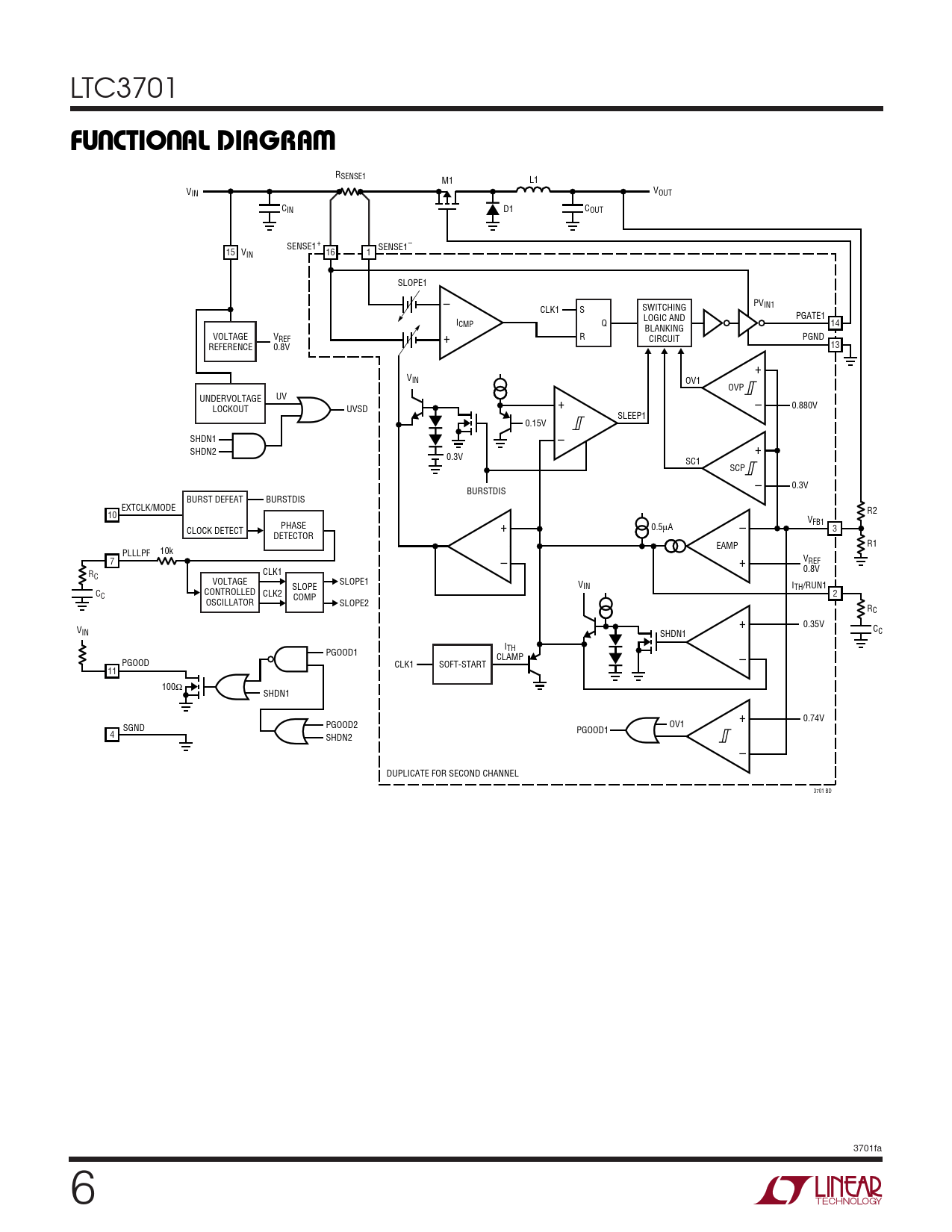
FU CTIO AL DIAGRA

Línea de modelo para esta hoja de datos
Versión de texto del documento
LTC3701
U U W FU CTIO AL DIAGRA
RSENSE1 M1 L1 VIN VOUT CIN D1 COUT SENSE1+ SENSE1– 15 VIN 16 1 SLOPE1 PV – IN1 SWITCHING CLK1 S PGATE1 LOGIC AND ICMP Q 14 BLANKING VOLTAGE V R PGND REF + CIRCUIT 13 REFERENCE 0.8V + VIN OV1 OVP UNDERVOLTAGE UV + – 0.880V LOCKOUT UVSD SLEEP1 0.15V SHDN1 – SHDN2 + 0.3V SC1 SCP – 0.3V BURSTDIS BURST DEFEAT BURSTDIS EXTCLK/MODE R2 10 VFB1 PHASE CLOCK DETECT + 0.5µA – 3 DETECTOR R1 EAMP PLLLPF 10k V 7 REF – + 0.8V CLK1 RC VOLTAGE SLOPE1 V SLOPE IN ITH/RUN1 C CONTROLLED CLK2 2 C COMP OSCILLATOR SLOPE2 RC + 0.35V V C IN SHDN1 C ITH PGOOD1 CLAMP – PGOOD CLK1 SOFT-START 11 100Ω SHDN1 + 0.74V PGOOD2 OV1 SGND PGOOD1 4 SHDN2 – DUPLICATE FOR SECOND CHANNEL 3701 BD 3701fa 6