Datasheet AK4376A (Asahi Kasei Microdevices) - 4
| Fabricante | Asahi Kasei Microdevices |
| Descripción | Low-Power Advanced 32-bit DAC with HP |
| Páginas / Página | 68 / 4 — [AK4376A] LDO2 VCOM VSS4 VSS2 CVDD VSS1 AVDD VSS3 LVDD VDD12 4. Block … |
| Revisión | 00 |
| Formato / tamaño de archivo | PDF / 1.5 Mb |
| Idioma del documento | Inglés |
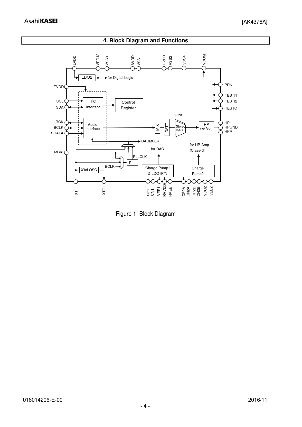
[AK4376A] LDO2 VCOM VSS4 VSS2 CVDD VSS1 AVDD VSS3 LVDD VDD12 4. Block Diagram and Functions for Digital Logic
![[AK4376A] LDO2 VCOM VSS4 VSS2 CVDD VSS1 AVDD VSS3 LVDD VDD12 4 Block Diagram and Functions for Digital Logic](https://www.rlocman.ru/datasheet/img.php?di=152089&p=3)
Línea de modelo para esta hoja de datos
Versión de texto del documento
[AK4376A] LDO2 VCOM VSS4 VSS2 CVDD VSS1 AVDD VSS3 LVDD VDD12 4. Block Diagram and Functions for Digital Logic
PDN TVDD TESTI1
2 SCL IC
Interface SDA TESTI2 Control
Register TESTO LRCK MIX Audio
Interface BCLK DATT 32-bit SDATA HP
(w/ Vol) Stereo
DAC HPL
HPGND
HPR DACMCLK
for HP-Amp
for DAC (Class-G) Charge Pump1
& LDO1P/N Charge MCKI
PLLCLK VEE2 VCC2 CP2B
CN2B Pump2 CP2A
CN2A RVEE VEE1 RAVDD XTO XTI X’tal OSC CP1
CN1 PLL
BCLK Figure 1. Block Diagram 016014206-E-00 2016/11
-4-