Datasheet LTM4646 (Analog Devices) - 10
| Fabricante | Analog Devices |
| Descripción | Dual 10A or Single 20A μModule Regulator |
| Páginas / Página | 36 / 10 — BLOCK DIAGRAM. Figure 1. Simplified LTM4646 Block Diagram |
| Revisión | A |
| Formato / tamaño de archivo | PDF / 1.0 Mb |
| Idioma del documento | Inglés |
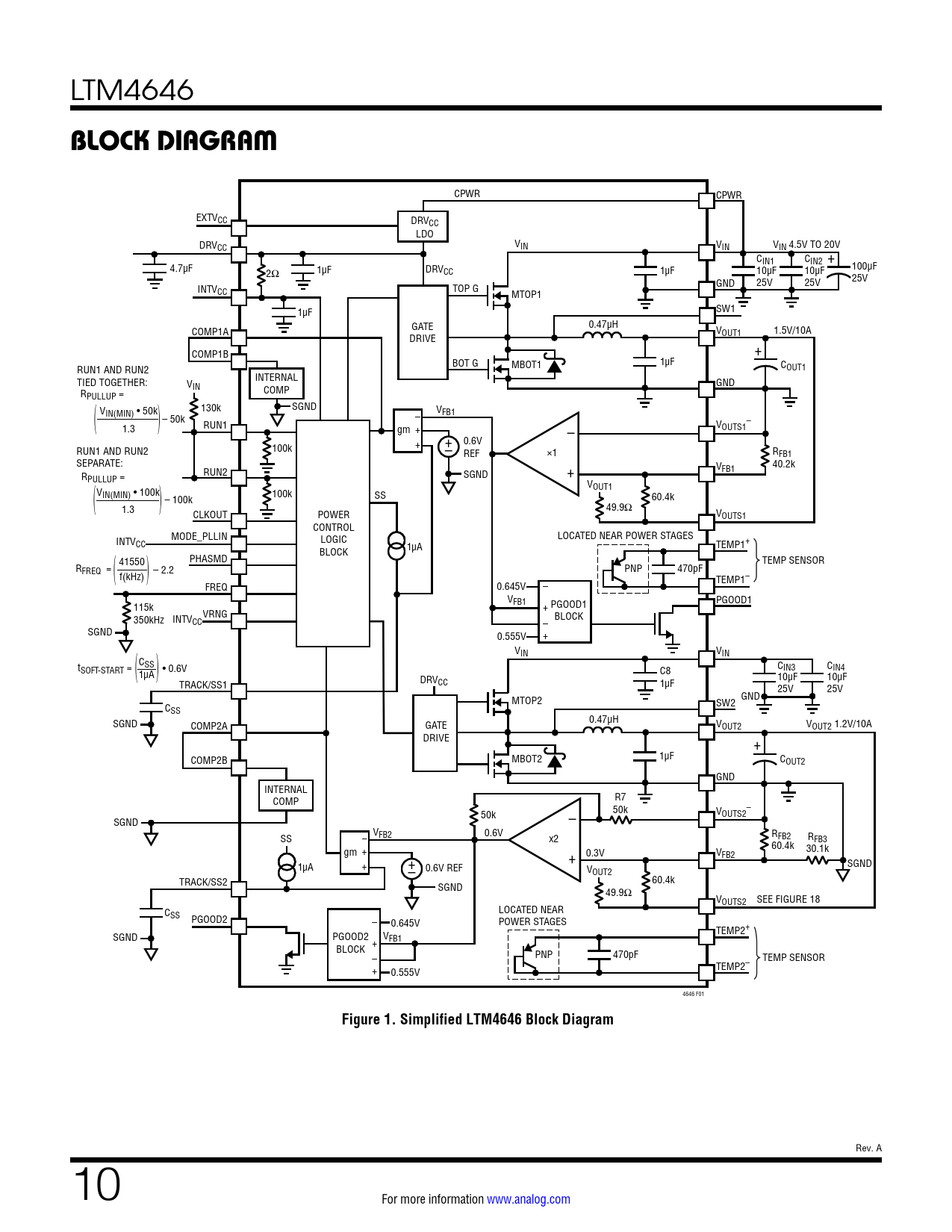
BLOCK DIAGRAM. Figure 1. Simplified LTM4646 Block Diagram

Línea de modelo para esta hoja de datos
Versión de texto del documento
LTM4646
BLOCK DIAGRAM
CPWR CPWR EXTVCC DRVCC LDO DRVCC VIN VIN VIN 4.5V TO 20V CIN1 CIN2 + 4.7µF 1µF DRV 2Ω CC 1µF 10µF 10µF 100µF GND 25V 25V 25V INTVCC TOP G MTOP1 1µF SW1 GATE 0.47µH COMP1A V DRIVE OUT1 1.5V/10A COMP1B + BOT G MBOT1 1µF COUT1 RUN1 AND RUN2 TIED TOGETHER: INTERNAL VIN GND COMP RPULLUP = 130k SGND V V IN(MIN) • 50k – 50k – FB1 ( ) RUN1 1.3 – – gm + VOUTS1 + + 0.6V RUN1 AND RUN2 100k – REF ×1 RFB1 SEPARATE: + 40.2k RUN2 V R SGND FB1 PULLUP = VOUT1 VIN(MIN) • 100k 100k SS 60.4k – 100k ( ) 49.9Ω 1.3 CLKOUT POWER VOUTS1 CONTROL MODE_PLLIN INTV LOGIC LOCATED NEAR POWER STAGES CC TEMP1+ BLOCK 1µA PHASMD 41550 TEMP SENSOR RFREQ = – 2.2 PNP 470pF ( ) f(kHz) TEMP1– FREQ 0.645V – VFB1 PGOOD1 115k PGOOD1 VRNG + 350kHz INTV BLOCK CC – SGND 0.555V + VIN VIN tSOFT-START = CSS C8 CIN3 CIN4 (1µA • 0.6V ) DRV 10µF 10µF CC TRACK/SS1 1µF 25V 25V MTOP2 GND SW2 CSS 0.47µH SGND COMP2A GATE VOUT2 VOUT2 1.2V/10A DRIVE + COMP2B MBOT2 1µF COUT2 GND INTERNAL COMP R7 – – 50k 50k VOUTS2 SGND V 0.6V SS – FB2 RFB2 x2 RFB3 60.4k gm + + 0.3V V 30.1k FB2 1µA + + SGND – 0.6V REF VOUT2 TRACK/SS2 60.4k SGND 49.9Ω VOUTS2 SEE FIGURE 18 C LOCATED NEAR SS PGOOD2 – 0.645V POWER STAGES TEMP2+ SGND PGOOD2 VFB1 BLOCK + PNP 470pF – TEMP SENSOR TEMP2– + 0.555V 4646 F01
Figure 1. Simplified LTM4646 Block Diagram
Rev. A 10 For more information www.analog.com Document Outline Operation Applications Information Package Description Package Photo Related Parts Features Applications Typical Application Description Absolute Maximum Ratings Order Information Pin Configuration Electrical Characteristics Typical Performance Characteristics Pin Functions Block Diagram Decoupling Requirements Operation Applications Information Package Description Revision History Package Photo Design Resources Related Parts