Datasheet IRF820, SiHF820 (Vishay) - 7

FabricanteVishay
DescripciónPower MOSFET
Páginas / Página9 / 7 — IRF820, SiHF820. Peak Diode Recovery dV/dt Test Circuit. D.U.T. Note. …
RevisiónC
Formato / tamaño de archivoPDF / 283 Kb
Idioma del documentoInglés

IRF820, SiHF820. Peak Diode Recovery dV/dt Test Circuit. D.U.T. Note. Fig. 14 - For N-Channel

IRF820, SiHF820 Peak Diode Recovery dV/dt Test Circuit D.U.T Note Fig 14 - For N-Channel

Línea de modelo para esta hoja de datos

Versión de texto del documento

IRF820, SiHF820
Vishay Siliconix
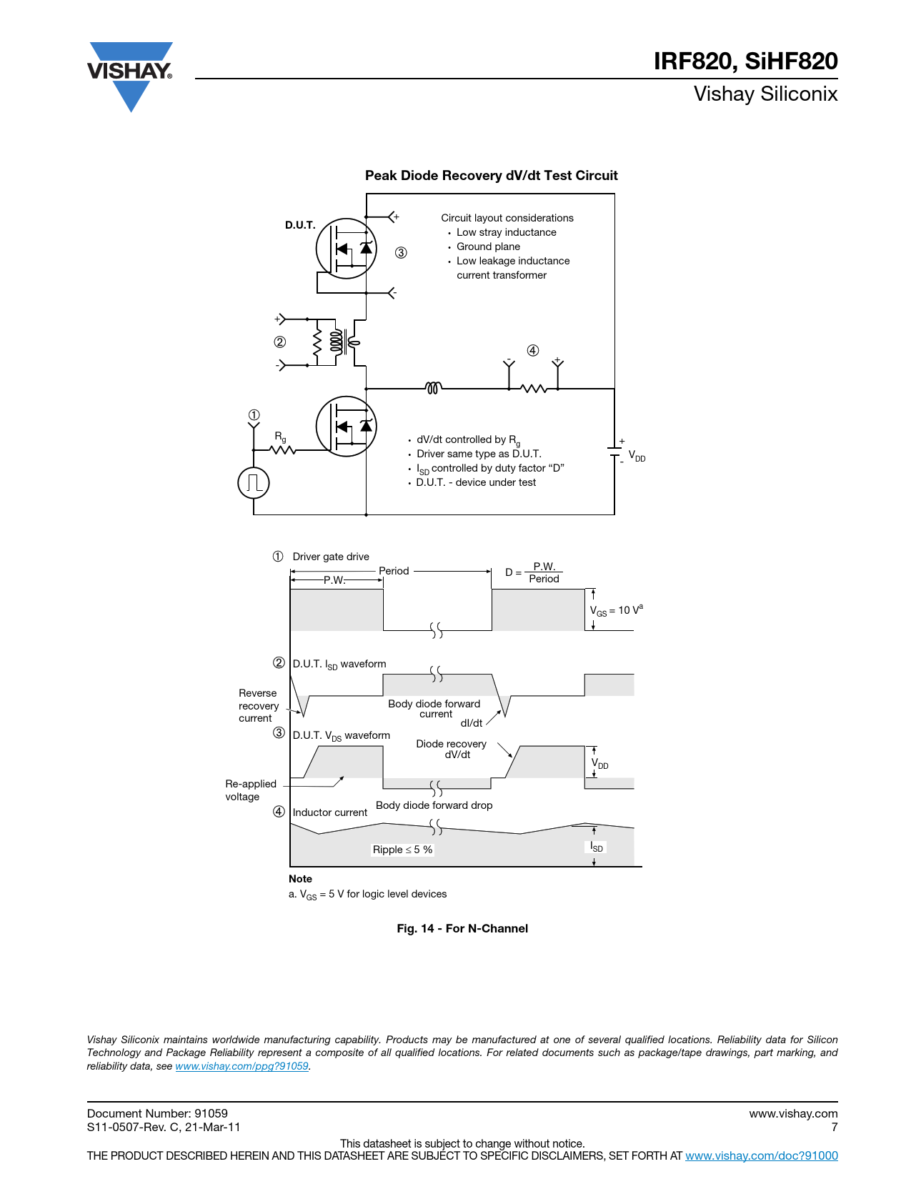
Peak Diode Recovery dV/dt Test Circuit
+ Circuit layout considerations
D.U.T.
• Low stray inductance • Ground plane • Low leakage inductance current transformer - + - + - Rg • dV/dt controlled by R + g • Driver same type as D.U.T. V - DD • ISD controlled by duty factor “D” • D.U.T. - device under test Driver gate drive Period P.W. D = P.W. Period V = 10 Va GS D.U.T. l waveform SD Reverse recovery Body diode forward current current dI/dt D.U.T. V waveform DS Diode recovery dV/dt VDD Re-applied voltage Body diode forward drop Inductor current Ripple ≤ 5 % ISD
Note
a. V = 5 V for logic level devices GS
Fig. 14 - For N-Channel
Vishay Siliconix maintains worldwide manufacturing capability. Products may be manufactured at one of several qualified locations. Reliability data for Silicon Technology and Package Reliability represent a composite of all qualified locations. For related documents such as package/tape drawings, part marking, and reliability data, see www.vishay.com/ppg?91059. Document Number: 91059 www.vishay.com S11-0507-Rev. C, 21-Mar-11 7 This datasheet is subject to change without notice. THE PRODUCT DESCRIBED HEREIN AND THIS DATASHEET ARE SUBJECT TO SPECIFIC DISCLAIMERS, SET FORTH AT www.vishay.com/doc?91000