Datasheet ACT81460 (Active-Semi) - 2
| Fabricante | Active-Semi |
| Descripción | Low Power PMIC With Integrated Linear Charger |
| Páginas / Página | 60 / 2 — ACT81460. Rev 1.0, 18-Dec-2018. TYPICAL APPLICATION CIRCUIT. Battery. … |
| Revisión | 1.0 |
| Formato / tamaño de archivo | PDF / 5.3 Mb |
| Idioma del documento | Inglés |
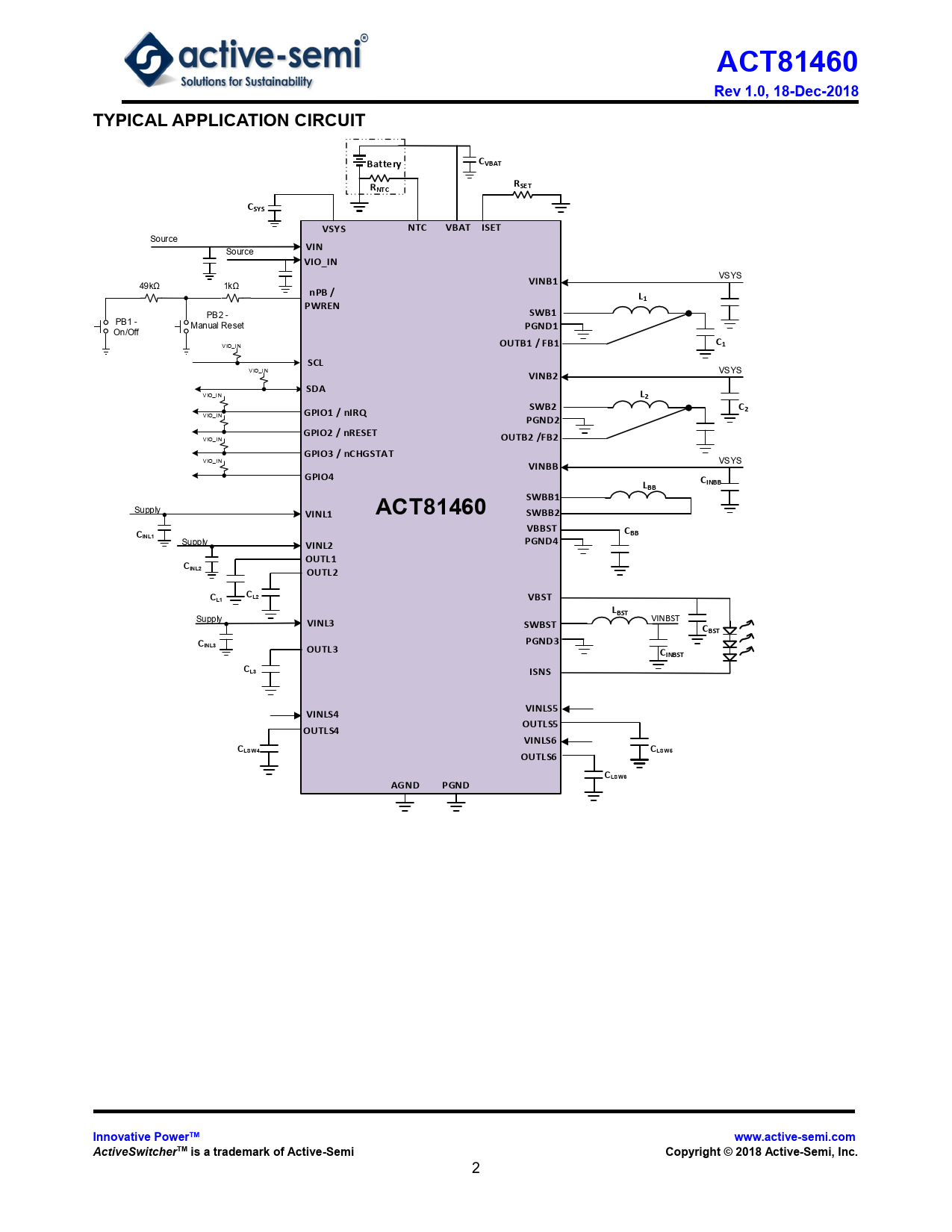
ACT81460. Rev 1.0, 18-Dec-2018. TYPICAL APPLICATION CIRCUIT. Battery. CVBAT. RSET. RNTC. CSYS. VSYS. NTC. VBAT. ISET. VIN. VIO_IN. VINB1. nPB / . PWREN

Línea de modelo para esta hoja de datos
Versión de texto del documento
ACT81460 Rev 1.0, 18-Dec-2018 TYPICAL APPLICATION CIRCUIT Battery CVBAT RSET RNTC CSYS VSYS NTC VBAT ISET
Source Source
VIN VIO_IN
VSYS 49kΩ 1kΩ
VINB1 nPB / L1 PWREN
PB2 -
SWB1
PB1 - Manual Reset
PGND1
On/Off V IO_I N
OUTB1 / FB1 C1 SCL
V IO_I N VSYS
VINB2 SDA
V IO_I N
L2 SWB2 C2
V IO_I N
GPIO1 / nIRQ PGND2 GPIO2 / nRESET
V IO_I N
OUTB2 /FB2 GPIO3 / nCHGSTAT
V IO_I N VSYS
VINBB GPIO4 L CINBB BB
Supply
VINL1 ACT81460 SWBB1 SWBB2 VBBST CBB CINL1
Supply
VINL2 PGND4 OUTL1 CINL2 OUTL2 CL2 CL1 VBST LBST
Supply VINBST
VINL3 SWBST CBST C PGND3 INL3 OUTL3 CINBST CL3 ISNS VINLS5 VINLS4 OUTLS5 OUTLS4 VINLS6 CLSW4 CLSW5 OUTLS6 CLSW6 AGND PGND Innovative PowerTM www.active-semi.com ActiveSwitcher TM is a trademark of Active-Semi Copyright © 2018 Active-Semi, Inc.
2