Datasheet HT16D31A/HT16D31B (Holtek) - 5

FabricanteHoltek
Descripción8×9 Constant Current LED Driver
Páginas / Página59 / 5 — HT16D31A/HT16D31B. 8×9 Constant Current LED Driver. Selection Table. Part …
Revisión1.10
Formato / tamaño de archivoPDF / 1.7 Mb
Idioma del documentoInglés

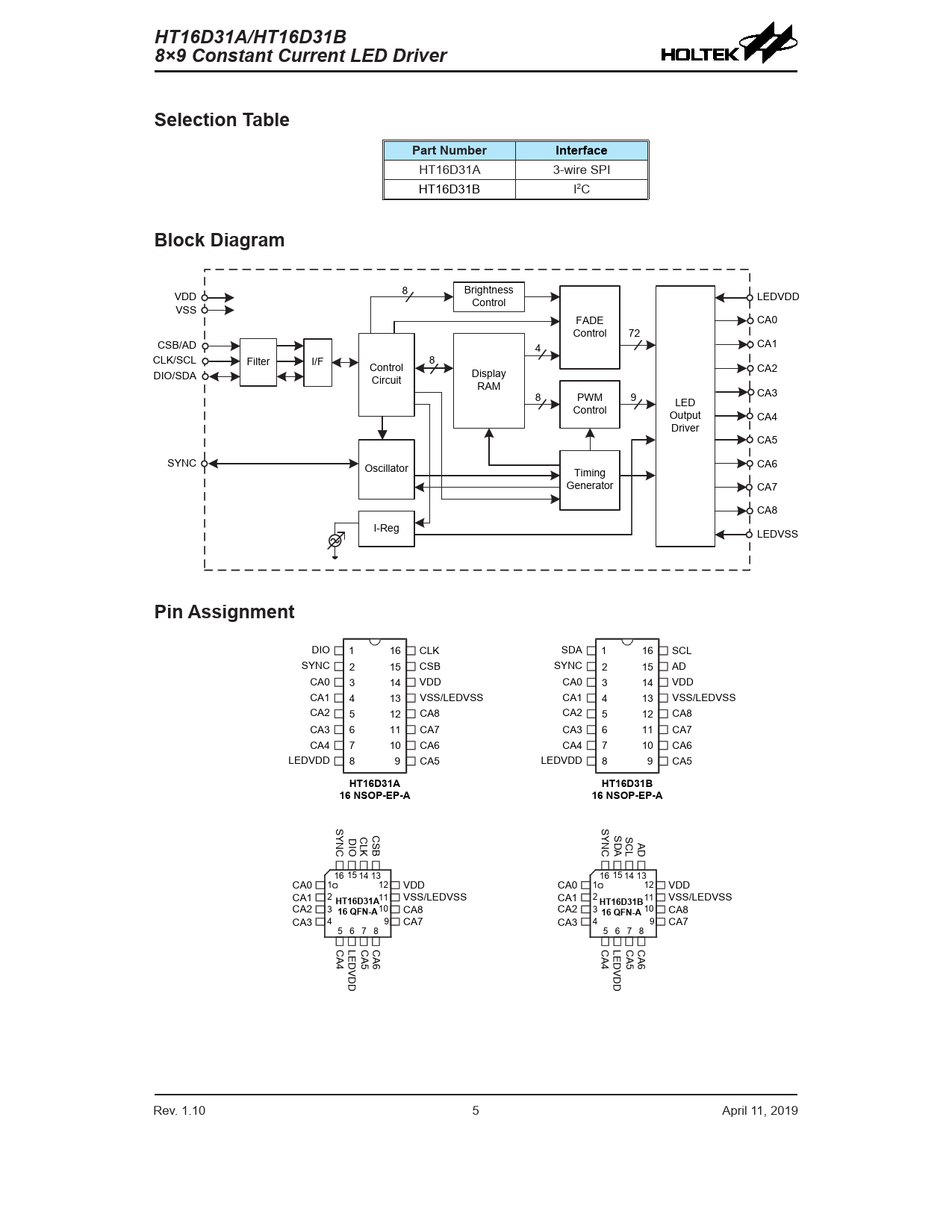
HT16D31A/HT16D31B. 8×9 Constant Current LED Driver. Selection Table. Part Number. Interface. Block Diagram. Pin Assignment. HT16D31A

HT16D31A/HT16D31B 8×9 Constant Current LED Driver Selection Table Part Number Interface Block Diagram Pin Assignment HT16D31A

Línea de modelo para esta hoja de datos

Versión de texto del documento

HT16D31A/HT16D31B HT16D31A/HT16D31B 8×9 Constant Current LED Driver 8×9 Constant Current LED Driver Selection Table Part Number Interface
HT16D31A 3-wire SPI HT16D31B I2C
Block Diagram
8 Brightness VDD LEDVDD Control VSS FADE CA0 Control 72 CSB/AD CA1 4 CLK/SCL Filter I/F 8 Control CA2 DIO/SDA Circuit Display RAM 8 CA3 PWM 9 LED Control Output CA4 Driver CA5 SYNC Oscillator CA6 Timing Generator CA7 CA8 I-Reg LEDVSS
Pin Assignment
DIO 1 16 CLK SDA 1 16 SCL SYNC 2 15 CSB SYNC 2 15 AD CA0 3 14 VDD CA0 3 14 VDD CA1 4 13 VSS/LEDVSS CA1 4 13 VSS/LEDVSS CA2 5 12 CA8 CA2 5 12 CA8 CA3 6 11 CA7 CA3 6 11 CA7 CA4 7 10 CA6 CA4 7 10 CA6 LEDVDD 8 9 CA5 LEDVDD 8 9 CA5
HT16D31A HT16D31B 16 NSOP-EP-A 16 NSOP-EP-A
SYNC SYNC D CLK CSB SDA SCL IO AD 16 15 14 13 16 15 14 13 CA0 1 12 VDD CA0 1 12 VDD CA1 2 11 VSS/LEDVSS
HT16D31A
CA1 2 11 VSS/LEDVSS
HT16D31B
CA2 3
16 QFN-A
10 CA8 CA2 3
16 QFN-A
10 CA8 CA3 4 9 CA7 CA3 4 9 CA7 5 6 7 8 5 6 7 8 CA4 L CA5 CA6 E CA4 L CA5 CA6 E D D V V D D D D Rev. 1.10 4 April 11, 2019 Rev. 1.10 5 April 11, 2019 Document Outline Features Applications General Description Selection Table Block Diagram Pin Assignment Pin Description Approximate Internal Connections Absolute Maximum Ratings D.C. Characteristics A.C. Characteristics A.C. Characteristics – SPI 3-wire Serial Bus A.C. Characteristics – IC Serial Bus Timing Diagrams SPI 3-Wire Serial Bus Timing I2C Bus Timing Power on Reset Timing Functional Description Power-on Reset LED Driver System Oscillator Driver Outputs Address Pointer Open/Short Detection Function Over Temperature Protection Constant Current Output Load Supply Voltage – LED_V Display Data RAM – DDRAM Fade Data RAM LED On/Off Control RAM Data CommandDescription Command Table Software Reset RAM Page Address Set Picture Start Page Address Movie Start Page Address Movie Playing Length Set Movie Cycle Time Set Movie Page Delay Time Last Page Set Picture Scrolling Control Display Mode Configuration Mode Fade Function Control Global Fade Time Cascade Mode System Control Constant Current Ratio Brightness Control Mode Control Blanking Control Voltage Setting Read Open Detection Data Read Short Detection Data Read Register Status Read Movie Frame Status Read Movie Loop Status Read Function Flag SPI 3-wire Serial Interface Write Operation Read Operation I2C Serial Interface Data Validity START and STOP Conditions Byte Format Acknowledge Slave Addressing Write Operation Read Operation Power Supply Sequence Operation Flow Charts Application Circuits LED Matrix Circuit RGB LED Matrix Circuit Single LED IC Application Cascade Function Cascade Control Flow Package Information 16-pin NSOP-EP (150mil) Outline Dimensions SAW Type 16-pin QFN (3mm×3mm for FP0.25mm) Outline Dimensions