Datasheet MA12070 (Infineon) - 3

FabricanteInfineon
Descripción2x80W ultra power efficient, fully integrated audio amplifier IC with analog input
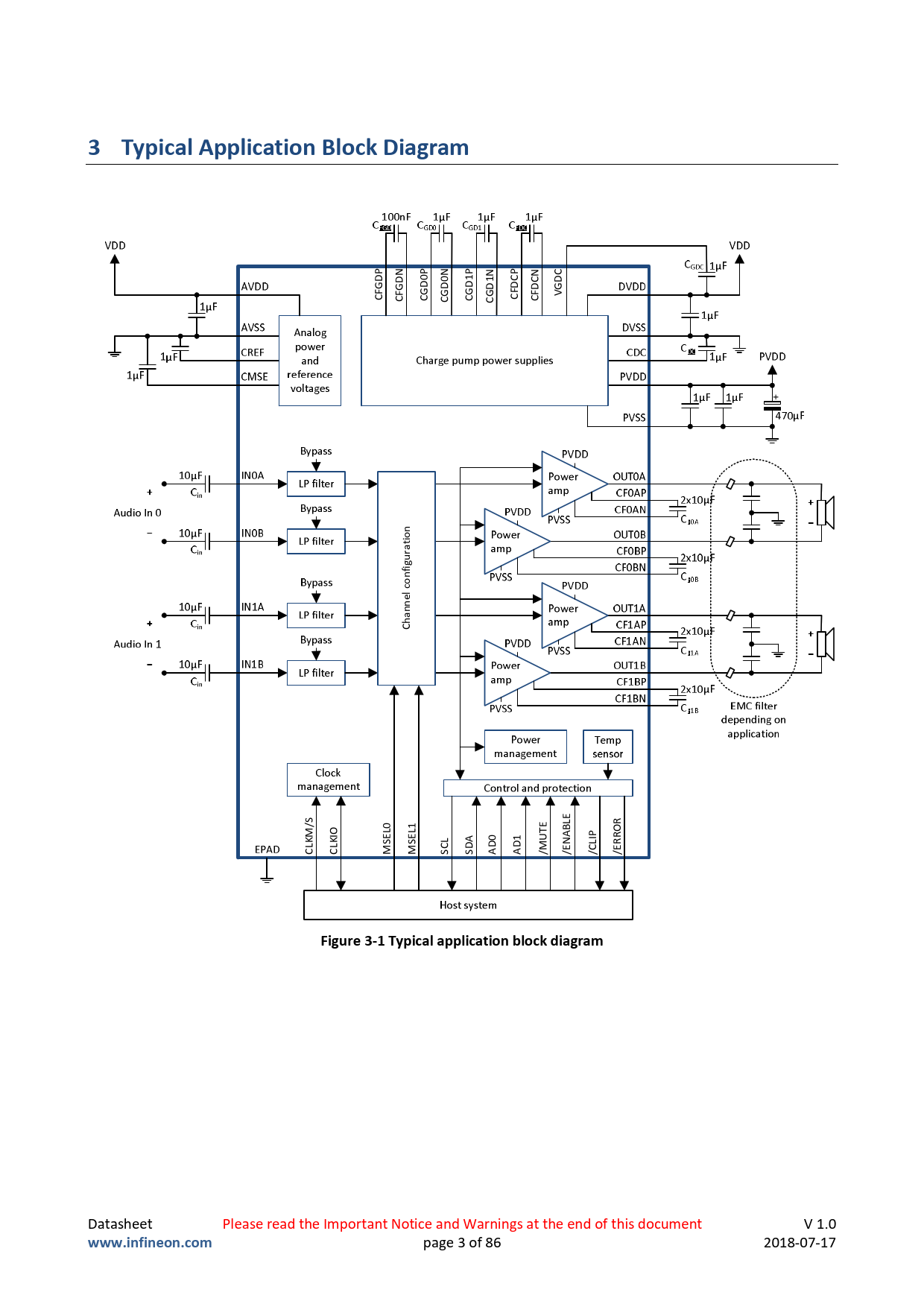
Páginas / Página86 / 3 — 3 Typical Application Block Diagram. Figure 3-1 Typical application block …
Revisión01_00
Formato / tamaño de archivoPDF / 1.8 Mb
Idioma del documentoInglés

3 Typical Application Block Diagram. Figure 3-1 Typical application block diagram. www.infineon.com

3 Typical Application Block Diagram Figure 3-1 Typical application block diagram www.infineon.com

Línea de modelo para esta hoja de datos

Versión de texto del documento

3 Typical Application Block Diagram
P N P P P D 0 N 1 C D C N D 0 1N C D D D FG FG G G D FD FD G C C C G G V C C C C C + n ratio figu n el co n an h C LE R /S TE B O M IO A 0 1 U A R SEL0 SEL1 L LK LK D D LIP C C M M SC SD A A /M /EN /C /ER
Figure 3-1 Typical application block diagram
Datasheet Please read the Important Notice and Warnings at the end of this document V 1.0
www.infineon.com
page 3 of 86 2018-07-17