Datasheet ALT80600 (Allegro) - 4
| Fabricante | Allegro |
| Descripción | LED Driver with Pre-Emptive Boost for Ultra-High Dimming Ratio and Low Output Ripple |
| Páginas / Página | 33 / 4 — LED Driver with Pre-Emptive Boost. ALT80600 for Ultra-High Dimming Ratio … |
| Formato / tamaño de archivo | PDF / 4.4 Mb |
| Idioma del documento | Inglés |
LED Driver with Pre-Emptive Boost. ALT80600 for Ultra-High Dimming Ratio and Low Output Ripple. ALT80600

Línea de modelo para esta hoja de datos
Versión de texto del documento
LED Driver with Pre-Emptive Boost ALT80600 for Ultra-High Dimming Ratio and Low Output Ripple
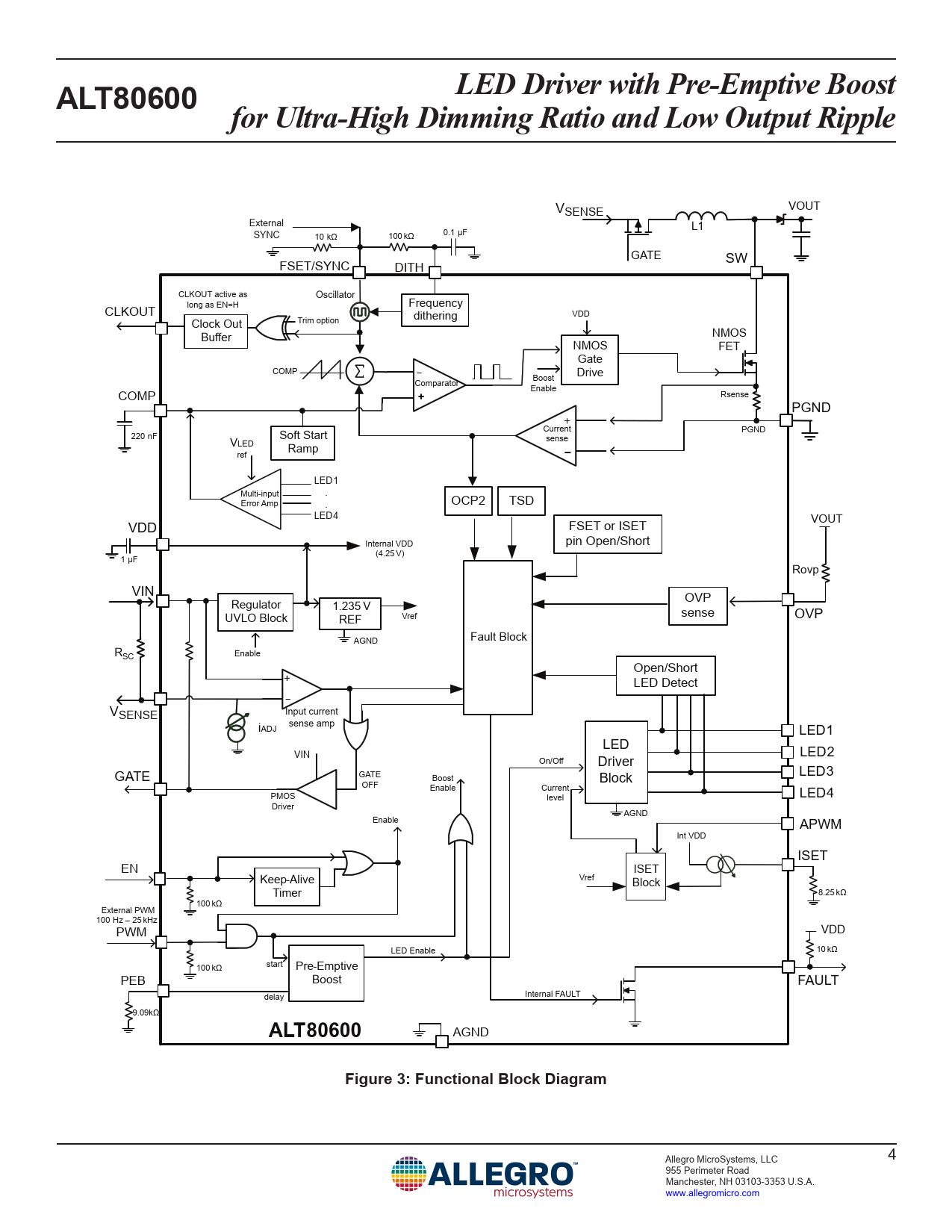
V VOUT SENSE External L1 SYNC 10 kΩ 100 kΩ 0.1 µF GATE FSET/SYNC SW DITH CLKOUT active as Oscillator long as EN=H Frequency CLKOUT dithering VDD Clock Out Trim option Buffer NMOS NMOS FET Gate COMP Drive Comparator Boost COMP Enable Rsense PGND Current 220 nF Soft Start PGND sense VLED Ramp ref LED1 Multi-input . Error Amp . OCP2 TSD LED4 VOUT VDD FSET or ISET Internal VDD pin Open/Short (4.25 V) 1 µF Rovp VIN Regulator OVP 1.235 V UVLO Block REF Vref sense OVP AGND Fault Block R Enable SC Open/Short + LED Detect VSENSE Input current sense amp iADJ LED1 LED VIN LED2 On/Off Driver GATE GATE Boost Block LED3 OFF Enable Current PMOS level LED4 Driver AGND Enable APWM Int VDD ISET EN ISET Vref Keep-Alive Block Timer 8.25 kΩ 100 kΩ External PWM 100 Hz – 25 kHz VDD PWM LED Enable 10 kΩ 100 kΩ start Pre-Emptive PEB Boost FAULT Internal FAULT delay 9.09kΩ
ALT80600
AGND
Figure 3: Functional Block Diagram
Allegro MicroSystems, LLC 4 955 Perimeter Road Manchester, NH 03103-3353 U.S.A. www.allegromicro.com Document Outline Features and Benefits Description Applications Package Selection Guide Absolute Maximum Ratings Thermal Characteristics Typical Application – SEPIC Functional Block Diagram Pinout Diagram and Terminal List Electrical Characteristics Functional Description Enabling the IC Powering Up: LED Detection Phase Powering Up: Boost Output Undervoltage Soft Start Function Frequency Selection Synchronization Loss of External Sync Signal Switching Frequency Dithering Clock Out Function LED Current Setting PWM Dimming Pre-Emptive Boost (PEB) Analog Dimming with APWM Pin Extending LED Dimming Ratio Analog Dimming with External Voltage VDD Shutdown Fault Detection and Protection LED String Partial-Short Detect Boost Switch Overcurrent Protection Input Overcurrent Protection and Disconnect Switch Setting the Current Sense Resistor Input UVLO Fault Protection During Operation Fault Recovery Mechanism Package Outline Drawing Appendix A: Design Example